GM Service Manual Online
For 1990-2009 cars only
Makes
🢒
HUMMER
🢒
2007
🢒
H3
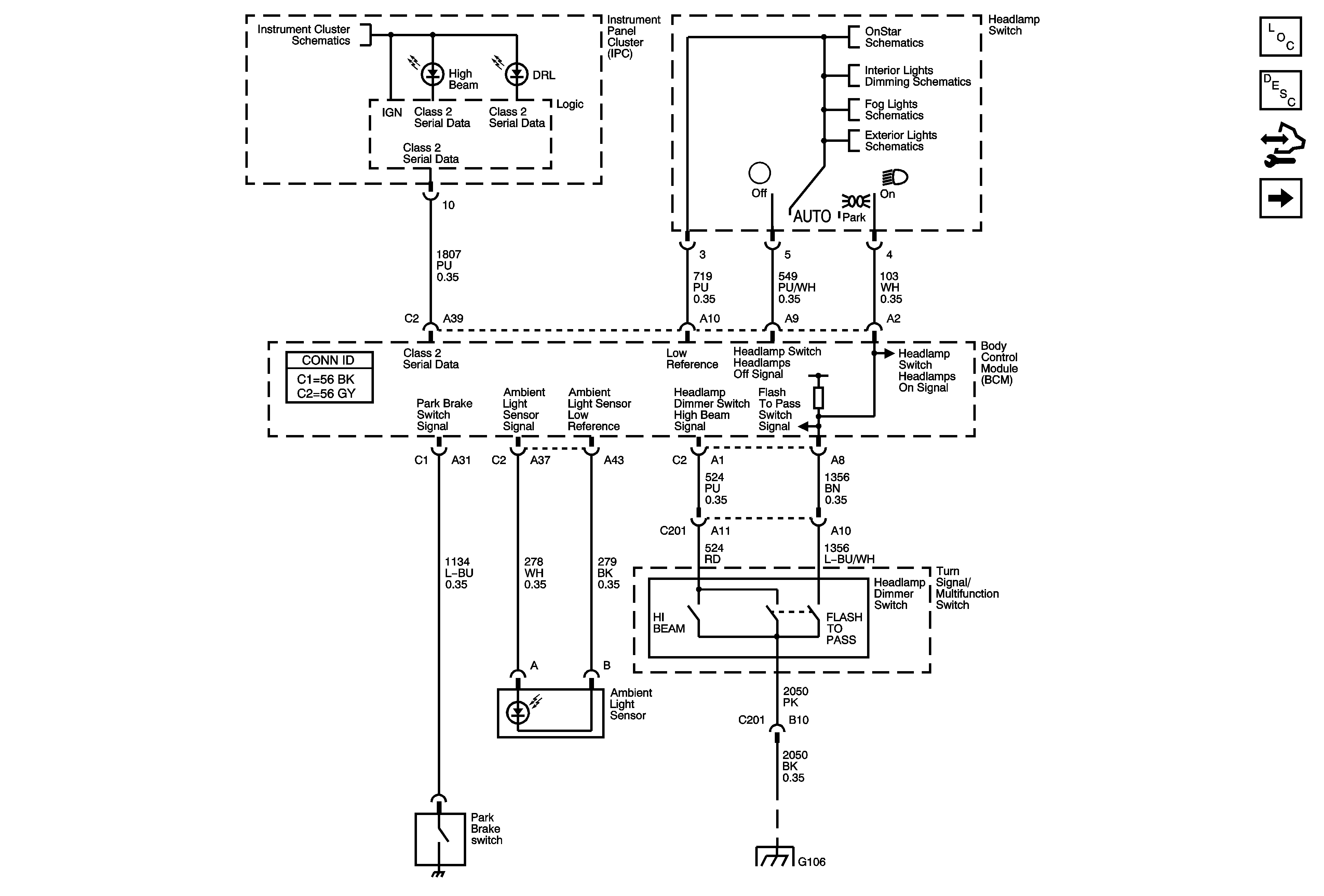
🢒 Ambient Light Sensor, Headlamp Controls and Switches
Ambient Light Sensor, Headlamp Controls and Switches
Ambient Light Sensor, Headlamp Controls and Switches
Master Electrical Component List
Exterior Lighting Systems Description and Operation
Control Module References
Headlamps
Indicators
OnStar Schematics
Interior Lights Dimming Schematics
Fog Lights Schematics
Hazard Switch, Park Lamp Control, and Turn Signal/Stop Lamp Inputs
G106