GM Service Manual Online
For 1990-2009 cars only
Makes
🢒
HUMMER
🢒
2007
🢒
H3
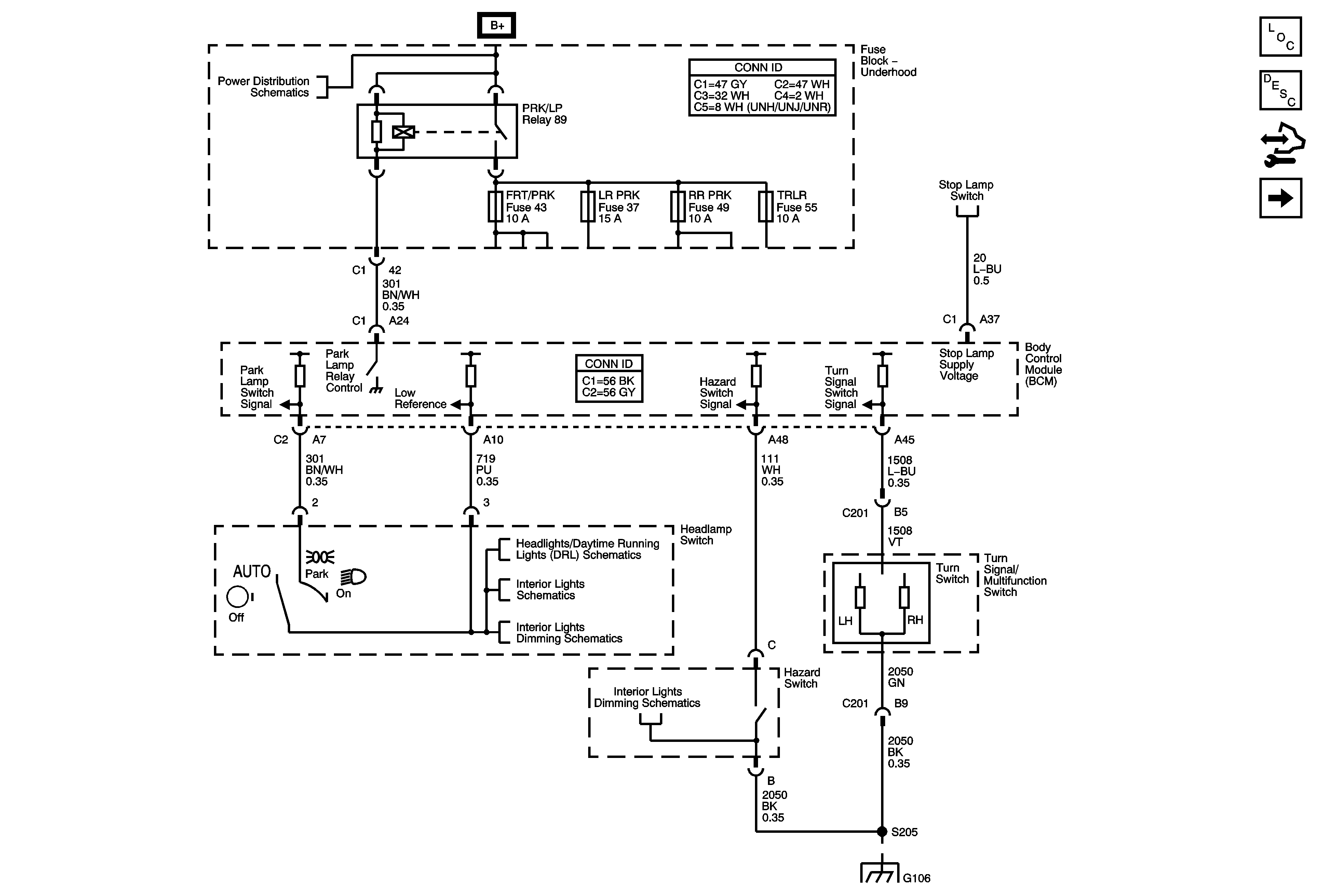
🢒 Hazard Switch, Park Lamp Control, and Turn Signal/Stop Lamp Inputs
Hazard Switch, Park Lamp Control, and Turn Signal/Stop Lamp Inputs
Hazard Switch, Park Lamp Control, and Turn Signal/Stop Lamp Inputs
Master Electrical Component List
Exterior Lighting Systems Description and Operation
Control Module References
Roof Marker Lamps (UNH), License Lamp and Park Lamps
B+ Bus - Underhood Fuse Block - 1 of 2
Center High Mount Stop Lamps (CHMSL) and Stop Lamp Switch
Ambient Light Sensor, Headlamp Controls and Switches
Interior Lights Dimming Schematics
Interior Lights Dimming Schematics
Interior Lights Dimming Schematics
G106