GM Service Manual Online
For 1990-2009 cars only
Makes
🢒
HUMMER
🢒
2007
🢒
H3
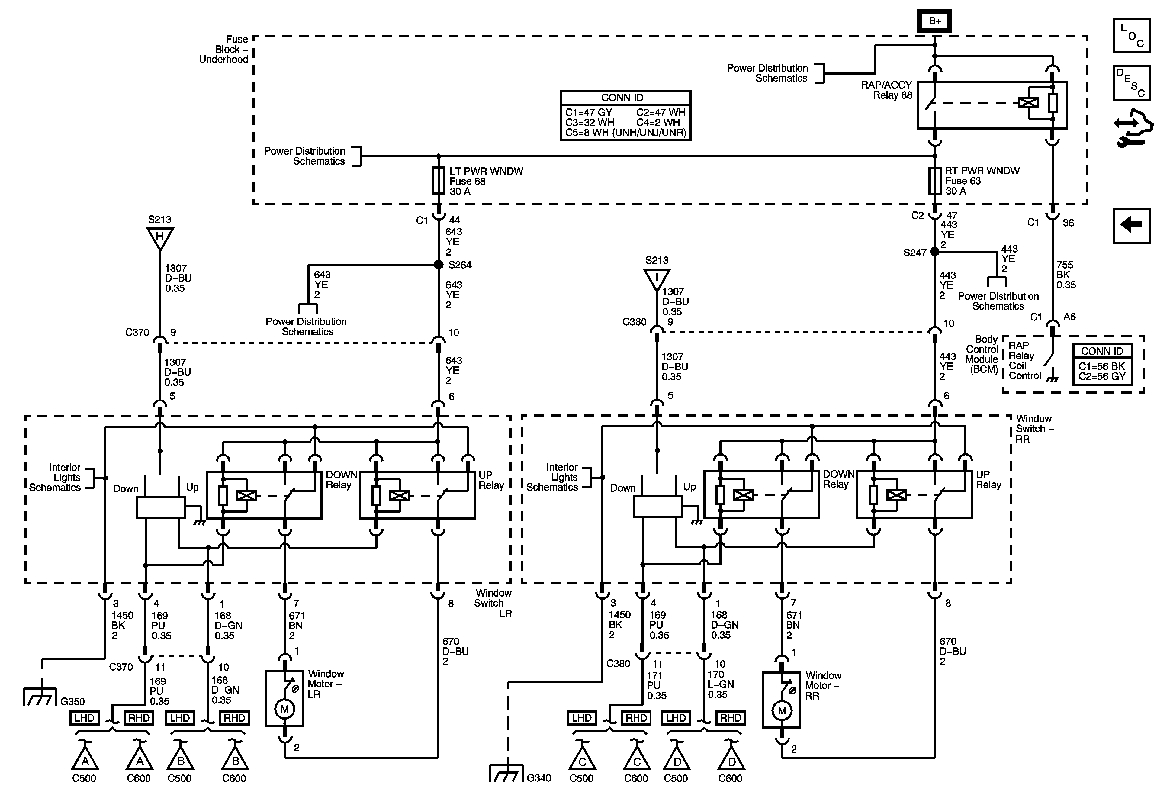
🢒 Rear Doors
Rear Doors
Rear Doors
Master Electrical Component List
Power Windows Description and Operation
Control Module References
Front Passenger Door
B+ Bus - Underhood Fuse Block - 1 of 2
ETC, LT PWR WNDW, O2 SNSR, REAR/WPR MTR, REAR WPR SWTCH/PUMP, RT PWR WNDW, SPO, AND S/ROOF FRT/WPR Fuses
Driver Door
Driver Door
ETC, LT PWR WNDW, O2 SNSR, REAR/WPR MTR, REAR WPR SWTCH/PUMP, RT PWR WNDW, SPO, AND S/ROOF FRT/WPR Fuses
ETC, LT PWR WNDW, O2 SNSR, REAR/WPR MTR, REAR WPR SWTCH/PUMP, RT PWR WNDW, SPO, AND S/ROOF FRT/WPR Fuses
Door Lock and Window Switches
Door Lock and Window Switches
G350
Driver Door
G340 and G345
Driver Door