GM Service Manual Online
For 1990-2009 cars only
Makes
🢒
HUMMER
🢒
2007
🢒
H3
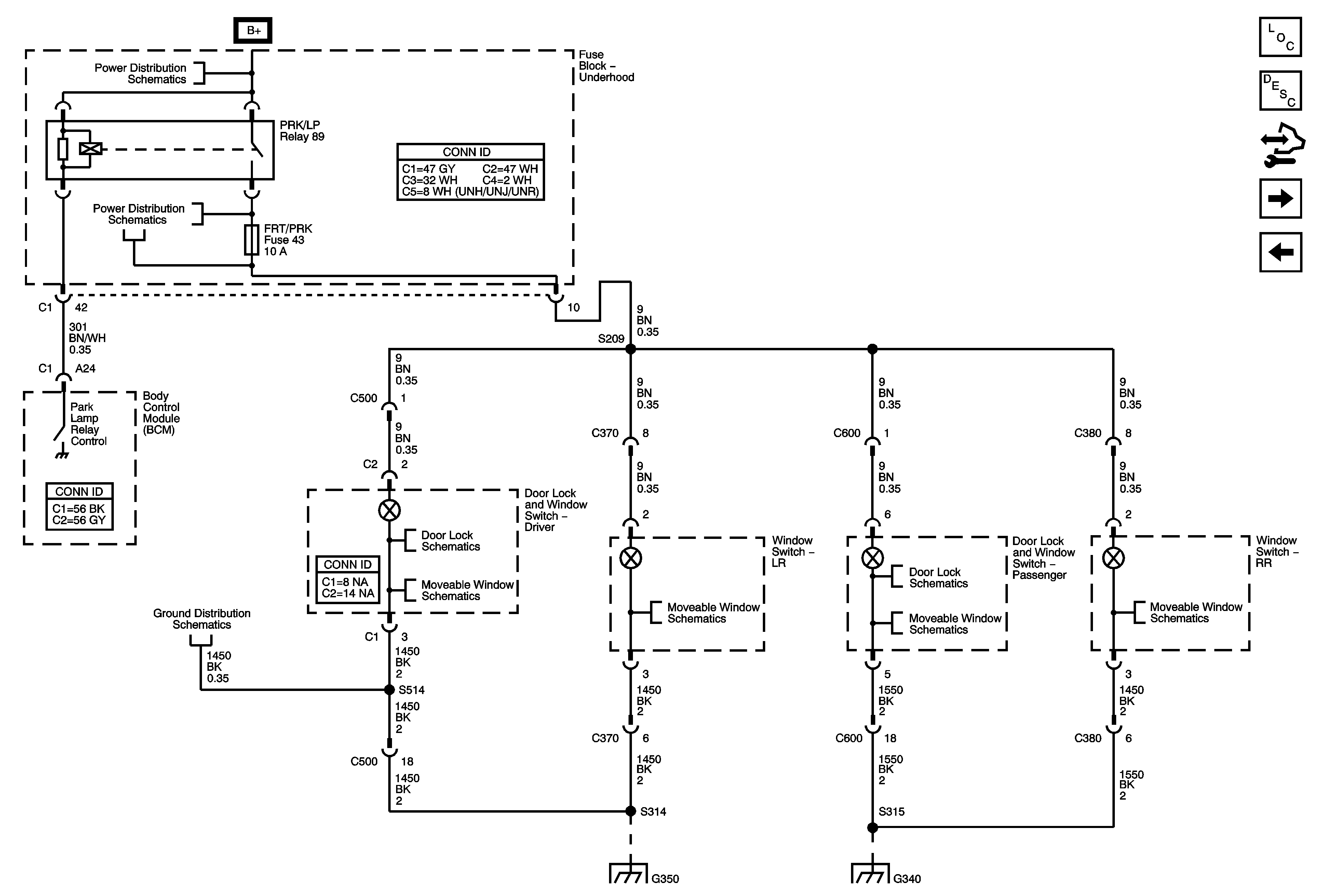
🢒 Door Lock and Window Switches
Door Lock and Window Switches
Door Lock and Window Switches
Master Electrical Component List
Interior Lighting Systems Description and Operation
Control Module References
Door Jamb Switches
Dome Lamp, Footwell Courtesy Lamps, and Vanity Mirror Lamps
B+ Bus - Underhood Fuse Block - 2 of 2
FRT/PRK, LR PRK, RR PRK, and TRLR Fuses
G350
Power Door Locks
Driver Door
Rear Doors
Power Door Locks
Front Passenger Door
Rear Doors
G350
G340 and G345