GM Service Manual Online
For 1990-2009 cars only
Makes
🢒
HUMMER
🢒
2007
🢒
H3
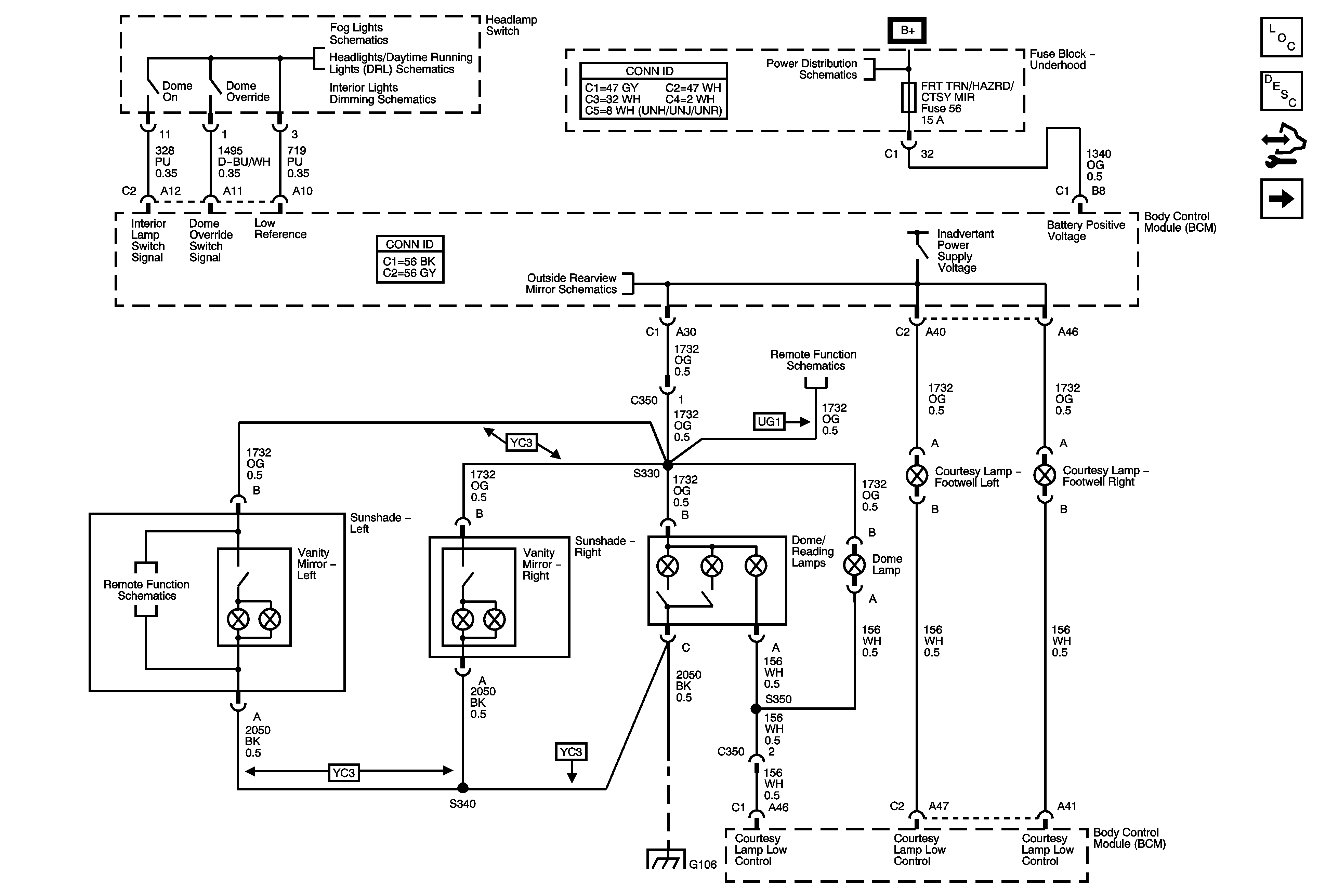
🢒 Dome Lamp, Footwell Courtesy Lamps, and Vanity Mirror Lamps
Dome Lamp, Footwell Courtesy Lamps, and Vanity Mirror Lamps
Dome Lamp, Footwell Courtesy Lamps, and Vanity Mirror Lamps
Master Electrical Component List
Interior Lighting Systems Description and Operation
Control Module References
Door Lock and Window Switches
Fog Lights Schematics
Ambient Light Sensor, Headlamp Controls and Switches
Interior Lights Dimming Schematics
B+ Bus - Underhood Fuse Block - 1 of 2
Outside Rearview Mirror Schematics
Garage Door Opener Schematic
Garage Door Opener Schematic
Hazard Switch, Park Lamp Control, and Turn Signal/Stop Lamp Inputs