GM Service Manual Online
For 1990-2009 cars only
Makes
🢒
Holden
🢒
2006
🢒
Barina
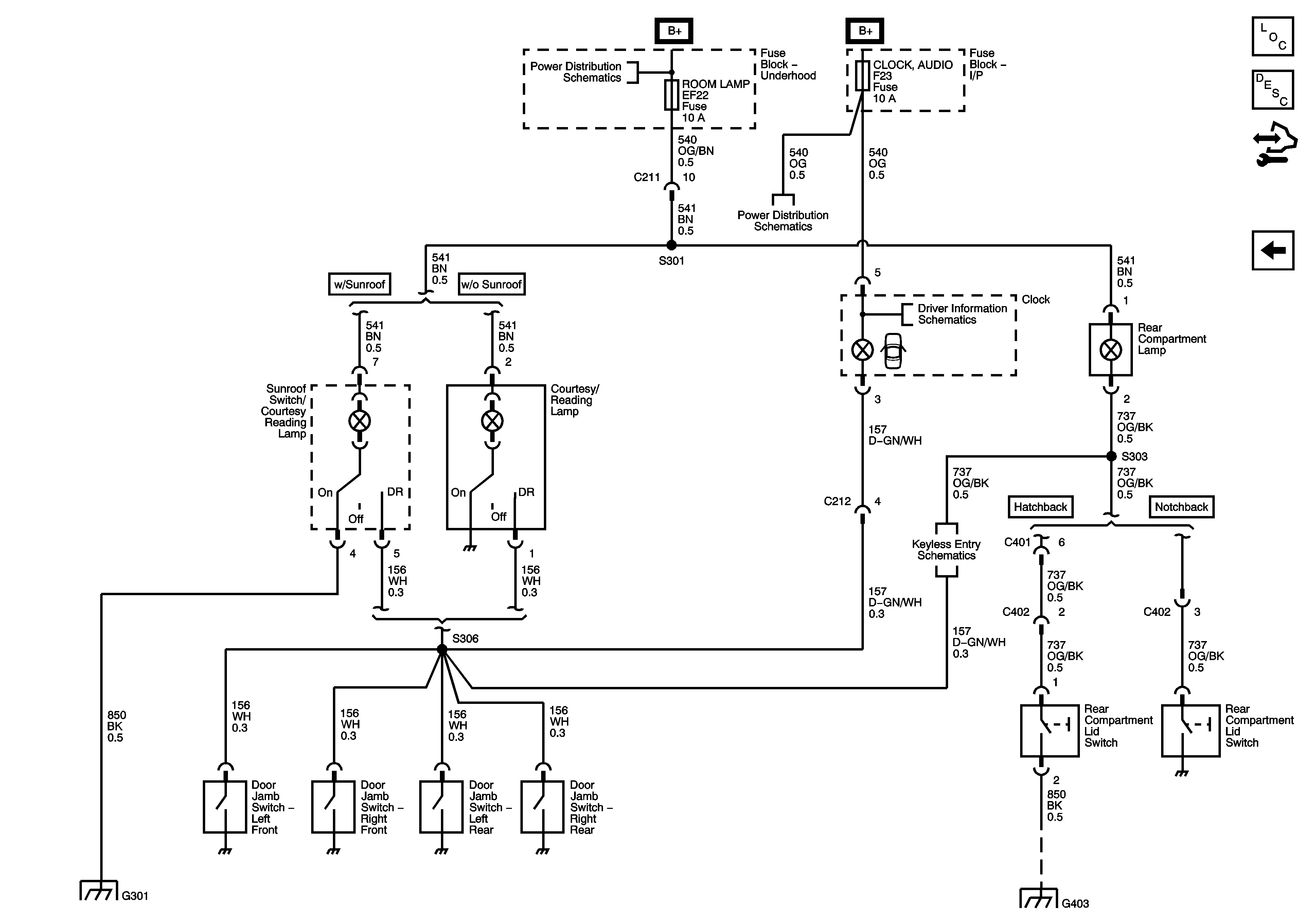
🢒 Interior Lts - Courtesy Lamps
Interior Lts - Courtesy Lamps
Courtesy Lamps
Master Electrical Component List
Interior Lighting Systems Description and Operation
Control Module References
Interior Lts - Lamp Control Module
Power Distribution - Battery Feed
Power Distribution - Fuses EF7, F12, 13, 14, 15, 16, 23
Driver Info Clock
Keyless Entry - Theft Deterrent and RKE Power and Ground
Ground Distribution - G301
Ground Distribution - G401 Hatchback, G901