GM Service Manual Online
For 1990-2009 cars only

Engine Controls Schematics Hatchback

Figure 1:

Power, Ground and MIL


Object Number: 1630087  Size: FS
Master Electrical Component List Hatchback
Data Sensors 1.5L
Battery Feed
Ground Distrbution G103 - 1.2L
Power and Grounds
Data Communications
Figure 2:

Data Sensors


Object Number: 1257887  Size: FS
Master Electrical Component List Hatchback
Ignition System 1.5L
Power, Ground and MIL 1.5L
VSS 1.6L
Figure 3:

Ignition System


Object Number: 1358346  Size: FS
Master Electrical Component List Hatchback
Ignition Sensors 1.5L
Data Sensors 1.5L
Instrument Cluster Gages 1.2L
Battery Feed
Battery Feed
Ground Distrbution G103 - 1.2L
Figure 4:

Ignition Sensors


Object Number: 1630088  Size: FS
Master Electrical Component List Hatchback
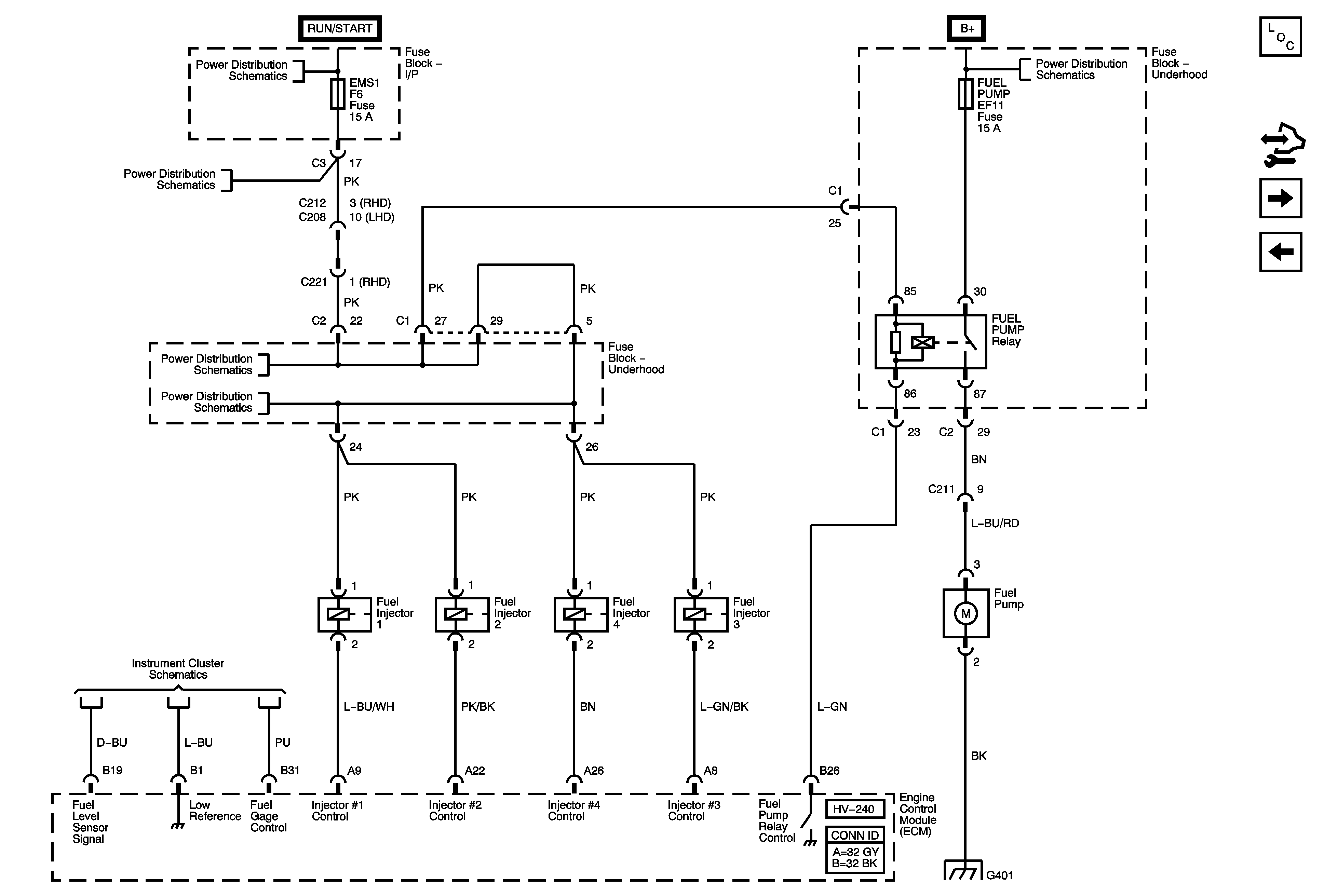
Fuel System 1.5L
Ignition System 1.5L
Battery Feed
Battery Feed
Battery Feed
Data Sensors 1.5L
Ground Distrbution G103 - 1.2L
Figure 5:

Fuel System


Object Number: 1257889  Size: FS
Master Electrical Component List Hatchback
EVAP, IAC Valve and Octane Selector 1.5L
Ignition Sensors 1.5L
Battery Feed
Battery Feed
Battery Feed
Battery Feed
Instrument Cluster Gages 1.2L
Ground Distribution G401
Figure 6:

EVAP, IAC Valve and Octane Selector


Object Number: 1630089  Size: FS
Master Electrical Component List Hatchback
Subsystem Reference 1.5L
Fuel System 1.5L
Battery Feed
Battery Feed
Battery Feed
Ground Distrbution G103 - 1.2L
Figure 7:

Subsystem References


Object Number: 1630090  Size: FS
Master Electrical Component List Hatchback
EVAP, IAC Valve and Octane Selector 1.5L
Audible Warnings
Instrument Cluster Gages 1.2L
ABS Power, Ground and Inputs
Manual - Blower Controls

Engine Controls Schematics Notchback

Figure 1:

Engine Control Module (ECM) Power, Ground, MIL Control


Object Number: 1757012  Size: FS
Master Electrical Component List Notchback
Engine Control Module Description
Control Module References
ECT, IAT, Knock, TP Sensors
SDM, EMS 1, EMS 2 Fuses
SDM, EMS 1, EMS 2 Fuses
ABS, HAZARD, ECU, FUEL PUMP Fuses
Charge, Brake, MIL, Seat Belt, Air Bag, Oil Pressure, HOLD, ABS, Door Open Indicators
G104
Transmission Control Module (TCM) Power and Ground Distribution, Serial Data and Shift Program Switch
Data Communication Schematics
Figure 2:

ECT, IAT, Knock, TP Sensors


Object Number: 1757018  Size: FS
Master Electrical Component List Notchback
Control Module References
Ignition Coil, Oxygen Sensor
Engine Control Module (ECM) Power, Ground, MIL Control
Manual Transaxle Schematics
Figure 3:

Ignition Coil, Oxygen Sensor


Object Number: 1757019  Size: FS
Master Electrical Component List Notchback
Electronic Ignition (EI) System Description
Control Module References
CKP, CMP, A/C Refrigerant Pressure Sensors
ECT, IAT, Knock, TP Sensors
SDM, EMS 1, EMS 2 Fuses
Instrument Cluster Power and Ground, Ambient Temperature, Engine Temperature, Fuel, Speed Gages
ABS, HAZARD, ECU, FUEL PUMP Fuses
ABS, HAZARD, ECU, FUEL PUMP Fuses
Figure 4:

CKP, CMP, A/C Refrigerant Pressure Sensors


Object Number: 1757021  Size: FS
Master Electrical Component List Notchback
Control Module References
Fuel Pump and Injectors
Ignition Coil, Oxygen Sensor
SDM, EMS 1, EMS 2 Fuses
ABS, HAZARD, ECU, FUEL PUMP Fuses
G104
Figure 5:

Fuel Pump and Injectors


Object Number: 1757022  Size: FS
Master Electrical Component List Notchback
Control Module References
EVAP Canister Purge Solenoid, MAP Sensor, IAC Valve, Octane Selector Switch
CKP, CMP, A/C Refrigerant Pressure Sensors
SDM, EMS 1, EMS 2 Fuses
ABS, HAZARD, ECU, FUEL PUMP Fuses
SDM, EMS 1, EMS 2 Fuses
PK/LP Relay and Fuses
PK/LP Relay and Fuses
Instrument Cluster Power and Ground, Ambient Temperature, Engine Temperature, Fuel, Speed Gages
G401, G402
Figure 6:

EVAP Canister Purge Solenoid, MAP Sensor, IAC Valve, Octane Selector Switch


Object Number: 1757023  Size: FS
Master Electrical Component List Notchback
Engine Control Module Description
Control Module References
Controlled/Monitored Subsystem References
Fuel Pump and Injectors
SDM, EMS 1, EMS 2 Fuses
SDM, EMS 1, EMS 2 Fuses
ABS, HAZARD, ECU, FUEL PUMP Fuses
Figure 7:

Controlled/Monitored Subsystem References


Object Number: 1757024  Size: FS
Master Electrical Component List Notchback
Control Module References
EVAP Canister Purge Solenoid, MAP Sensor, IAC Valve, Octane Selector Switch
Instrument Cluster Power and Ground, Ambient Temperature, Engine Temperature, Fuel, Speed Gages
MR140, HV240