GM Service Manual Online
For 1990-2009 cars only

Engine Controls Schematics MR140 w/o Throttle Actuator Control

Figure 1:

Engine Control Module (ECM) Power and Ground, Malfunction Indicator Lamp (MIL)


Object Number: 1736646  Size: FS
Master Electrical Component List Notchback
Engine Control Module Description
Control Module References
TP, ECT, IAT, Knock Sensors
SDM, EMS 1, EMS 2 Fuses
SDM, EMS 1, EMS 2 Fuses
ABS, HAZARD, ECU, FUEL PUMP Fuses
Charge, Brake, MIL, Seat Belt, Air Bag, Oil Pressure, HOLD, ABS, Door Open Indicators
G104
Transmission Control Module (TCM) Power and Ground Distribution, Serial Data and Shift Program Switch
Data Communication Schematics
Figure 2:

TP, ECT, IAT, Knock Sensors


Object Number: 1736647  Size: FS
Master Electrical Component List Notchback
Control Module References
Ignition Coil Module
Engine Control Module (ECM) Power and Ground, Malfunction Indicator Lamp (MIL) and Serial Data
Manual Transaxle Schematics
Figure 3:

Fuel Pump Relay and Fuel Injectors


Object Number: 1736651  Size: FS
Master Electrical Component List Notchback
Control Module References
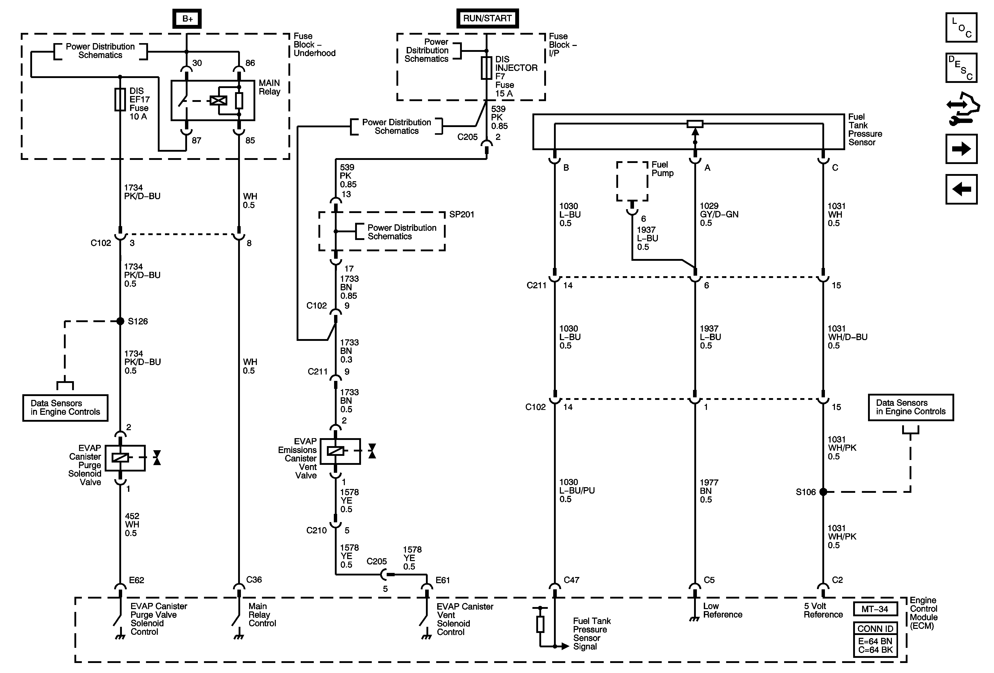
EVAP Canister Purge Solenoid Valve
CKP, CMP, A/C Refrigerant, Rough Road Sensors and Fuel Pump
SDM, EMS 1, EMS 2 Fuses
ABS, HAZARD, ECU, FUEL PUMP Fuses
SDM, EMS 1, EMS 2 Fuses
PK/LP Relay and Fuses
PK/LP Relay and Fuses
G401, G402
G104
Figure 4:

EVAP Canister Purge Solenoid Valve


Object Number: 1736652  Size: FS
Master Electrical Component List Notchback
Control Module References
IMT, EGR, IAC Valves, MAP Sensor and Octane Selector Switch
Fuel Pump Relay and Fuel Injectors
SDM, EMS 1, EMS 2 Fuses
SDM, EMS 1, EMS 2 Fuses
ABS, HAZARD, ECU, FUEL PUMP Fuses
Figure 5:

IMT, EGR, IAC Valves, Map Sensor and Octane Selector Switch


Object Number: 1736654  Size: FS
Master Electrical Component List Notchback
Control Module References
ABS, I/P, Engine Cooling and HVAC ECM Input/Outputs
EVAP Canister Purge Solenoid Valve
SDM, EMS 1, EMS 2 Fuses
SDM, EMS 1, EMS 2 Fuses
ABS, HAZARD, ECU, FUEL PUMP Fuses
G104
Figure 6:

CKP, CMP, A/C Refrigerant, Rough Road Sensors and Fuel Pump


Object Number: 1736650  Size: FS
Master Electrical Component List Notchback
Control Module References
Fuel Pump Relay and Fuel Injectors
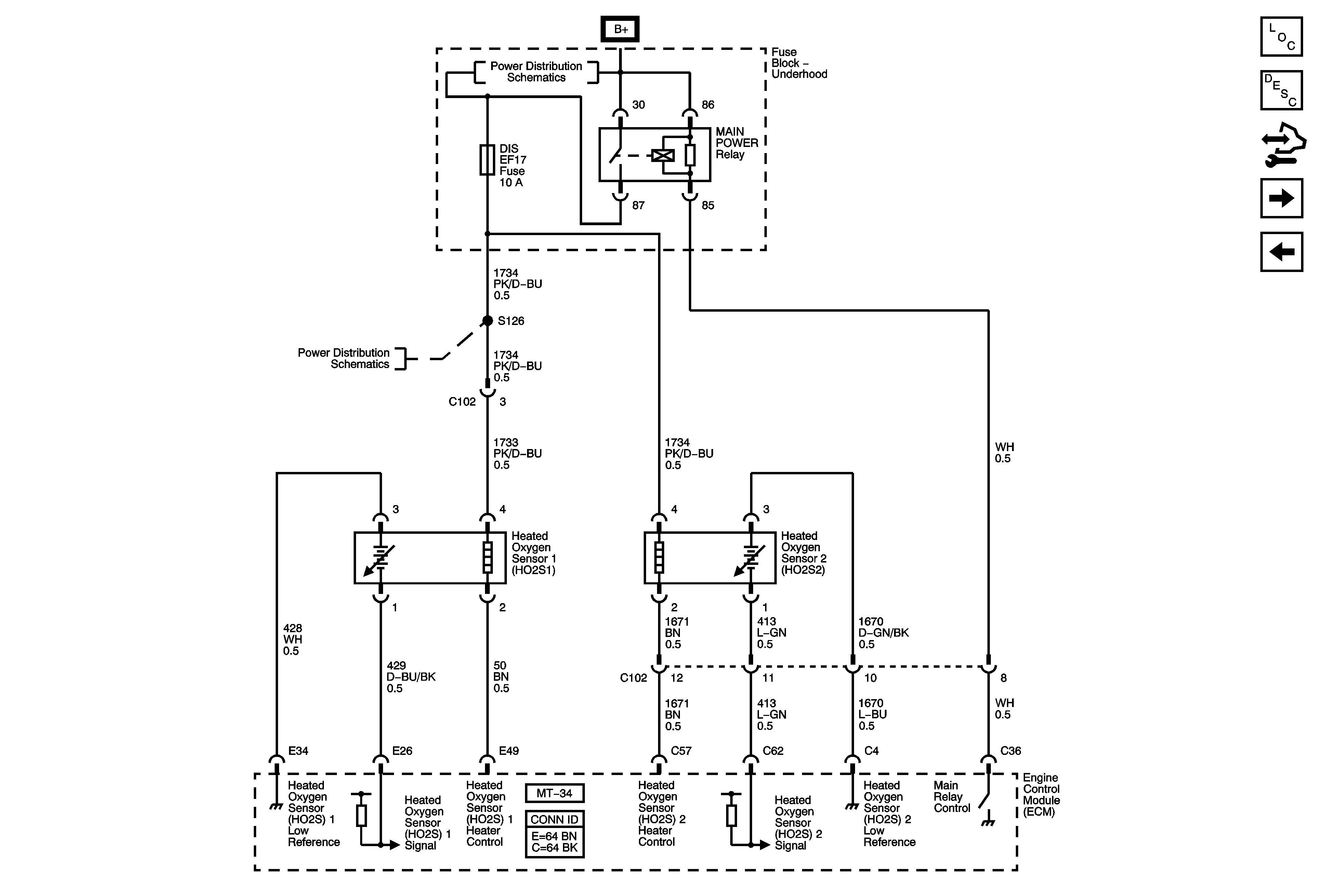
Heated Oxygen Sensors
SDM, EMS 1, EMS 2 Fuses
ABS, HAZARD, ECU, FUEL PUMP Fuses
G104
Figure 7:

Heated Oxygen Sensors


Object Number: 1736649  Size: FS
Master Electrical Component List Notchback
Control Module References
CKP, CMP, A/C Refrigerant, Rough Road Sensors and Fuel Pump
Ignition Coil Module
SDM, EMS 1, EMS 2 Fuses
ABS, HAZARD, ECU, FUEL PUMP Fuses
Figure 8:

Ignition Coil Module


Object Number: 1736648  Size: FS
Master Electrical Component List Notchback
Control Module References
Heated Oxygen Sensors
TP, ECT, IAT, Knock Sensors
SDM, EMS 1, EMS 2 Fuses
Instrument Cluster Power and Ground, Ambient Temperature, Engine Temperature, Fuel, Speed Gages
ABS, HAZARD, ECU, FUEL PUMP Fuses
ABS, HAZARD, ECU, FUEL PUMP Fuses
Figure 9:

ABS, I/P, Engine Cooling, HVAC Input/Outputs


Object Number: 1736655  Size: FS
Master Electrical Component List Notchback
Control Module References
IMT, EGR, IAC Valves, MAP Sensor and Octane Selector Switch
Electronic Brake Control Module (EBCM) Power and Ground Distribution, Serial Data, Lamp Driver Module and Stop Lamp Switch
Instrument Cluster Power and Ground, Ambient Temperature, Engine Temperature, Fuel, Speed Gages
MR140, HV240
Blower Controls

Engine Controls Schematics Hatchback

Figure 1:

Power, Ground, MIL, Serial Data


Object Number: 1902441  Size: FS
Master Electrical Component List Hatchback
Engine Control Module Description
Control Module References
Data Sensors
Battery Feed
Power Distribution Fuses EF7,F12, 13, 14, 15, 16 and 23
Power Distribution Ignition Switch and Fuses F6, 7 - 1 of 2, 17 and 18
Ignition Switch and Fuses EF5, F1, 2, 3, 4, 5, 8, and 11
Power Distribution Fuses EF7,F12, 13, 14, 15, 16 and 23
Underhood EF13 and EF17 Fuses
Power Distribution Ignition Switch and Fuses F6, 7 - 1 of 2, 17 and 18
Ground Distrbution G103 - 1.2L
Power and Grounds
Data Communications
Figure 2:

Engine Data Sensors - Pressure and Temperature, Intake Sensor, EGR, VSS


Object Number: 1680155  Size: FS
Master Electrical Component List Hatchback
Accelerator Pedal Position (APP) Sensor
Power, Ground and MIL 1.6L
VSS 1.6L
Figure 3:

Accelerator Pedal Position (APP) Sensor


Object Number: 1808646  Size: FS
Master Electrical Component List Hatchback
Throttle Actuator Control
Data Sensors
SIR Caution for Zoning
Figure 4:

Throttle Actuator Control


Object Number: 1680160  Size: FS
Master Electrical Component List Hatchback
Oxygen Sensors
Accelerator Pedal Position (APP) Sensor
Figure 5:

Oxygen Sensors


Object Number: 1902444  Size: FS
Master Electrical Component List Hatchback
Engine Control Module Description
Control Module References
Ignition System
Throttle Actuator Control
Battery Feed
Battery Feed
Figure 6:

Ignition System Controls


Object Number: 2047012  Size: FS
Master Electrical Component List Hatchback
Ignition Sensors
Oxygen Sensors
Battery Feed
Battery Feed
Instrument Cluster Gages 1.6L
Ground Distribution G103 - 1.6L
Figure 7:

Ignition Sensors


Object Number: 2047013  Size: FS
Master Electrical Component List Hatchback
Fuel Injectors
Ignition System
Battery Feed
Battery Feed
Battery Feed
Ground Distribution G103 - 1.6L
Figure 8:

Fuel Pump Controls and Fuel Injectors


Object Number: 2047014  Size: FS
Master Electrical Component List Hatchback
EVAP Controls
Ignition Sensors
Battery Feed
Battery Feed
Battery Feed
Instrument Cluster Gages 1.6L
Ground Distribution G401
G104
Figure 9:

EVAP Controls


Object Number: 2047015  Size: FS
Master Electrical Component List Hatchback
Intake and Exhaust Valves
Fuel Injectors
Battery Feed
Battery Feed
Battery Feed
Battery Feed
Battery Feed
Data Sensors
Data Sensors
Figure 10:

Intake, Exhaust Valves


Object Number: 2047016  Size: FS
Master Electrical Component List Hatchback
Subsystem References
EVAP Controls
Battery Feed
Battery Feed
Battery Feed
Data Sensors
Figure 11:

Controlled/Montiroed Subsystem References


Object Number: 1680249  Size: FS
Master Electrical Component List Hatchback
Intake and Exhaust Valves
ABS Power, Ground and Inputs
Instrument Cluster Gages 1.6L
Engine Cooling 1.6L
Manual - Blower Controls

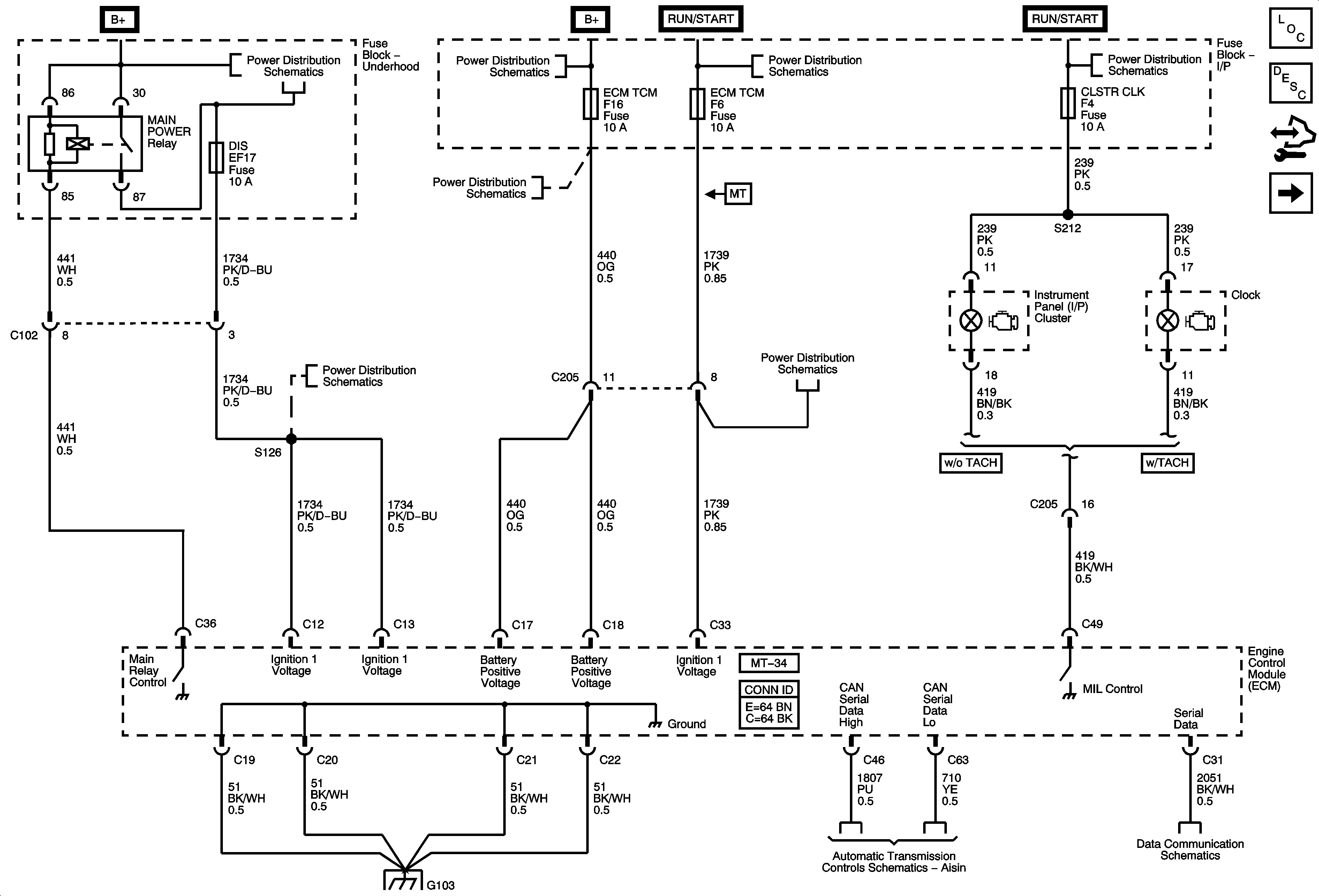
Engine Controls Schematics MT34 w/TAC

Figure 1:

Power, Ground, MIL, Serial Data


Object Number: 1774328  Size: FS
Master Electrical Component List Notchback
Engine Control Module Description
Control Module References
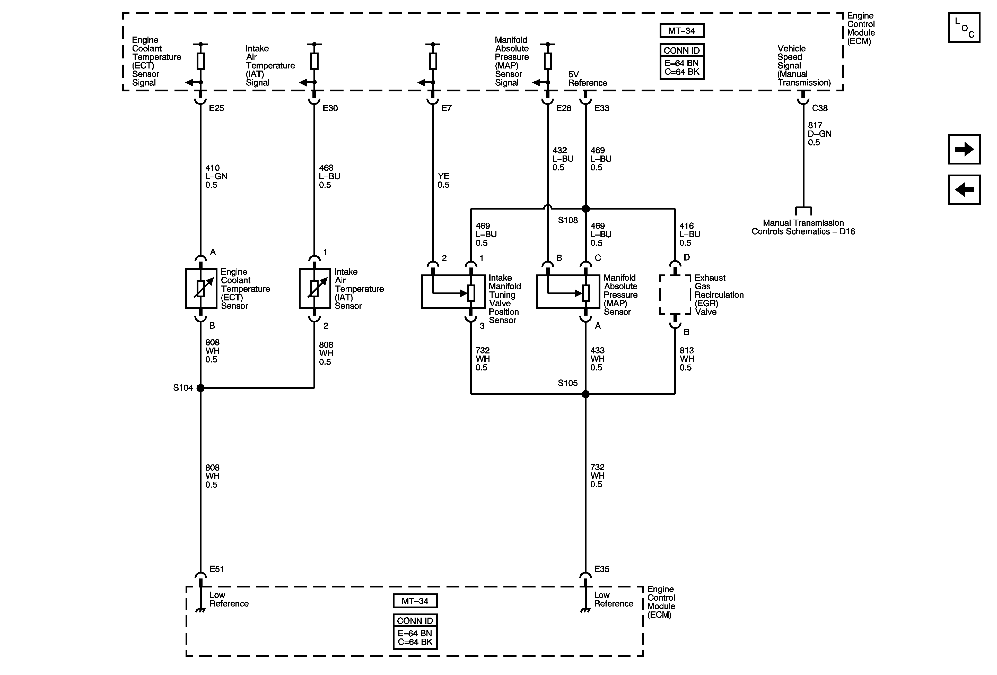
Engine Data Pressure and Temperature Sensors, Device Controls
MAIN, FAN, A/C RELAYS, EMS1, EMS2 Fuses - SIRIUS D42, MT34
SDM, EMS 1, EMS 2 Fuses
SDM, EMS 1, EMS 2 Fuses
SDM, EMS 1, EMS 2 Fuses
ABS, HAZARD, ECU, FUEL PUMP Fuses
G104
Transmission Control Module (TCM) Power and Ground Distribution, Serial Data and Shift Program Switch
Data Communication Schematics
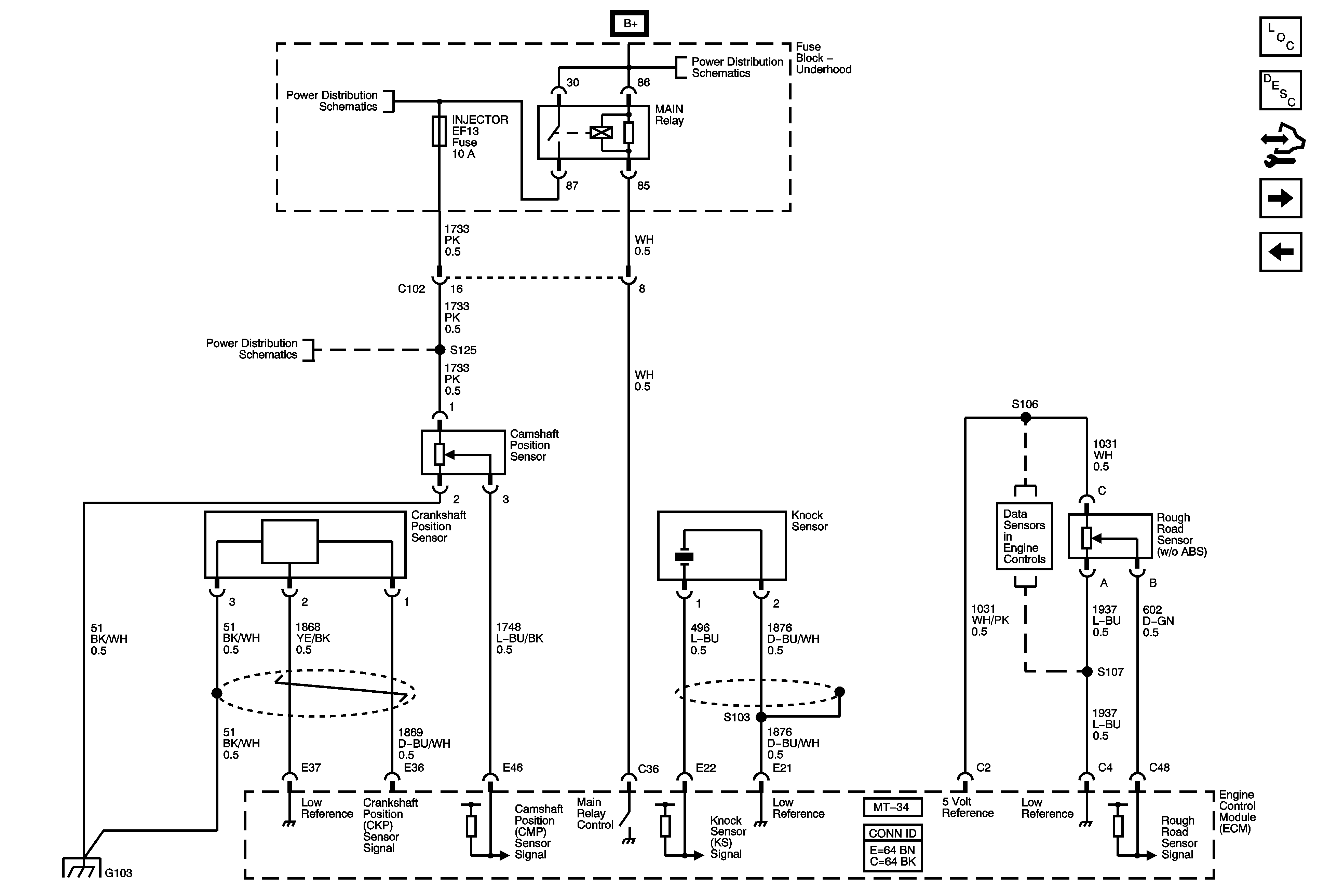
Figure 2:

Engine Data Pressure and Temperature Sensors, Device Controls


Object Number: 1774329  Size: FS
Master Electrical Component List Notchback
Engine Control Module Description
Control Module References
Electronic Throttle Control (ETC)
Power, Ground, MIL, Serial Data
SDM, EMS 1, EMS 2 Fuses
Figure 3:

Electronic Throttle Control (ETC)


Object Number: 1774330  Size: FS
Master Electrical Component List Notchback
Throttle Actuator Control (TAC) System Description
Control Module References
Accelerator Pedal Position (APP) Sensor, Stop Lamp
Engine Data Pressure and Temperature Sensors, Device Controls
Figure 4:

Accelerator Pedal Position (APP) Sensor, Stop Lamp


Object Number: 1774331  Size: FS
Master Electrical Component List Notchback
Throttle Actuator Control (TAC) System Description
Control Module References
Heated Oxygen Sensors (HO2S)
Electronic Throttle Control (ETC)
Headlamp, Fog Lamp Relays and Fuses, BATT Fuse
IGN 2/ST Fuse, Ignition Switch, CIGAR, AUDIO/CLOCK, CLUSTER, T/SIG Fuses
Park and Turn Indicator Lamps
Shiftlock Control Schematics
Figure 5:

Heated Oxygen Sensors (HO2S)


Object Number: 1774334  Size: FS
Master Electrical Component List Notchback
Engine Control Module Description
Control Module References
Ignition Coil Module
Accelerator Pedal Position (APP) Sensor, Stop Lamp
MAIN, FAN, A/C RELAYS, EMS1, EMS2 Fuses - SIRIUS D42, MT34
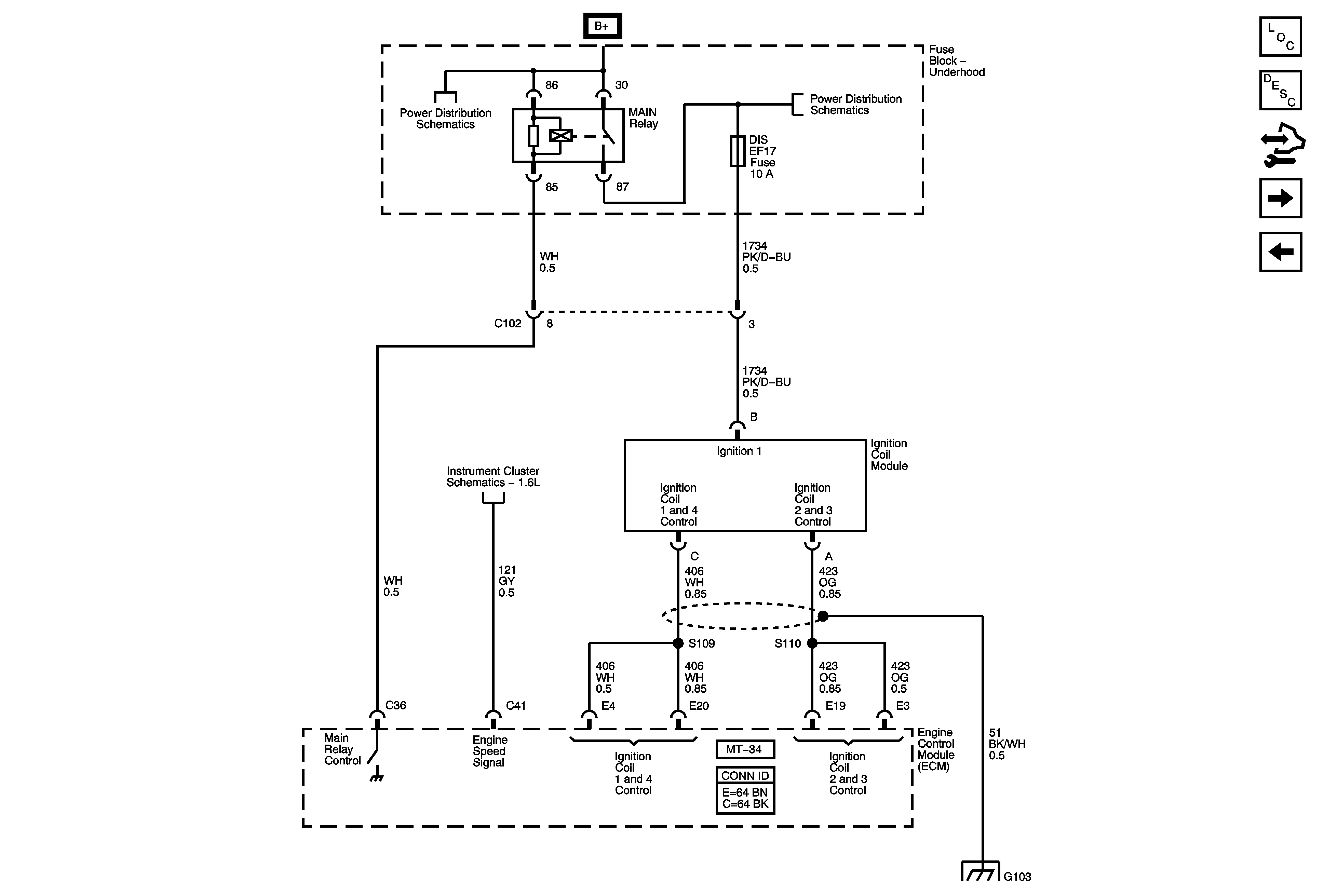
Figure 6:

Ignition Coil Module


Object Number: 1774336  Size: FS
Master Electrical Component List Notchback
Electronic Ignition (EI) System Description
Control Module References
Ignition Controls - Sensors and Clutch Pedal Position (CPP) Switch
Heated Oxygen Sensors (HO2S)
SDM, EMS 1, EMS 2 Fuses
Instrument Cluster Power and Ground, Ambient Temperature, Engine Temperature, Fuel, Speed Gages
G104
Figure 7:

Ignition Controls - Sensors and Clutch Pedal Position Switch


Object Number: 1774338  Size: FS
Master Electrical Component List Notchback
Electronic Ignition (EI) System Description
Control Module References
Fuel Pump and Injectors
Ignition Coil Module
MAIN, FAN, A/C RELAYS, EMS1, EMS2 Fuses - SIRIUS D42, MT34
Starting System
G104
G201 - 1 of 3
Figure 8:

Fuel Pump and Injectors


Object Number: 1774339  Size: FS
Master Electrical Component List Notchback
Fuel System Description
Control Module References
Fuel Controls and Rough Road Sensor
Ignition Controls - Sensors and Clutch Pedal Position (CPP) Switch
SDM, EMS 1, EMS 2 Fuses
ABS, HAZARD, ECU, FUEL PUMP Fuses
Instrument Cluster Power and Ground, Ambient Temperature, Engine Temperature, Fuel, Speed Gages
G401, G402
G104
Figure 9:

Fuel EVAP Controls and Rough Road Sensor


Object Number: 1774340  Size: FS
Master Electrical Component List Notchback
Evaporative Emission Control System Description
Control Module References
Controlled/Monitored Subsystem References
Fuel Pump and Injectors
MAIN, FAN, A/C RELAYS, EMS1, EMS2 Fuses - SIRIUS D42, MT34
SDM, EMS 1, EMS 2 Fuses
MAIN, FAN, A/C RELAYS, EMS1, EMS2 Fuses - SIRIUS D42, MT34
Compressor Controls Sirius D42
Instrument Cluster Power and Ground, Ambient Temperature, Engine Temperature, Fuel, Speed Gages
Figure 10:

Controlled/Monitored Subsystem References


Object Number: 1774343  Size: FS
Master Electrical Component List Notchback
Engine Control Module Description
Control Module References
Fuel Controls and Rough Road Sensor
Electronic Brake Control Module (EBCM) Power and Ground Distribution, Serial Data, Lamp Driver Module and Stop Lamp Switch
Instrument Cluster Power and Ground, Ambient Temperature, Engine Temperature, Fuel, Speed Gages
MR140, HV240
Blower Controls
Cruise Control Schematics