GM Service Manual Online
For 1990-2009 cars only

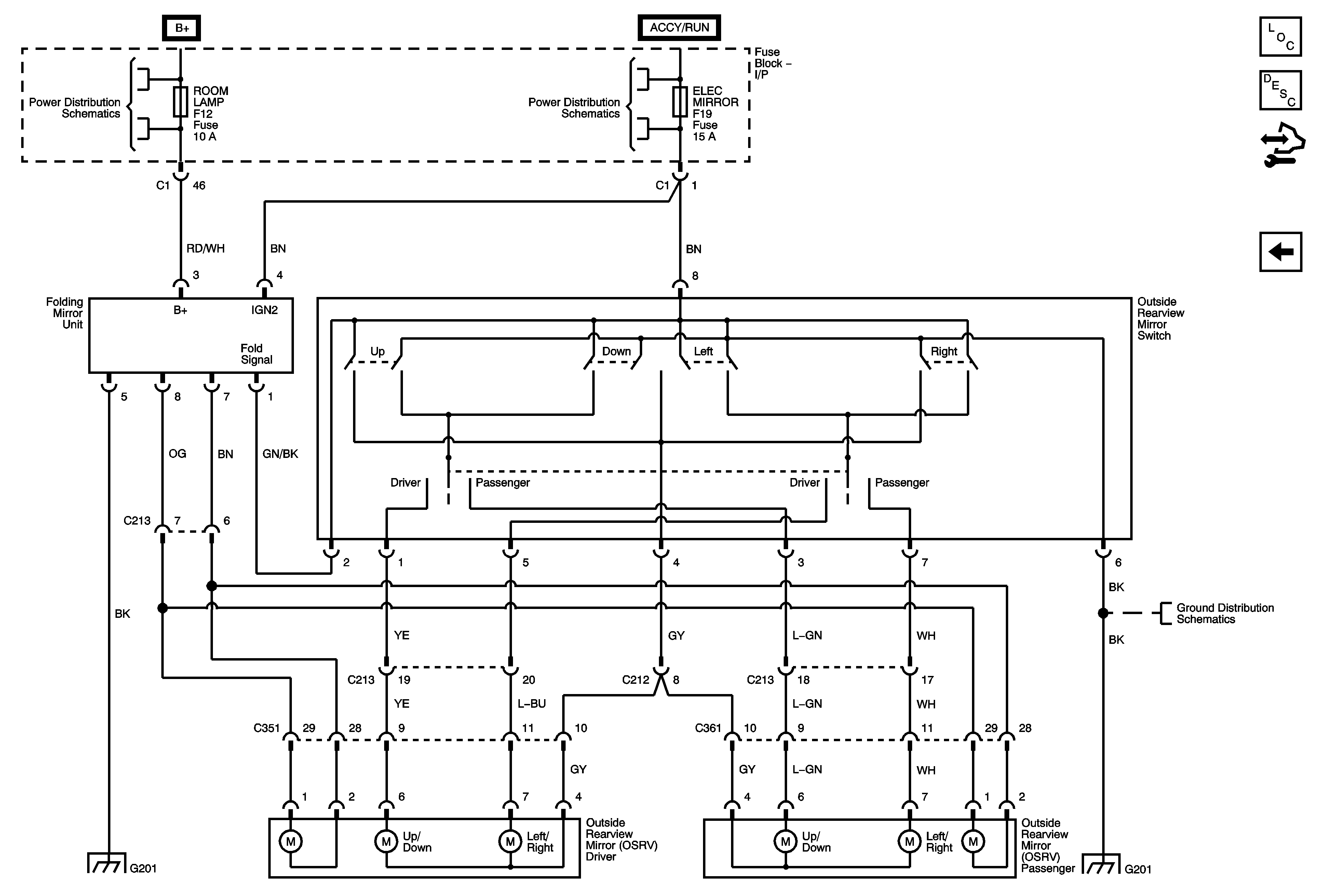
Outside Rearview Mirror Schematics Notchback

Figure 1:

Power Mirrors


Object Number: 1736664  Size: FS
Master Electrical Component List Notchback
Outside Mirror Description and Operation
Control Module References
Folding Mirrors
ACC/IG 1 Fuse, Ignition Switch, B/UP LAMP, ELEC MIRROR Fuses
Defogger Schematics
Defogger Schematics
G201 - 1 of 3
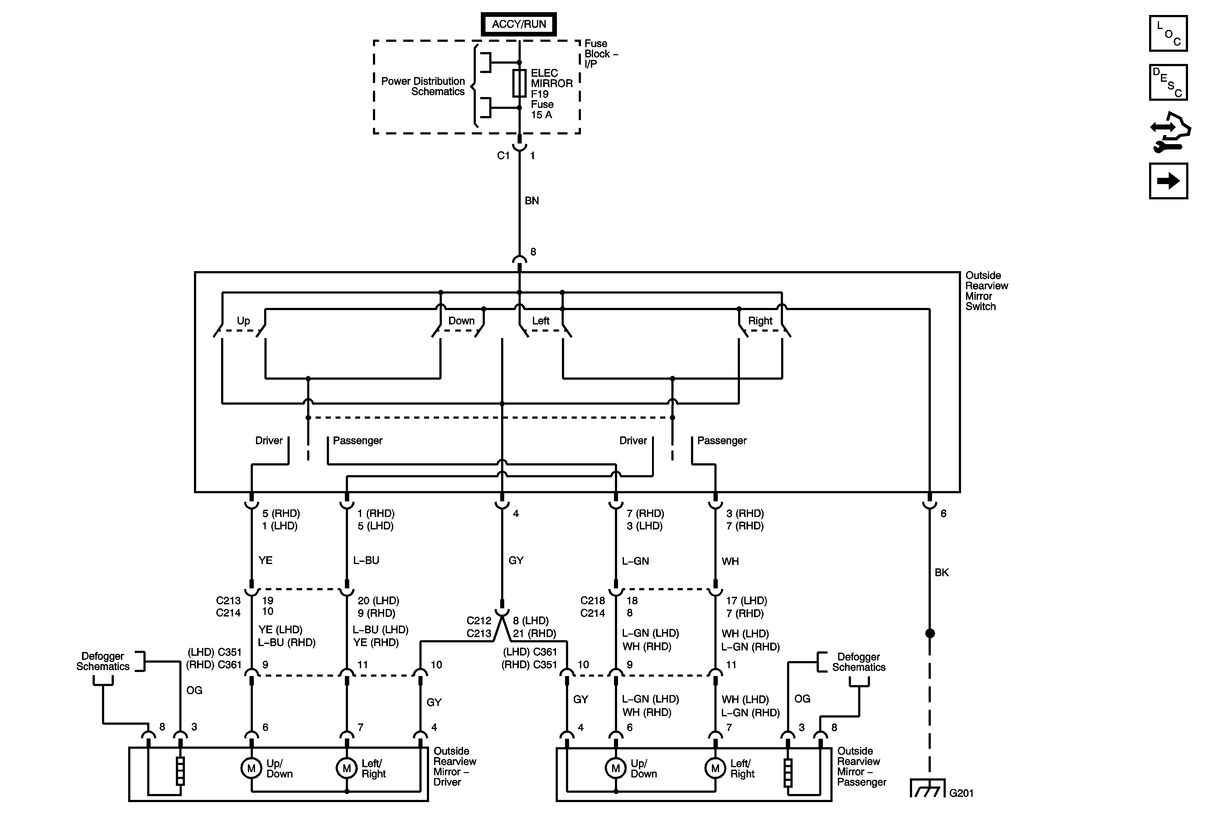
Figure 2:

Folding Mirrors


Object Number: 1750575  Size: FS
Master Electrical Component List Notchback
Outside Mirror Description and Operation
Control Module References
Power Mirrors
ROOM LAMP, SUNROOF, SPARE Fuses
ACC/IG 1 Fuse, Ignition Switch, B/UP LAMP, ELEC MIRROR Fuses
G201 - 1 of 3
G201 - 1 of 3
G201 - 1 of 3

Outside Rearview Mirror Schematics Hatchback

Figure 1:

Pass Only


Object Number: 1630251  Size: FS
Master Electrical Component List (Hatchback)
Outside Rearview Mirrors Dual
Battery Feed
Battery Feed
Defogger
Ground Distribution G301
Figure 2:

Dual


Object Number: 1680316  Size: FS
Master Electrical Component List (Hatchback)
Outside Rearview Mirrors Pass Only
Battery Feed
Battery Feed
Ground Distribution G101, G102 - 1 of 2 and G105
Defogger
Defogger
Ground Distribution G301