GM Service Manual Online
For 1990-2009 cars only
Makes
🢒
Holden
🢒
2008
🢒
Barina
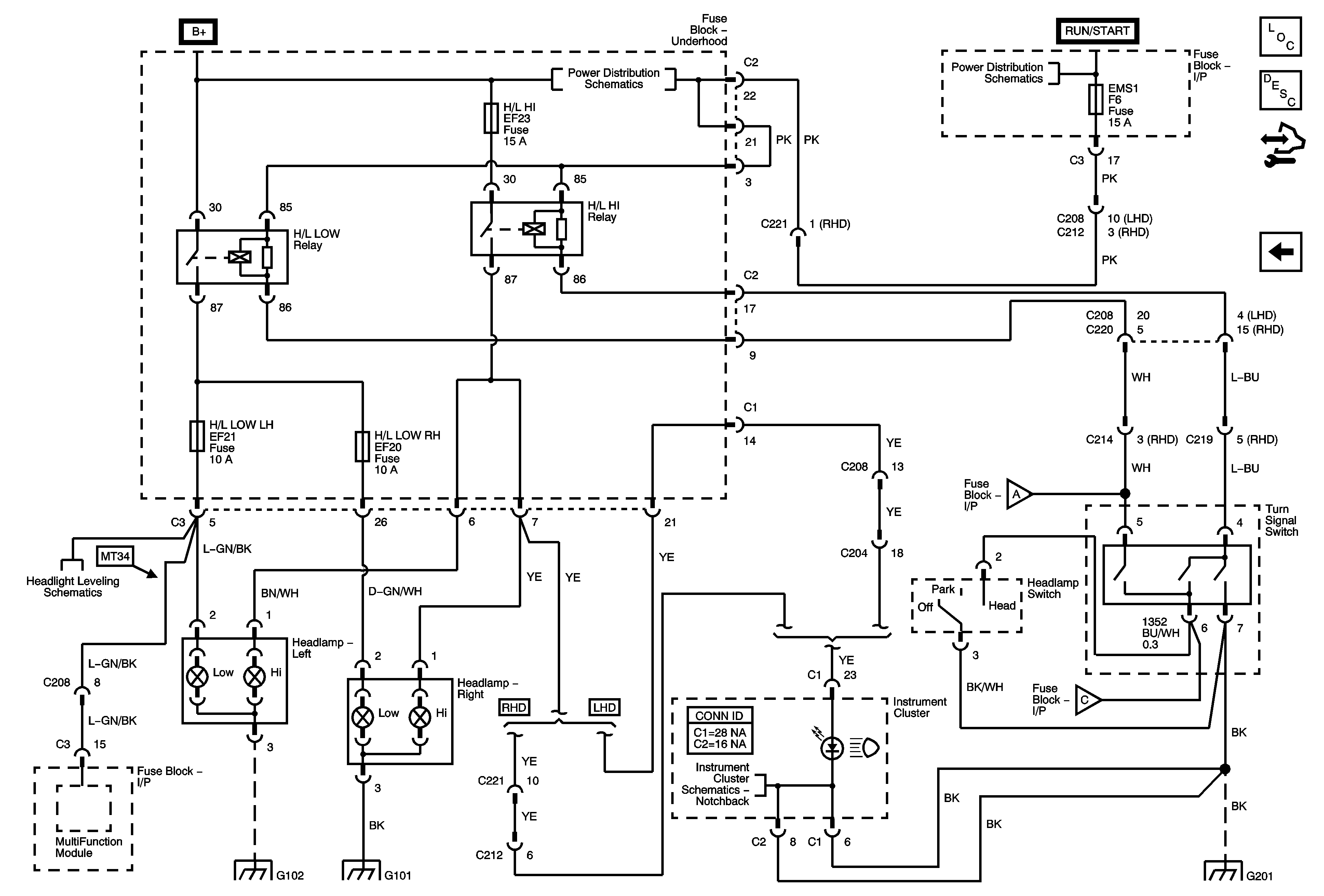
🢒 Headlamp and Turn Signal Switch
Headlamp and Turn Signal Switch
Headlamps and Turn Signal Switch
Master Electrical Component List Notchback
Exterior Lighting Systems Description and Operation
Control Module References
Oil Pressure and Headlamp Switch
Headlamp, Fog Lamp Relays and Fuses, BATT Fuse
SDM, EMS 1, EMS 2 Fuses
Headlamp Leveling Schematics
Oil Pressure and Headlamp Switch
Oil Pressure and Headlamp Switch
Turn, High Beam, Fog Indicators, Instrument Cluster Illumination
G102
G101, G103, G104
G201 - 1 of 3