GM Service Manual Online
For 1990-2009 cars only
Makes
🢒
Holden
🢒
2008
🢒
Barina
🢒 Battery Saver Schematics
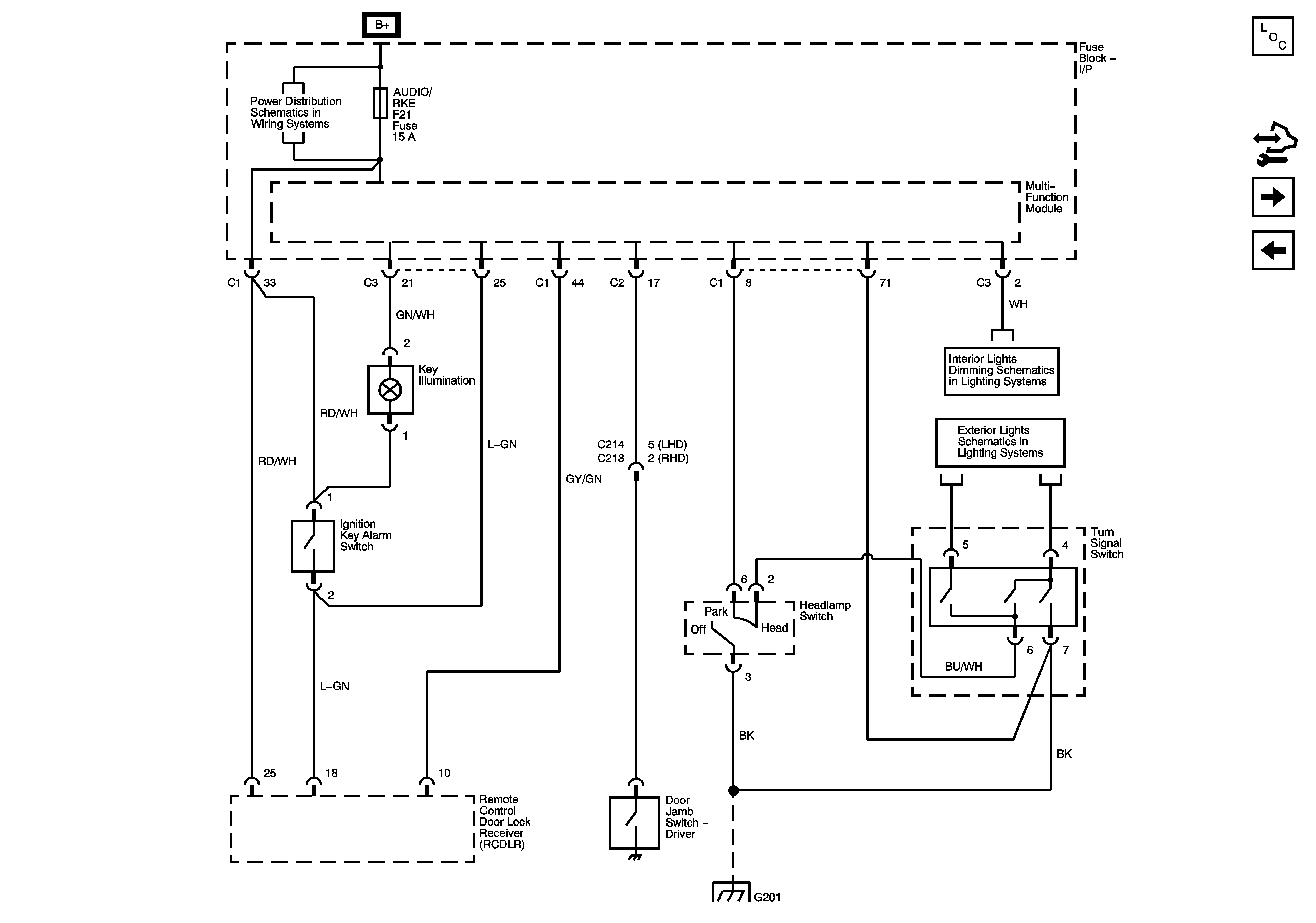
Battery Saver Schematics
Battery Saver
Master Electrical Component List Notchback
Control Module References
Tail Lamp Assembly and Backup Lamp Switch
Turn Signals
AUDIO/RKE, DEFOGGER, DEFOG MIRROR Fuses
Interior Lights Dimming Schematics (1 of 2)
Park and Turn Indicator Lamps
G201 - 1 of 3