GM Service Manual Online
For 1990-2009 cars only
Makes
🢒
Holden
🢒
2008
🢒
Barina
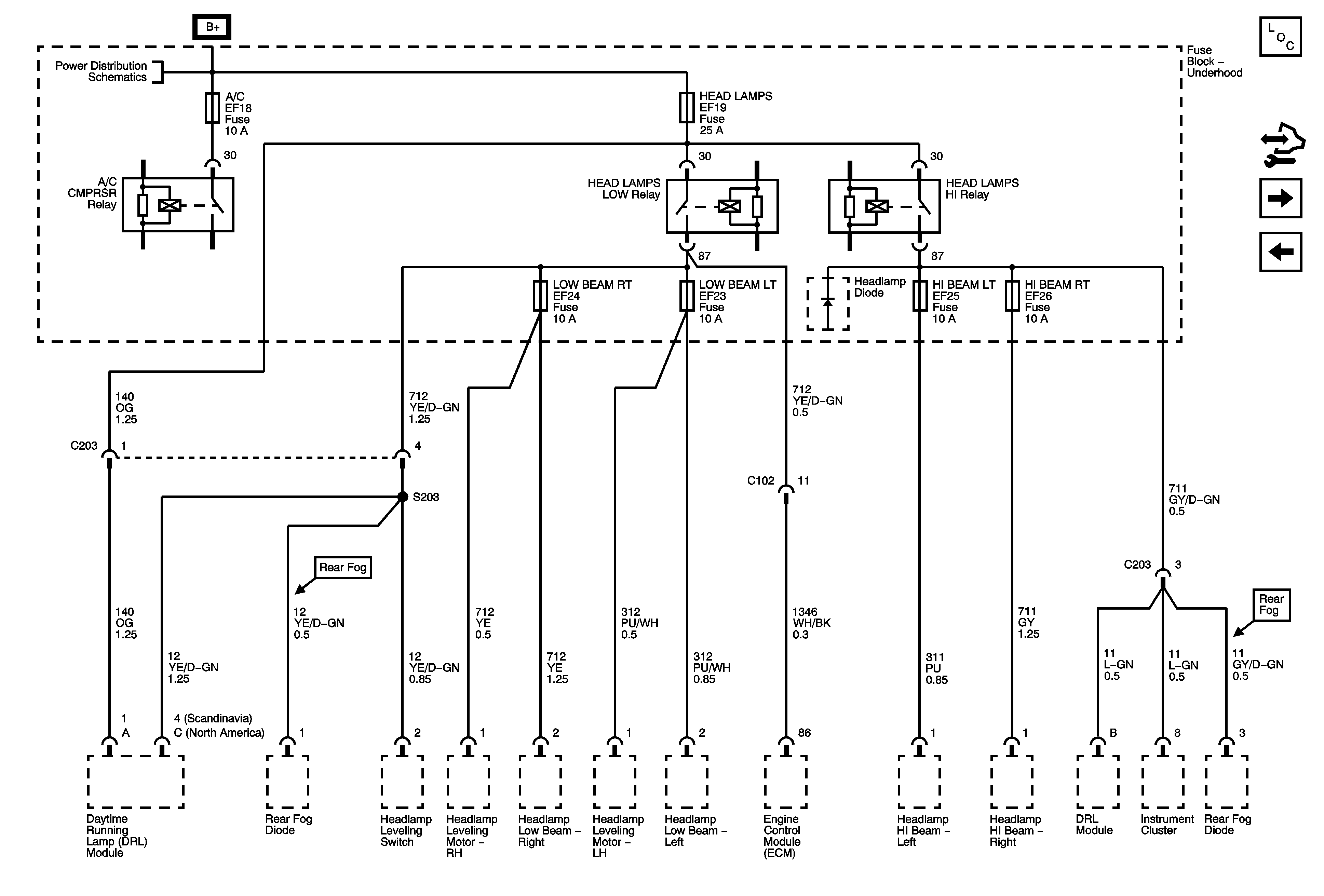
🢒 Power Distribution Fuses EF18, 19, 23, 24, 25 and 26
Power Distribution Fuses EF18, 19, 23, 24, 25 and 26
Fuse Block - Underhood EF18, EF19, EF23, EF24, EF25, EF26 Fuses, A/C CMPRSR, HEAD LAMPS LOW and HEAD LAMPS HI Relays
Master Electrical Component List (Hatchback)
Control Module References
Power Distribution Fuses EF7,F12, 13, 14, 15, 16 and 23
Power Distribution Fuses EF14 - 2 of 2 EF9 and 22
Battery Feed