GM Service Manual Online
For 1990-2009 cars only
Makes
🢒
Holden
🢒
2008
🢒
Barina
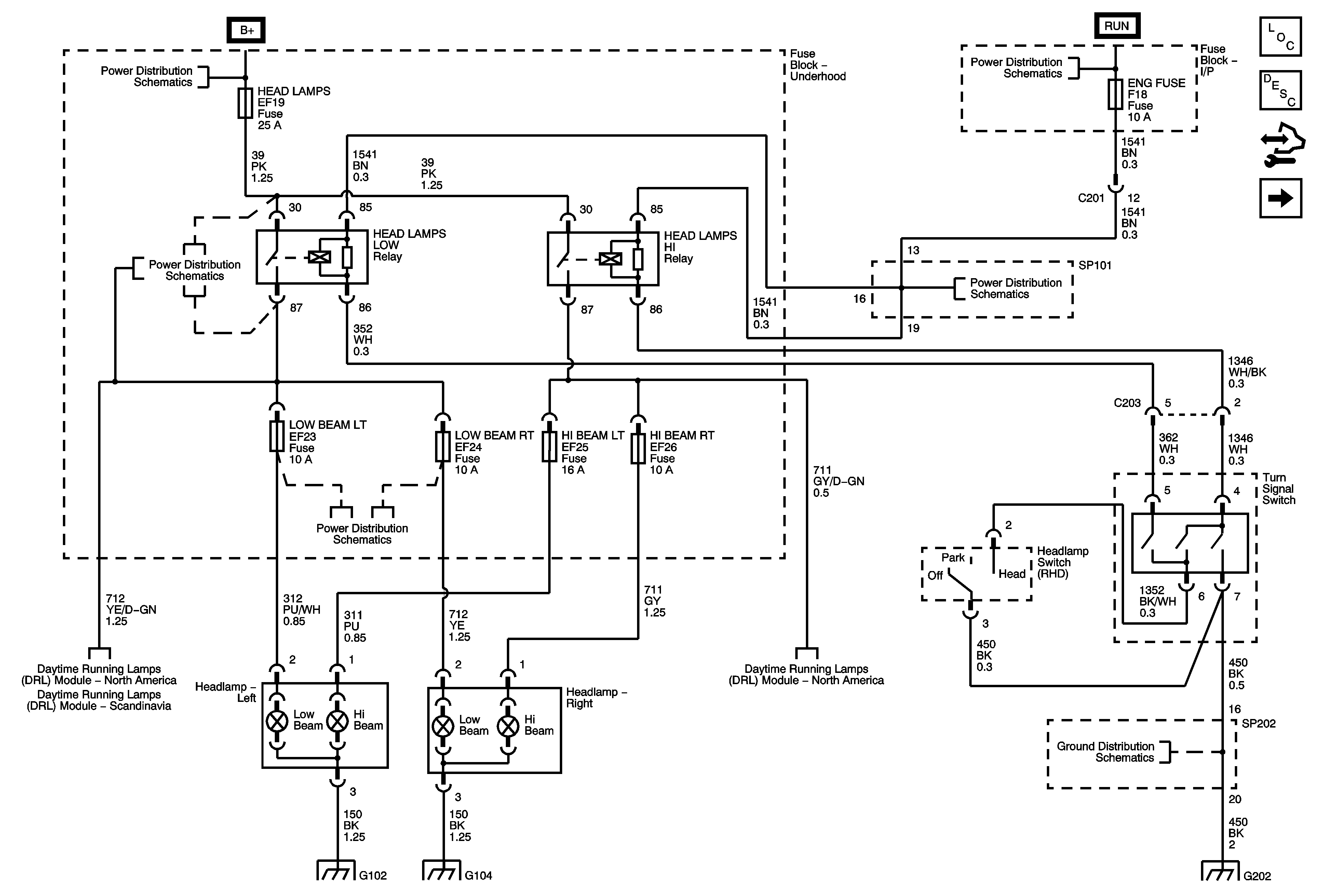
🢒 Headlights
Headlights
Headlights
Master Electrical Component List (Hatchback)
Exterior Lighting Systems Description and Operation
Control Module References
DRL - North America
Power Distribution Fuses EF18, 19, 23, 24, 25 and 26
Power Distribution Fuse F18
Power Distribution Fuses EF18, 19, 23, 24, 25 and 26
Power Distribution Fuse F18
Power Distribution Fuses EF18, 19, 23, 24, 25 and 26
DRL - North America
DRL - Scandinavia
DRL - North America
Ground Distribution G202 - 2 of 3
G102 - 2 of 2
G104
Ground Distribution G202 - 1 of 3