GM Service Manual Online
For 1990-2009 cars only
Makes
🢒
Holden
🢒
2008
🢒
Barina
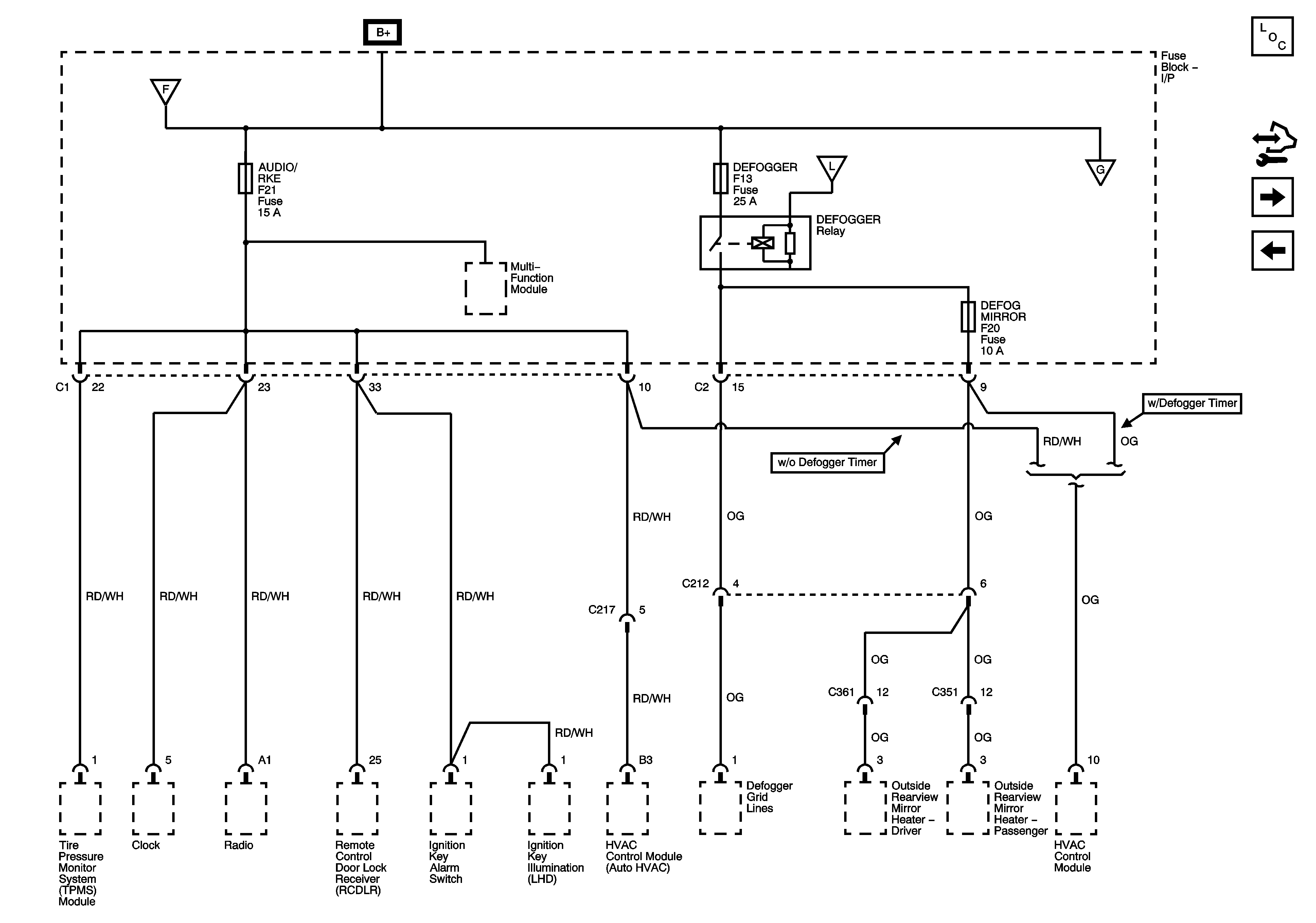
🢒 Fuse Block - I/P AUDIO/RKE, DEFOGGER, DEFOG MIRROR Fuses and DEFOGGER Relay
Fuse Block - I/P AUDIO/RKE, DEFOGGER, DEFOG MIRROR Fuses and DEFOGGER Relay
Fuse Block - I/P AUDIO/ RKE, DEFOGGER, DEFOG MIRROR, Fuses and DEFOGGER Relay
Master Electrical Component List Notchback
Control Module References
HORN, WIPER, DOOR LOCK, RR FOG Fuses and Relays
ROOM LAMP, SUNROOF, SPARE Fuses
ROOM LAMP, SUNROOF, SPARE Fuses
ACC/IG 1 Fuse, Ignition Switch, B/UP LAMP, ELEC MIRROR Fuses
HORN, WIPER, DOOR LOCK, RR FOG Fuses and Relays