GM Service Manual Online
For 1990-2009 cars only
Makes
🢒
Holden
🢒
2008
🢒
Barina
🢒 Notchback
Notchback
Notchback
Master Electrical Component List Notchback
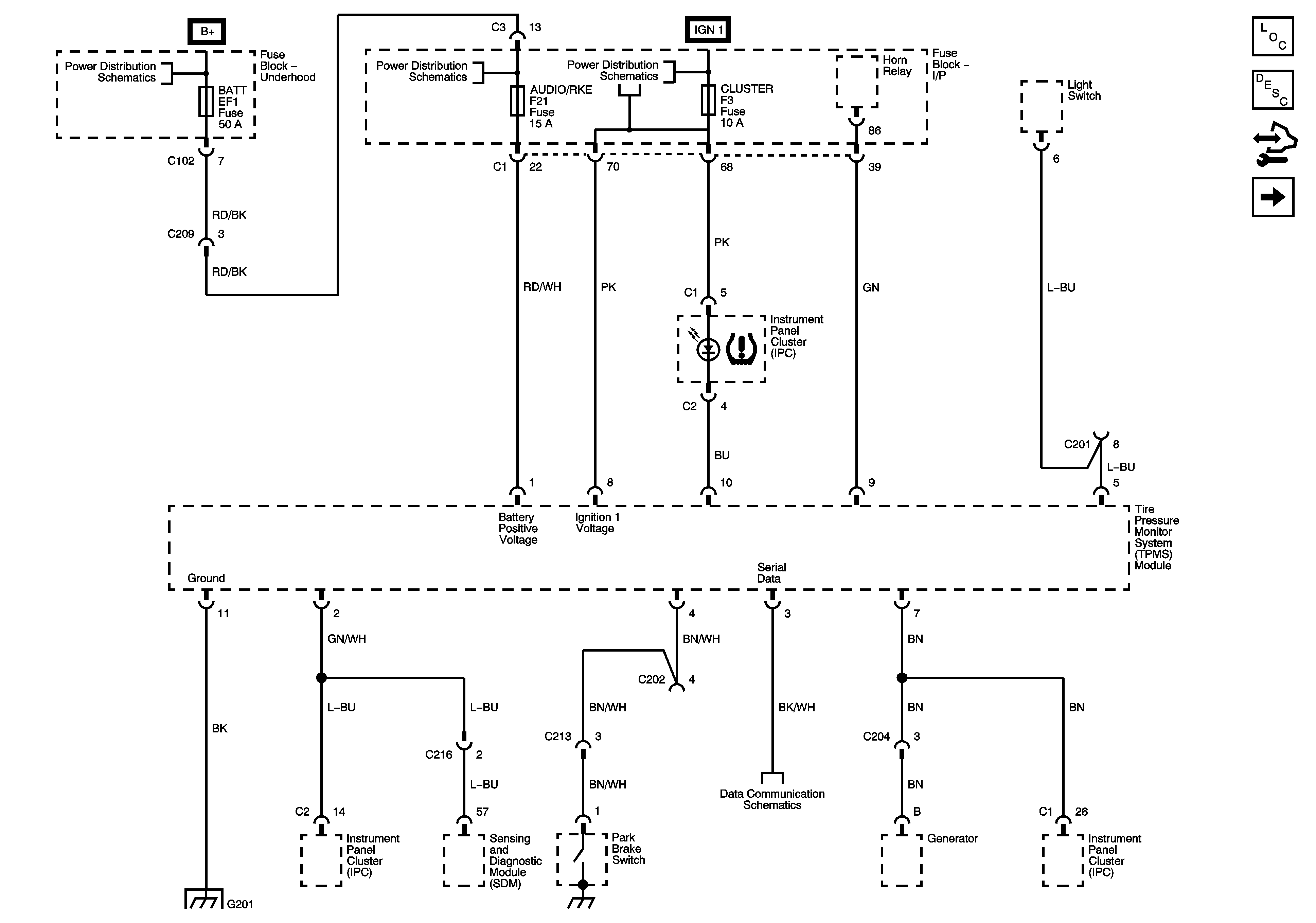
Tire Pressure Monitor Description and Operation
Control Module References
Hatchback
Headlamp, Fog Lamp Relays and Fuses, BATT Fuse
Fuse Block - Underhood IGN 2/ST Fuse, Ignition Switch, Fuse Block - I/P, AUDIO/CLOCK, CIGAR, CLUSTER, T/SIG Fuses
Fuse Block - I/P AUDIO/RKE, DEFOGGER, DEFOG MIRROR Fuses and DEFOGGER Relay
Data Communication Schematics
G201 - 1 of 3