GM Service Manual Online
For 1990-2009 cars only
Makes
🢒
Holden
🢒
2007
🢒
Captiva
🢒 Front Wiper System
Front Wiper System
Front Wiper System
Master Electrical Component List
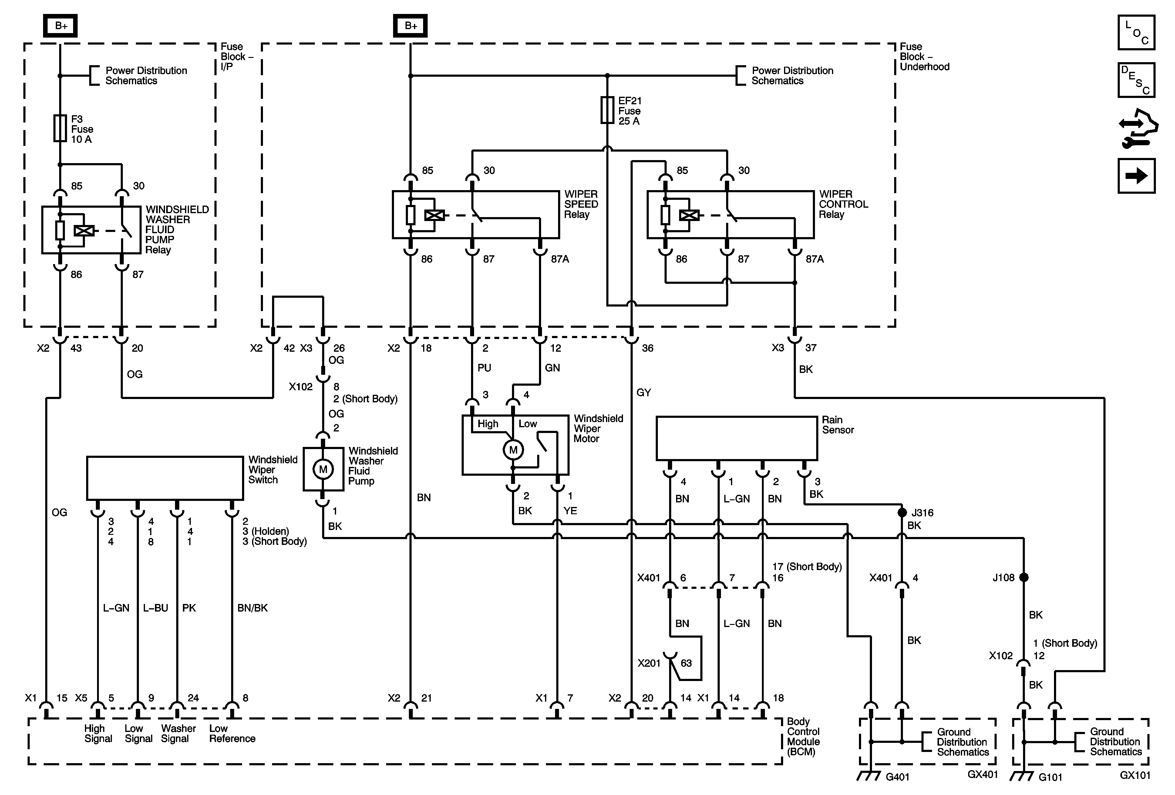
Wiper/Washer System Description and Operation
Control Module References
Rear Wiper System
F3, 5, 28, 32, 34 Fuses, Front Washer Pump Relay
EF22, 33, 34 Fuses, Horn, Wipers, Head Lamp Washer Relays
Ground Distribution G401
Ground Distribution G101, G103, G105