GM Service Manual Online
For 1990-2009 cars only
Makes
🢒
Holden
🢒
2007
🢒
Captiva
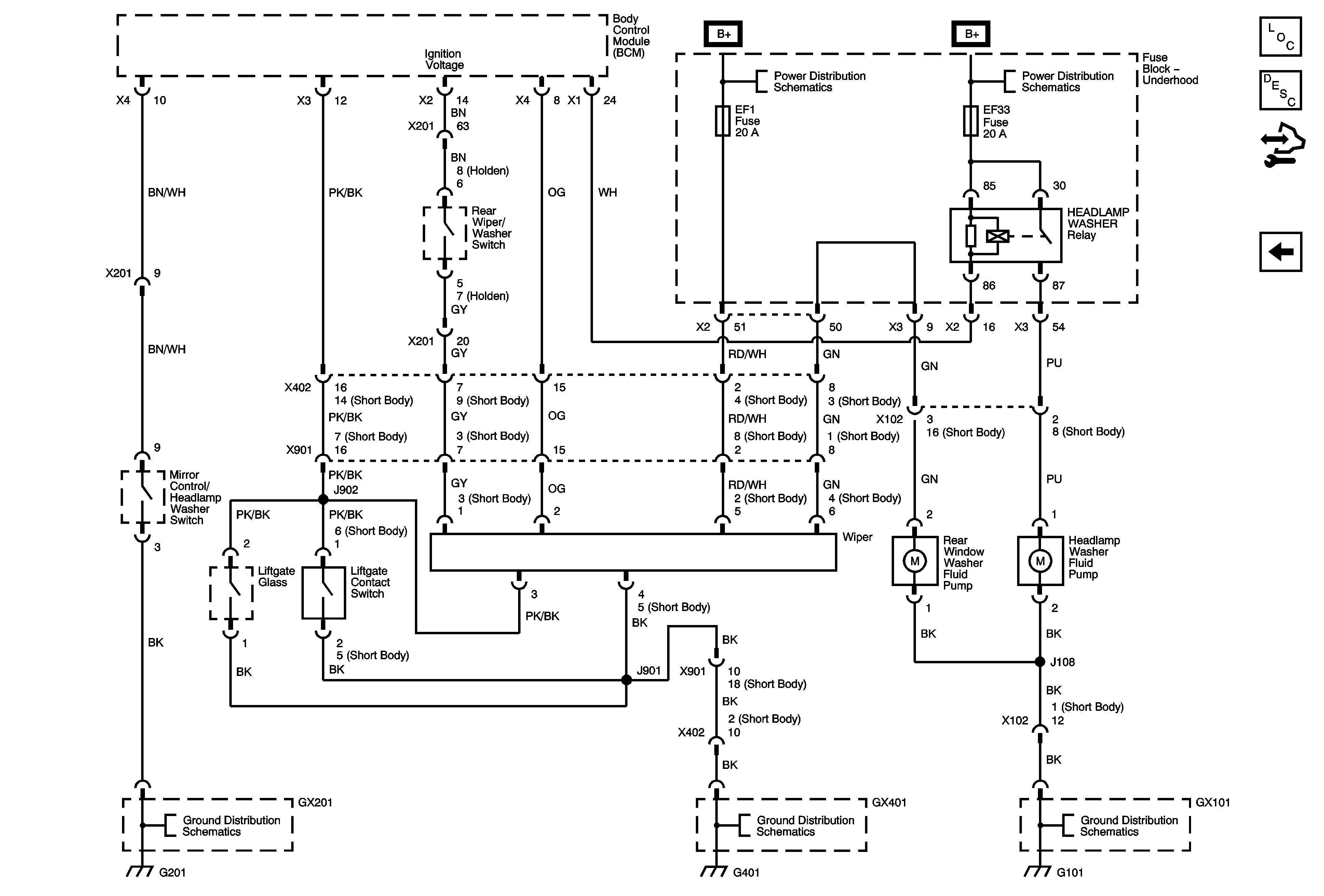
🢒 Rear Wiper System
Rear Wiper System
Rear Wiper System
Master Electrical Component List
Wiper/Washer System Description and Operation
Control Module References
Front Wiper System
EF1, 4, 6, 17, 18, 19, 20, 23 Fuses
EF22, 33, 34 Fuses, Horn, Wipers, Head Lamp Washer Relays
Ground Distribution G201
Ground Distribution G401
Ground Distribution G101, G103, G105