GM Service Manual Online
For 1990-2009 cars only
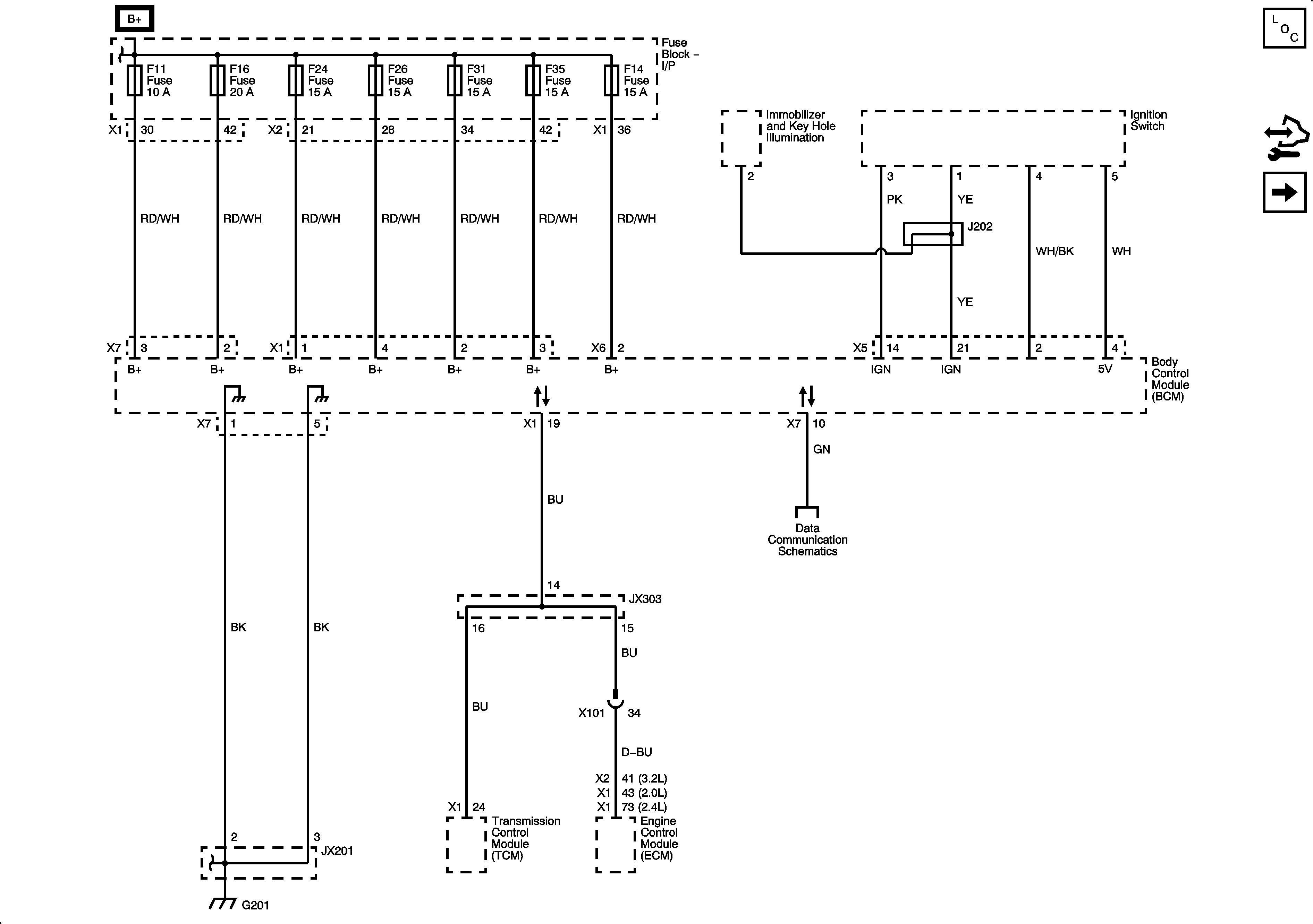
Figure 1:

BCM Power and Ground


Object Number: 1958153  Size: FS
Master Electrical Component List
Control Module References
BCM Relay Controls and CAN
EF2, F11, 12, 14, 16, 19, 24, 26, 31 35 Fuses
Data Link Connector (DLC)
G201 (2 of 2)
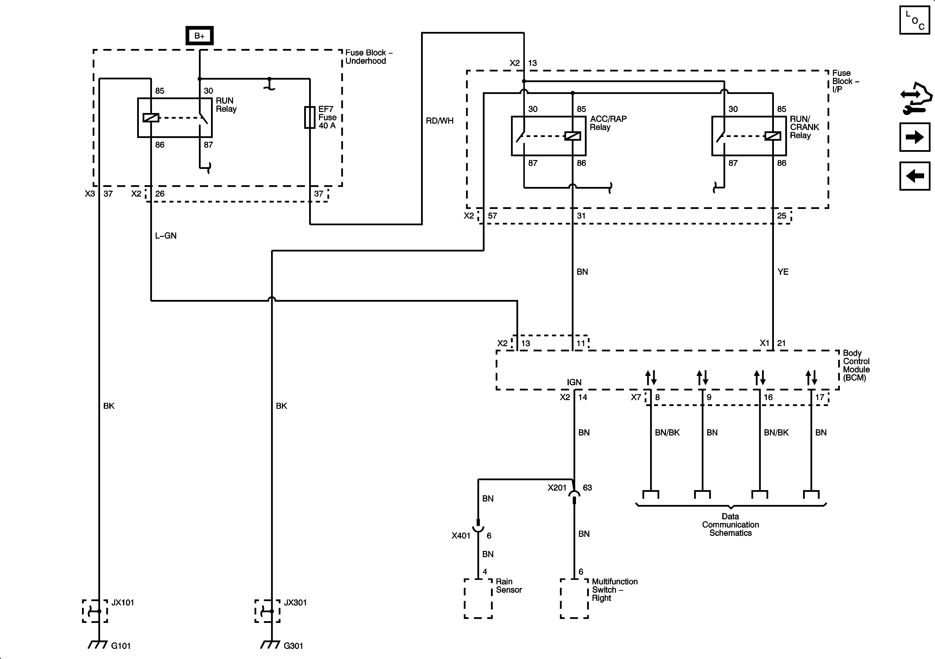
Figure 2:

BCM Relay Controls and CAN


Object Number: 1958156  Size: FS
Master Electrical Component List
Control Module References
BCM Exterior Light Controls
BCM Power and Ground
EF7, F6, 8, 9, 13, 17, 20, 25, 27, 29 Fuses, Run/Crank, Rear Fog Lamps, Outside Rearview Mirror, liftgate Glass Relays
EF7, F6, 8, 9, 13, 17, 20, 25, 27, 29 Fuses, Run/Crank, Rear Fog Lamps, Outside Rearview Mirror, liftgate Glass Relays
EF7, F6, 8, 9, 13, 17, 20, 25, 27, 29 Fuses, Run/Crank, Rear Fog Lamps, Outside Rearview Mirror, liftgate Glass Relays
Data Link Connector (DLC)
Audible Warnings
G301 (1 of 3)
Figure 3:

BCM Exterior Lights Controls


Object Number: 1958158  Size: FS
Master Electrical Component List
Control Module References
BCM Interior Lights Controls
BCM Relay Controls and CAN
Fog Light Schematics
Headlight Schematics
Interior Lights - Dimming
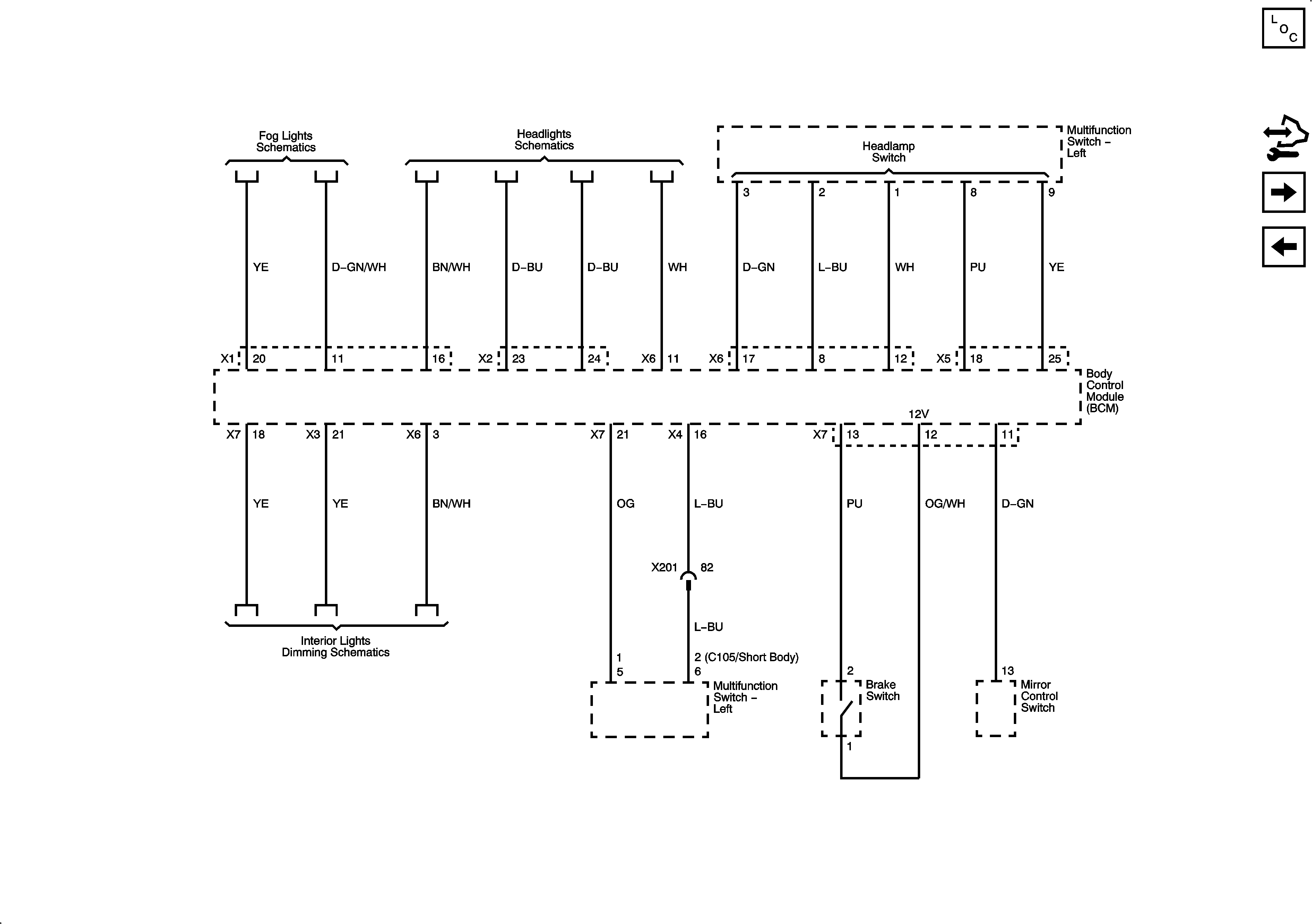
Figure 4:

BCM Interior Lights Controls


Object Number: 1958160  Size: FS
Master Electrical Component List
Control Module References
BCM Wiper Controls
BCM Exterior Light Controls
Interior Lights Schematics
Stop and Backup Lamps
Turn Signal Lamps
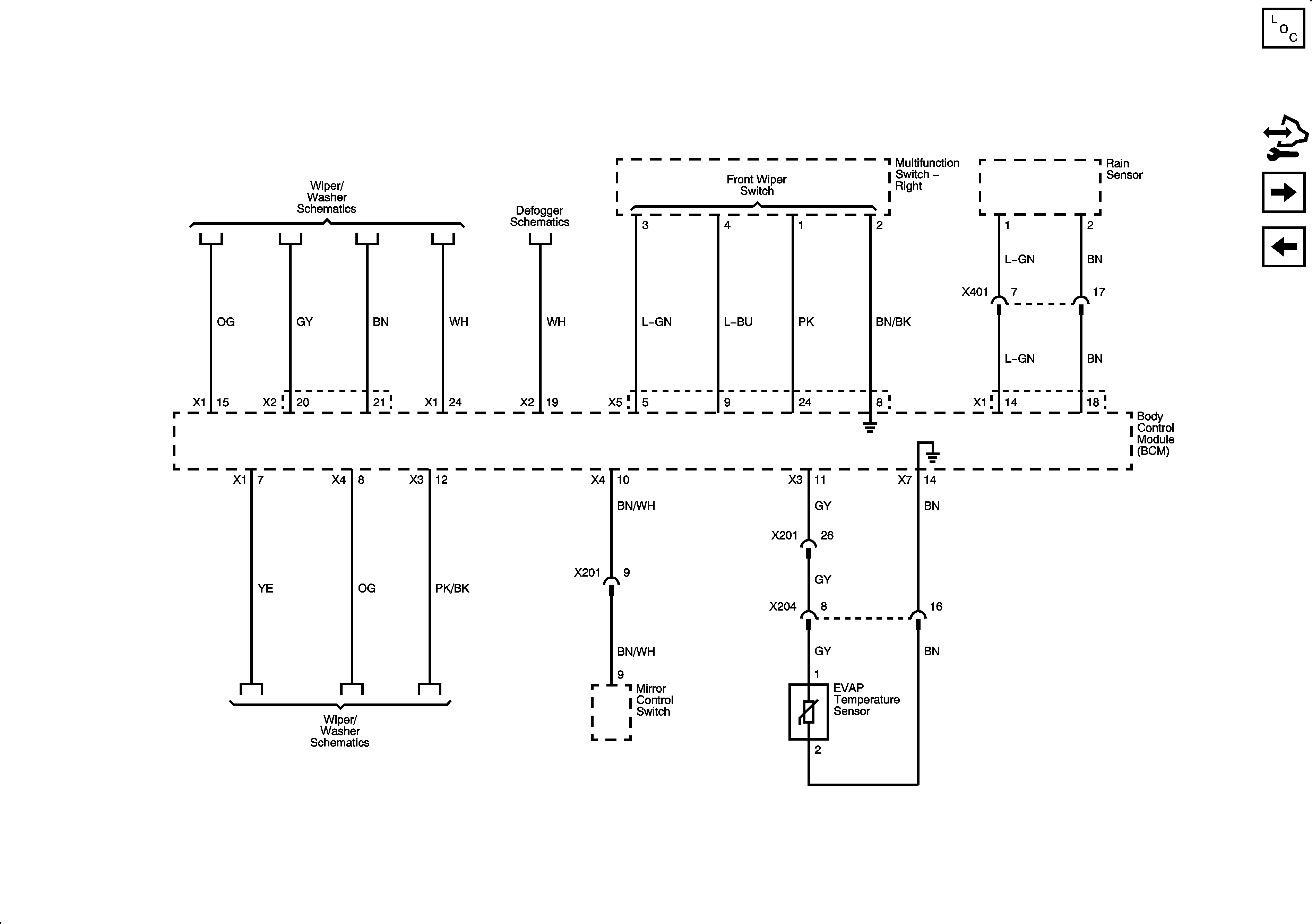
Figure 5:

BCM Wiper Controls


Object Number: 1958161  Size: FS
Master Electrical Component List
Control Module References
BCM Door and Theft Controls
BCM Interior Lights Controls
Liftgate Schematics
Defogger Schematics (United Kingdom, Ireland Only)
Liftgate Schematics
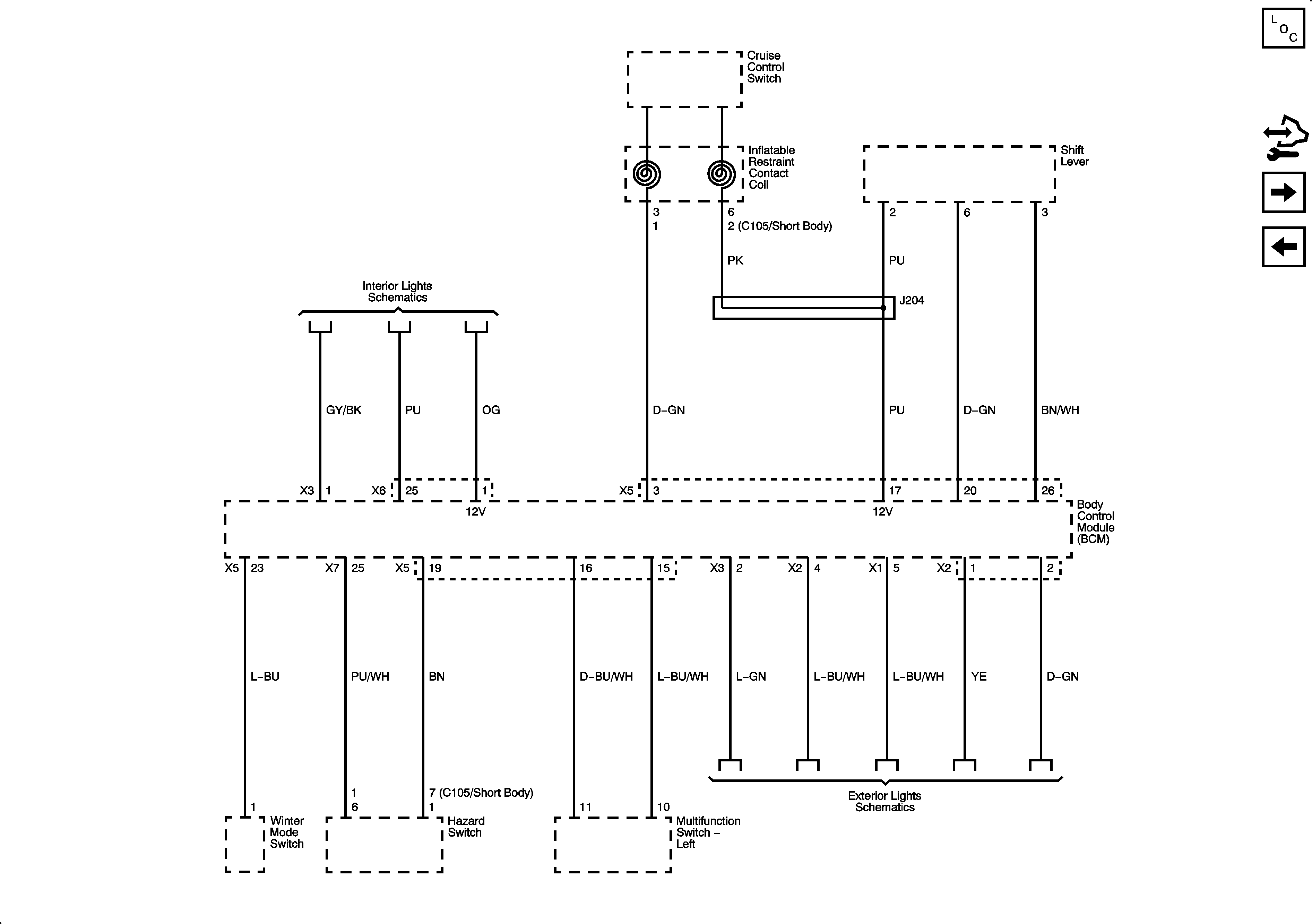
Figure 6:

BCM Door and Theft Controls


Object Number: 1958163  Size: FS
Master Electrical Component List
Control Module References
BCM Window, Mirror, HVAC and Trans Controls
BCM Wiper Controls
Horn Schematics
Door Actuators
Door Latches
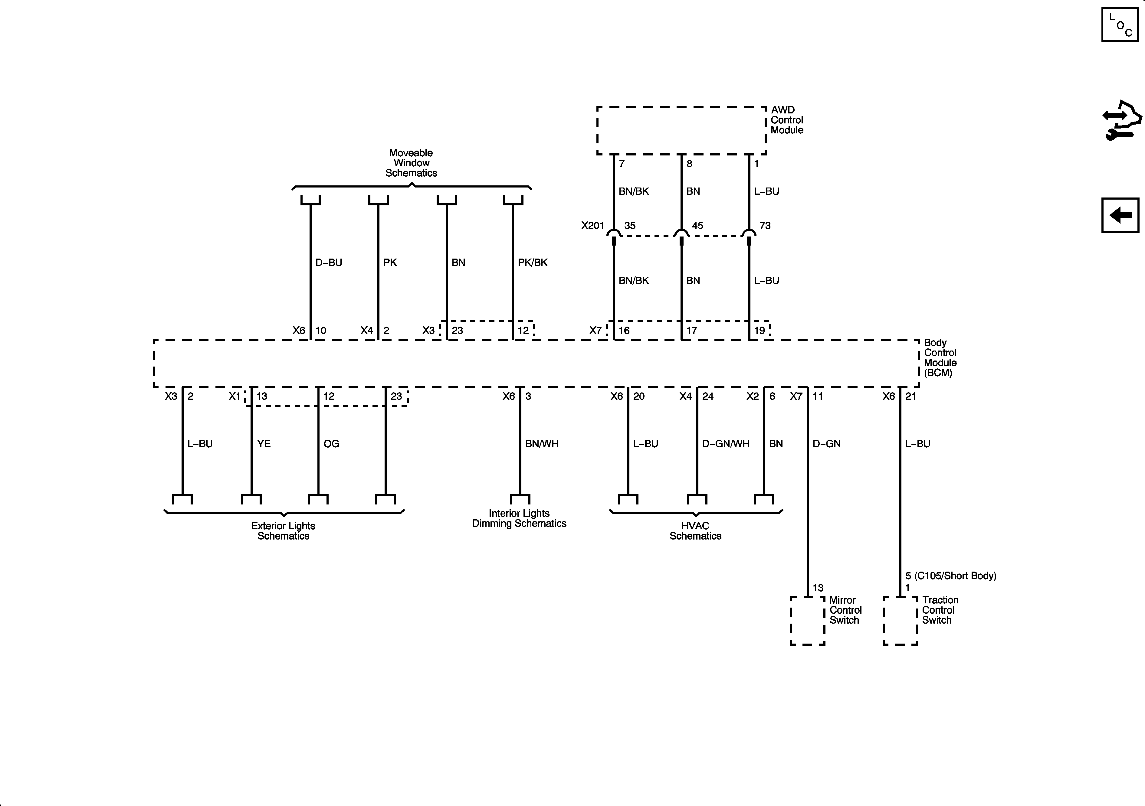
Figure 7:

BCM Window, Mirror, HVAC and Trans Controls


Object Number: 1958165  Size: FS