GM Service Manual Online
For 1990-2009 cars only
Makes
🢒
Holden
🢒
2008
🢒
VE Sedan
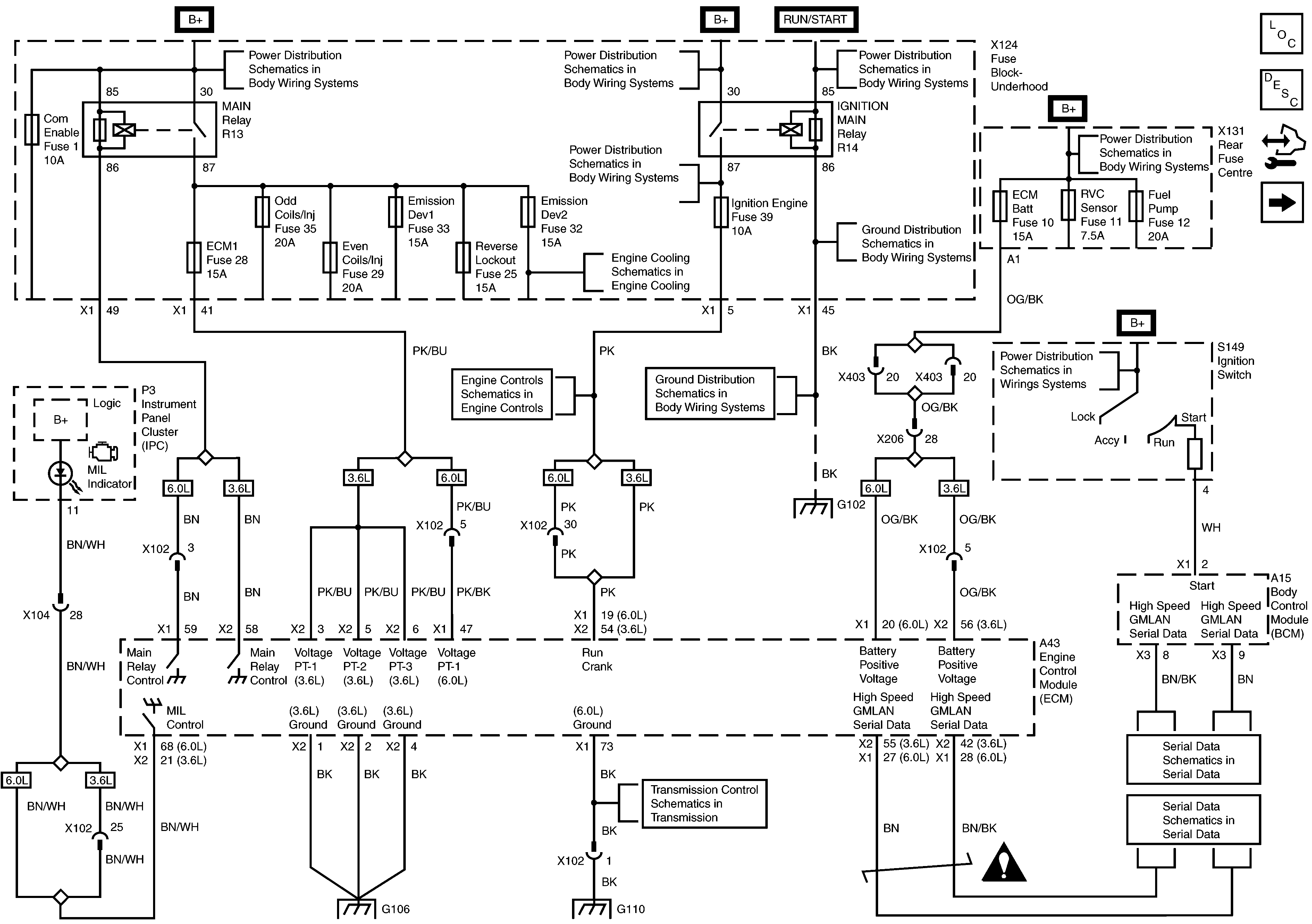
🢒 ECM Power, Ground and Serial Data
ECM Power, Ground and Serial Data
ECM Power, Ground and Serial Data
Master Electrical Component List
Service Programming System (SPS)
Control Module References
Camshaft Position Sensors and Solenoids
G103, G106, G107, G108 and G109 (3.6L)
G101 and G102
Pin Allocation
Pin Allocation
G101 and G102
G101 and G102
PWR.TRN Bus - ECM1, Emission 1 and REV/LOCK Fuses
PWR.TRN Bus - ECM1, Emission 1 and REV/LOCK Fuses
PWR.TRN Bus - ECM1, Emission 1 and REV/LOCK Fuses
PWR.TRN Bus - ECM1, Emission 1 and REV/LOCK Fuses
Batt Main 4, BCM Logic, Console Lighting, IGNSW/Theft and Stop Lamps/Park Assist Fuses and Ignition Switch
B+ Bus - 1 of 2
Battery, Starter and Ignition Switch, Inputs and Outputs
Cooling Fans and Relays
G103, G110, G111 and G112 (6.0L)