GM Service Manual Online
For 1990-2009 cars only
Makes
🢒
Holden
🢒
2009
🢒
VE Sedan
🢒 Cooling Fans and Relays
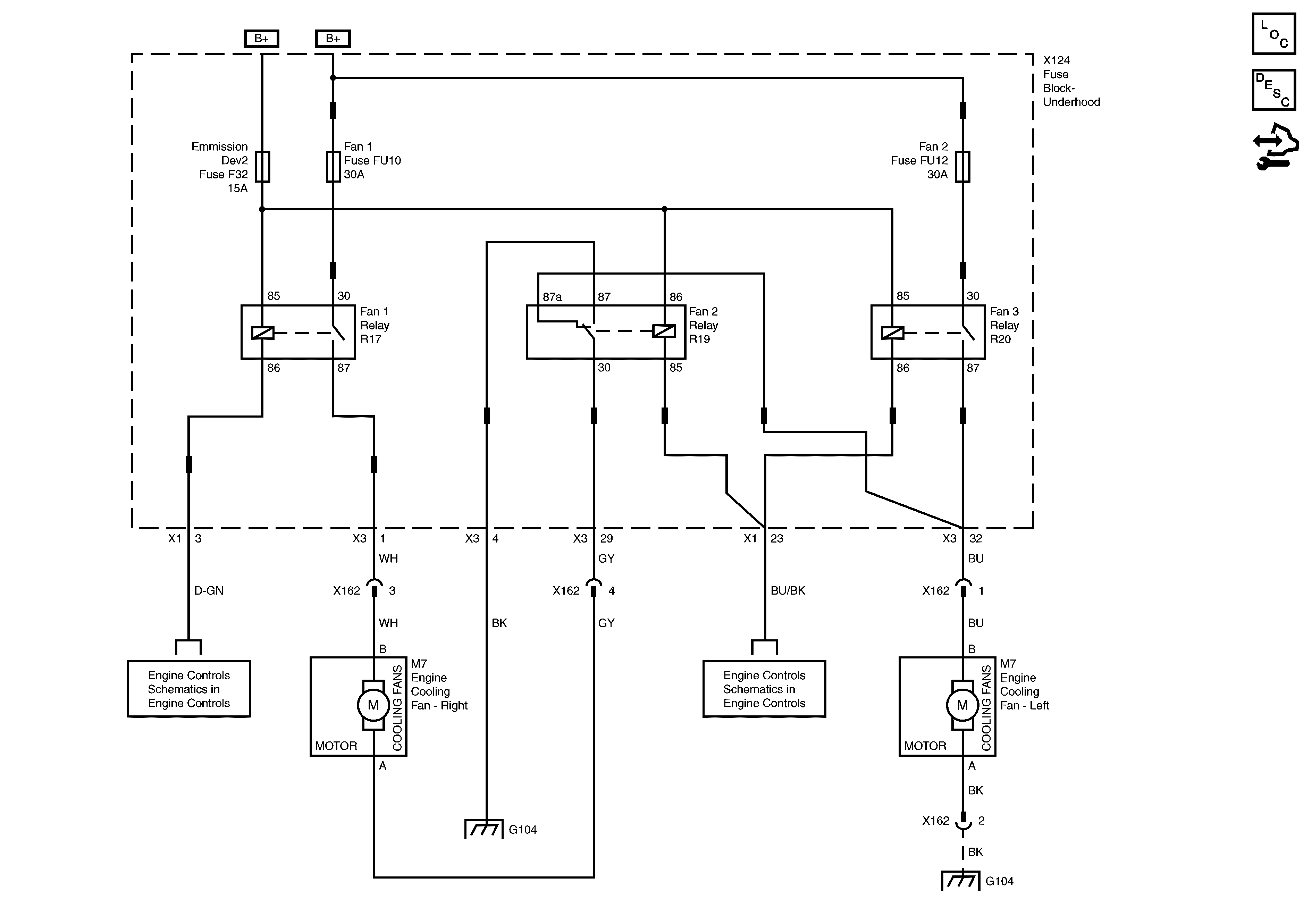
Cooling Fans and Relays
Cooling Fans and Relays
Master Electrical Component List
Cooling System Description and Operation
Control Module References
PWR/TRN Bus - Emission 2 and ODCOIL/INJ Fuses
B+ Bus - 2 of 2
G104
G104
ECM Inputs and Outputs
ECM Inputs and Outputs