GM Service Manual Online
For 1990-2009 cars only
Makes
🢒
Holden
🢒
2009
🢒
VE Sedan
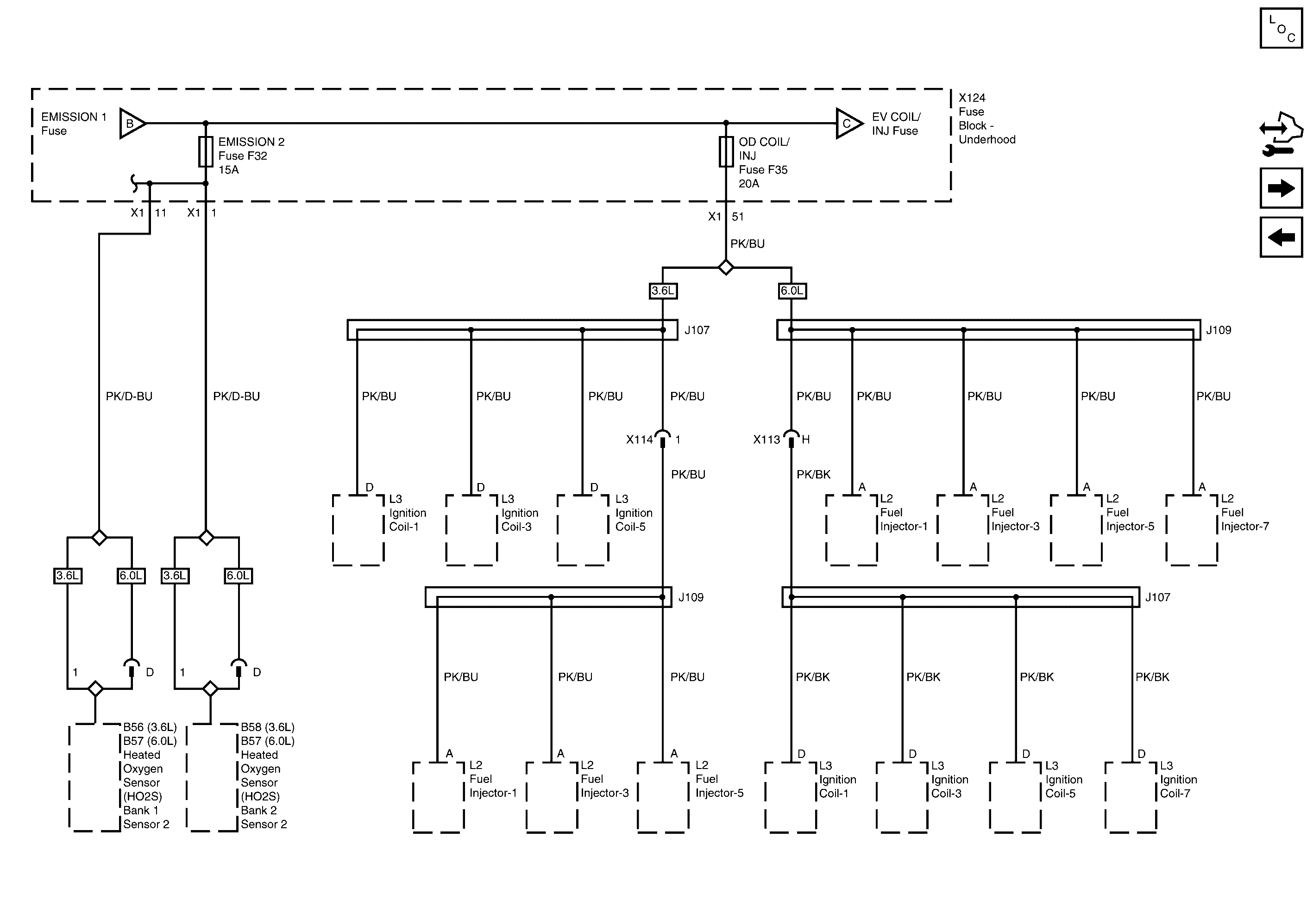
🢒 PWR/TRN Bus - Emission 2 and ODCOIL/INJ Fuses
PWR/TRN Bus - Emission 2 and ODCOIL/INJ Fuses
PWR/TRN BUS - EMISSION 2 and ODCOIL/INJ Fuses
Master Electrical Component List
Control Module References
PWR/TRN BUS - EVCOIL/INJ Fuses
PWR/TRN Bus - ECM 1, Emission 1 and REV/LOCK Fuses
PWR/TRN BUS - EVCOIL/INJ Fuses
PWR/TRN Bus - ECM 1, Emission 1 and REV/LOCK Fuses