GM Service Manual Online
For 1990-2009 cars only
Makes
🢒
Holden
🢒
2009
🢒
VE Sedan
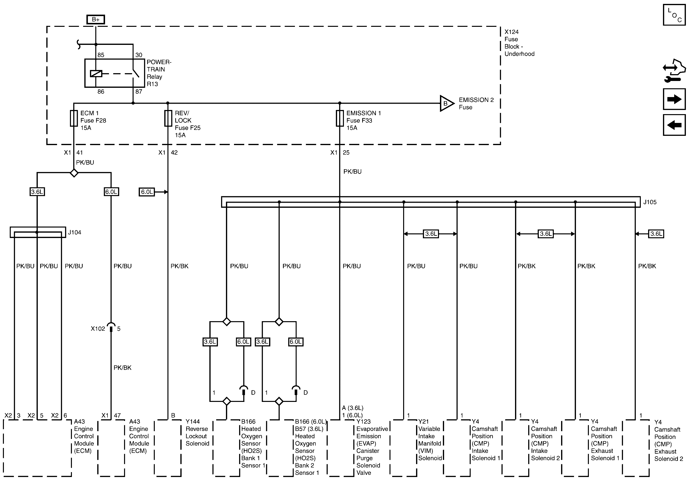
🢒 PWR/TRN Bus - ECM 1, Emission 1 and REV/LOCK Fuses
PWR/TRN Bus - ECM 1, Emission 1 and REV/LOCK Fuses
PWR/TRN Bus - ECM 1, Emission 1 and REV/LOCK Fuses
Master Electrical Component List
Control Module References
PWR/TRN Bus - Emission 2 and ODCOIL/INJ Fuses
Batt Main 2, Console Lighting, BCM Logic, Stop Lamps/Park Assist and IGNSW/Theft Fuses and Ignition Switch
B+ Bus - 2 of 2
PWR/TRN Bus - Emission 2 and ODCOIL/INJ Fuses