GM Service Manual Online
For 1990-2009 cars only
Makes
🢒
Holden
🢒
2009
🢒
VE Sedan
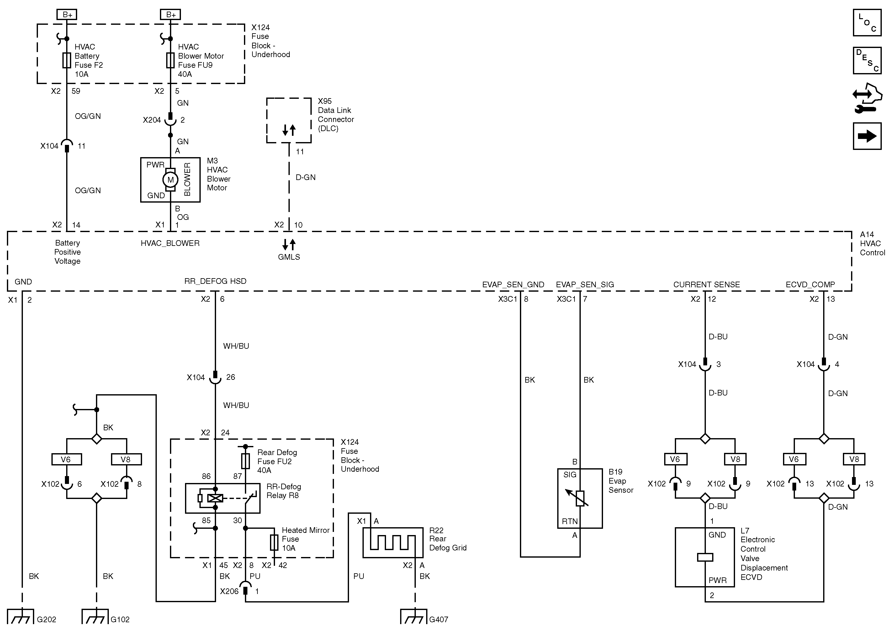
🢒 HVAC Module, Power, Ground, Serial Data, Inputs and Outputs
HVAC Module, Power, Ground, Serial Data, Inputs and Outputs
HVAC Module, Power, Ground, Serial Data, Inputs and Outputs
Master Electrical Component List
Heating and Air Conditioning System Description and Operation
Control Module References
ABS Motor, ABS Valves, HVAC Blower, HVAC Batt and TCM Fuses
ABS Motor, ABS Valves, HVAC Blower, HVAC Batt and TCM Fuses
HVAC Actuators
G202
G102 and G310