GM Service Manual Online
For 1990-2009 cars only
Makes
🢒
Holden
🢒
2009
🢒
VE Sedan
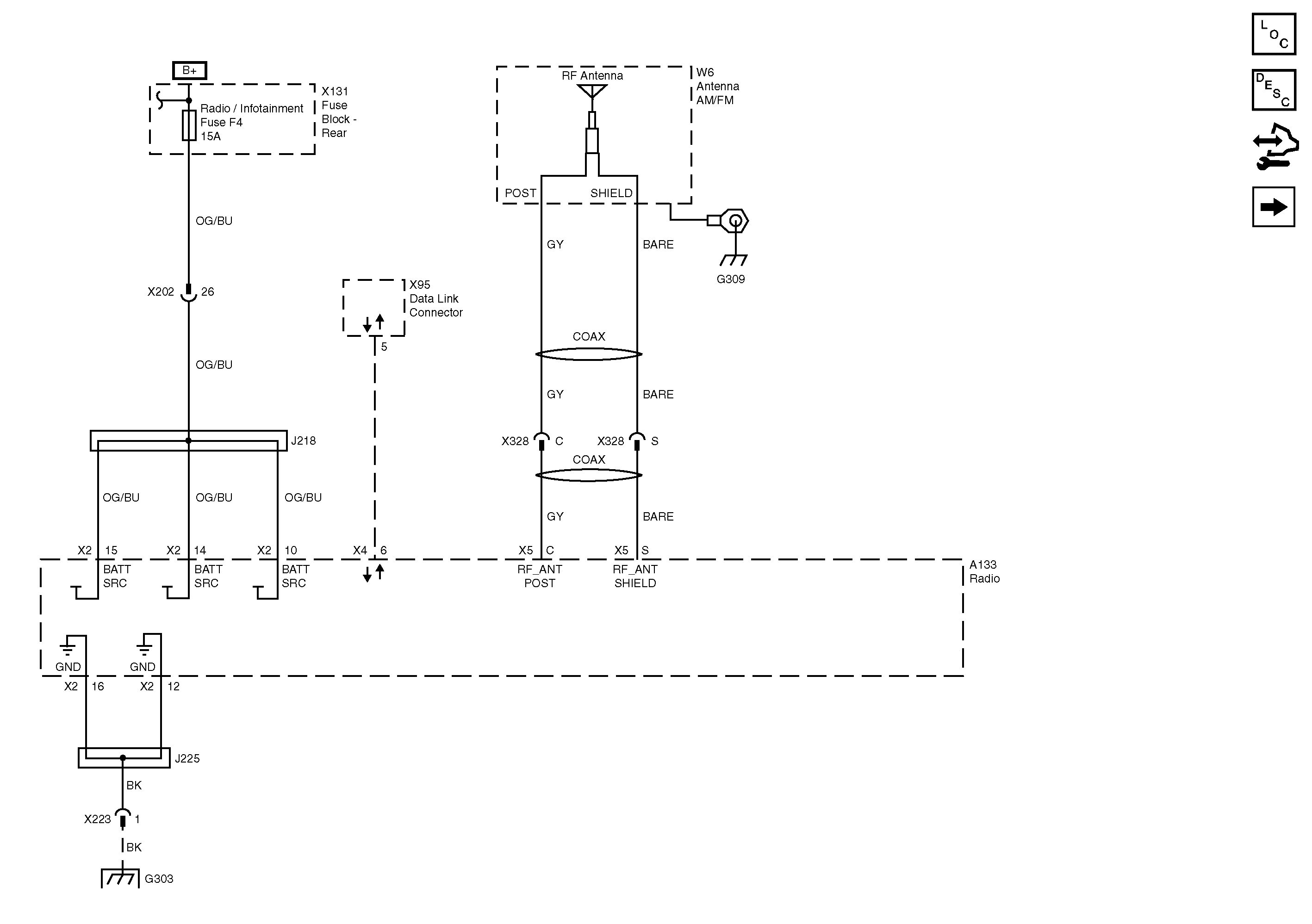
🢒 Radio and AM/FM Antenna
Radio and AM/FM Antenna
Radio and AM/FM Antenna
Master Electrical Component List
Radio/Audio System Description and Operation SWBRHD
Control Module References
Speaker Inputs and Outputs
Rear Main 1, Amplifier, Phone, Radio/Infotainment and INST/DISP/RFA/DLC Fuses
G303, G304 and G308