GM Service Manual Online
For 1990-2009 cars only
Makes
🢒
Holden
🢒
2009
🢒
VE Sedan
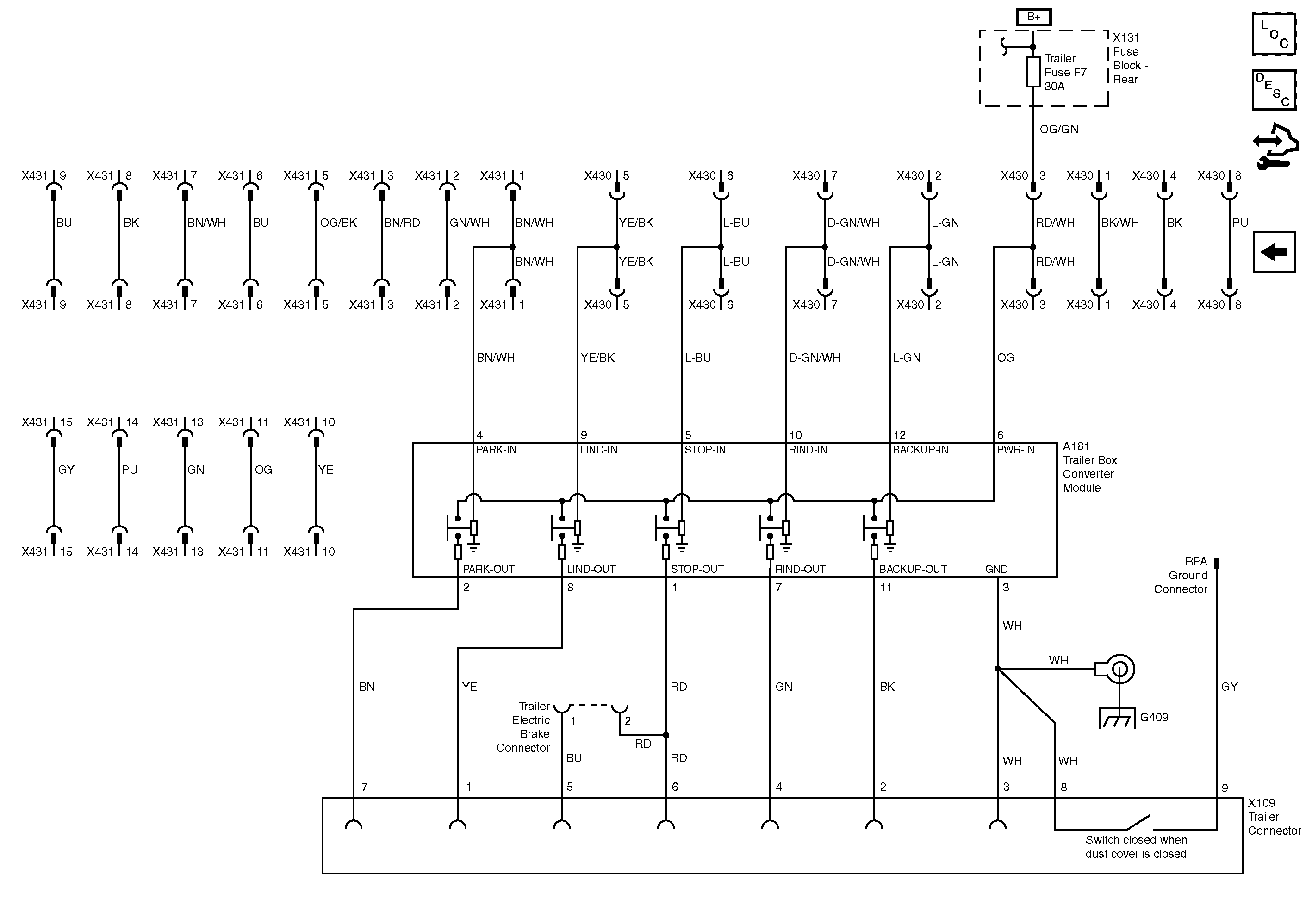
🢒 Trailer Wiring
Trailer Wiring
Trailer Wiring
Master Electrical Component List
Exterior Lighting Systems Description and Operation
Control Module References
Turn Signal Multifuction Switch, Front, Side and Rear Repeater Lamps Power and Ground
ECM, Fuel Pump, Rear Main, RVC Sense and Trailer Fuses