GM Service Manual Online
For 1990-2009 cars only
Makes
🢒
Holden
🢒
2009
🢒
VE Sedan
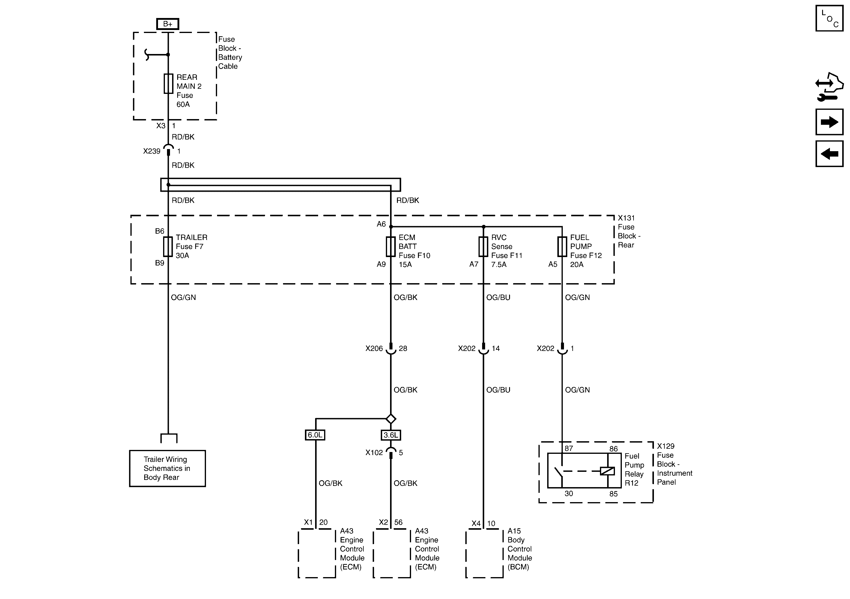
🢒 ECM, Fuel Pump, Rear Main, RVC Sense and Trailer Fuses
ECM, Fuel Pump, Rear Main, RVC Sense and Trailer Fuses
Rear Main 2, ECM, Fuel Pump, RVC Sense and Trailer Fuses
Master Electrical Component List
Control Module References
Batt Main 2, Console Lighting, BCM Logic, Stop Lamps/Park Assist and IGNSW/Theft Fuses and Ignition Switch
Rear Main 1, Amplifier, Phone, Radio/Infotainment and INST/DISP/RFA/DLC Fuses
B+ Bus - 1 of 2
Trailer Wiring