GM Service Manual Online
For 1990-2009 cars only

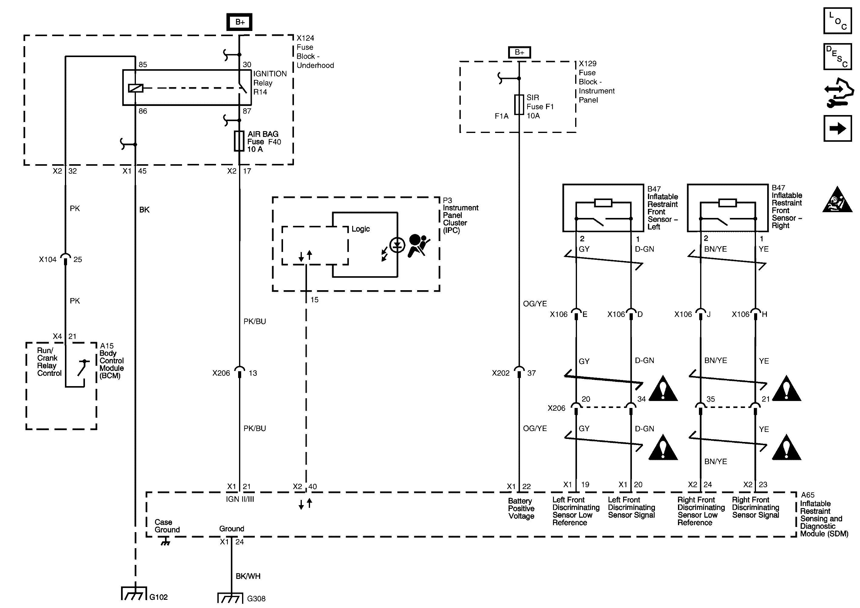
Intlatable Restraint Sensing and Diagnostic Module and Inflatable Restraint Sensors, Power, Ground, Serial Data, Inputs and Outputs

Inflatable Restraint Sensing and Diagnostic Module and Inflatable Restraint Sensors, Power, Ground, Serial Data, Inputs and Outputs


Object Number: 2012564  Size: FS
Master Electrical Component List
SIR System Description and Operation
Control Module References
Inflatable Restraint Steering Wheel Module and Inflatable Restraint I/P Module
SIR Schematic Icons
IGN II/III Bus - Airbag, IGN Engine and Phone/Cruise
Batt Main 1, Door Locks, Inadvert Power/LED DIM and SIR Fuses and Power Seat Circuit Breaker
G102 and G310
G303, G304 and G308
SIR Schematic Icons
SIR Schematic Icons
SIR Schematic Icons
SIR Schematic Icons