GM Service Manual Online
For 1990-2009 cars only
Makes
🢒
Holden
🢒
2008
🢒
VE Ute
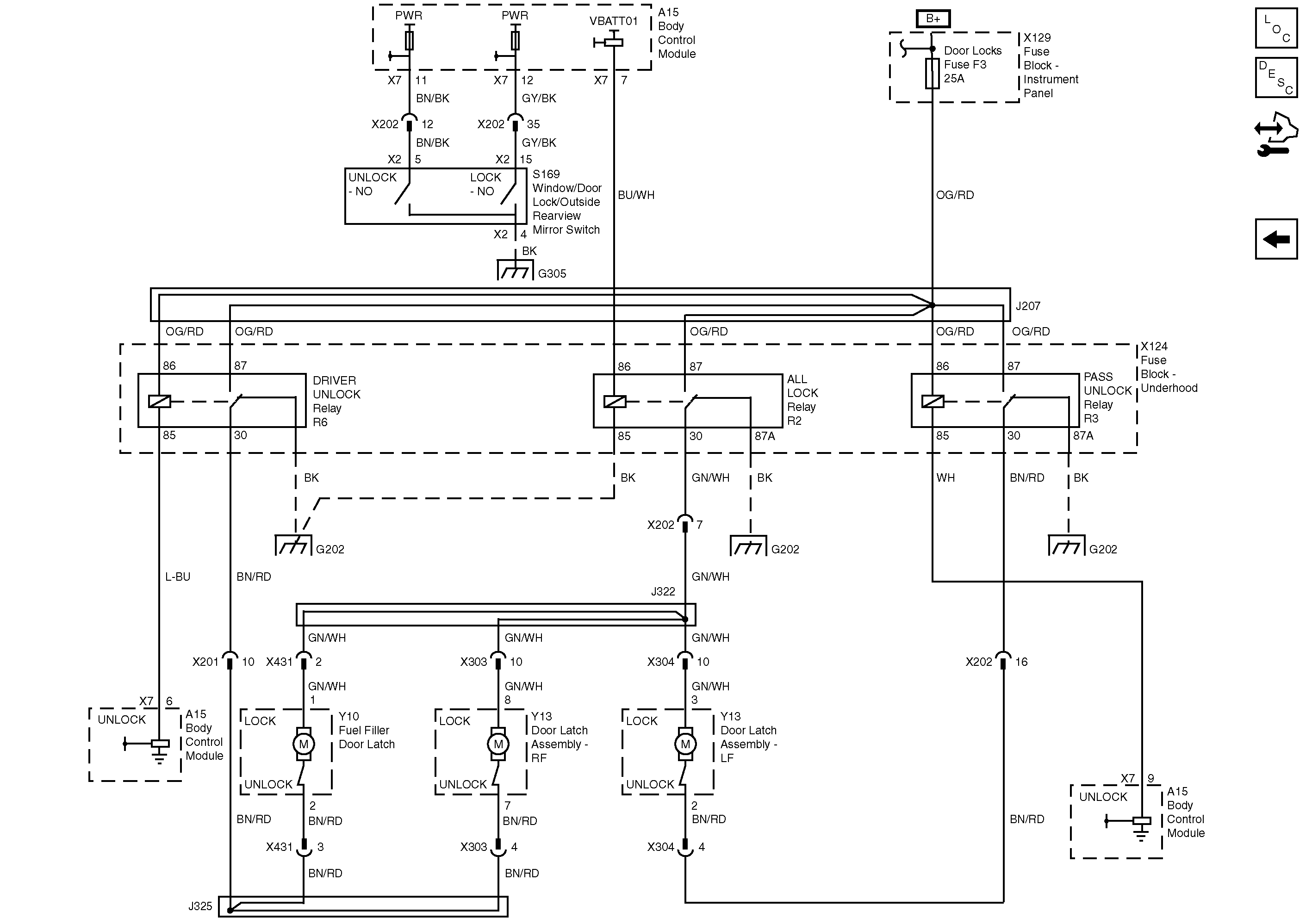
🢒 Door Latch Assemblies and Door Lock Switch
Door Latch Assemblies and Door Lock Switch
Door Latch Assemblies and Door Lock Switch
Master Electrical Component List
Power Door Locks Description and Operation
Control Module References
Door Latch Assemblies and Hood Ajar Switch
Batt Main 1, Door Locks, Inadvert Power/LED DIM and SIR Fuses and Power Seat Circuit Breaker
G305
G202
G202
G202