GM Service Manual Online
For 1990-2009 cars only
Makes
🢒
Holden
🢒
2008
🢒
VE Ute
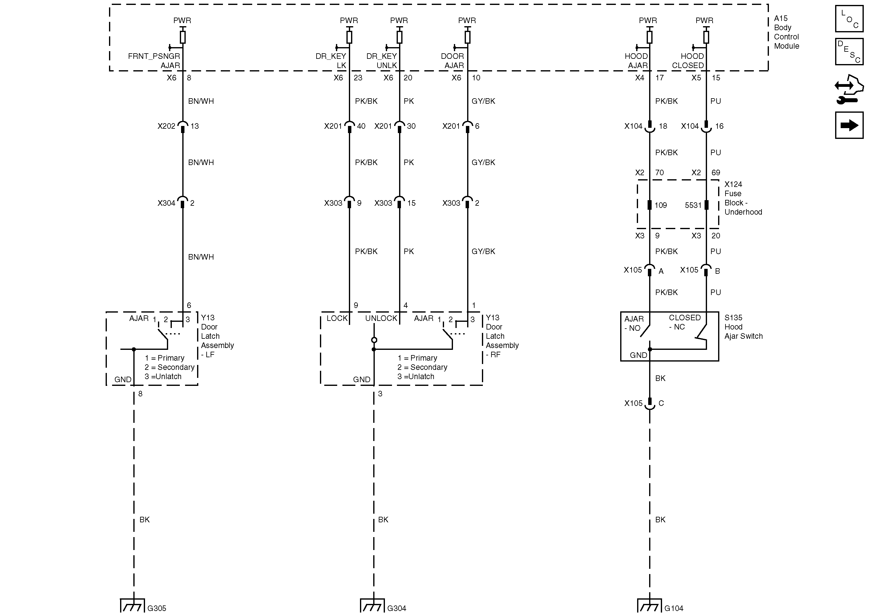
🢒 Door Latch Assemblies and Hood Ajar Switch
Door Latch Assemblies and Hood Ajar Switch
Door Latch Assemblies and Hood Ajar Switch
Master Electrical Component List
Power Door Locks Description and Operation
Control Module References
Door Latch Assemblies and Door Lock Switch
G305
G303, G304 and G308
G104