GM Service Manual Online
For 1990-2009 cars only
Makes
🢒
Holden
🢒
2006
🢒
Viva
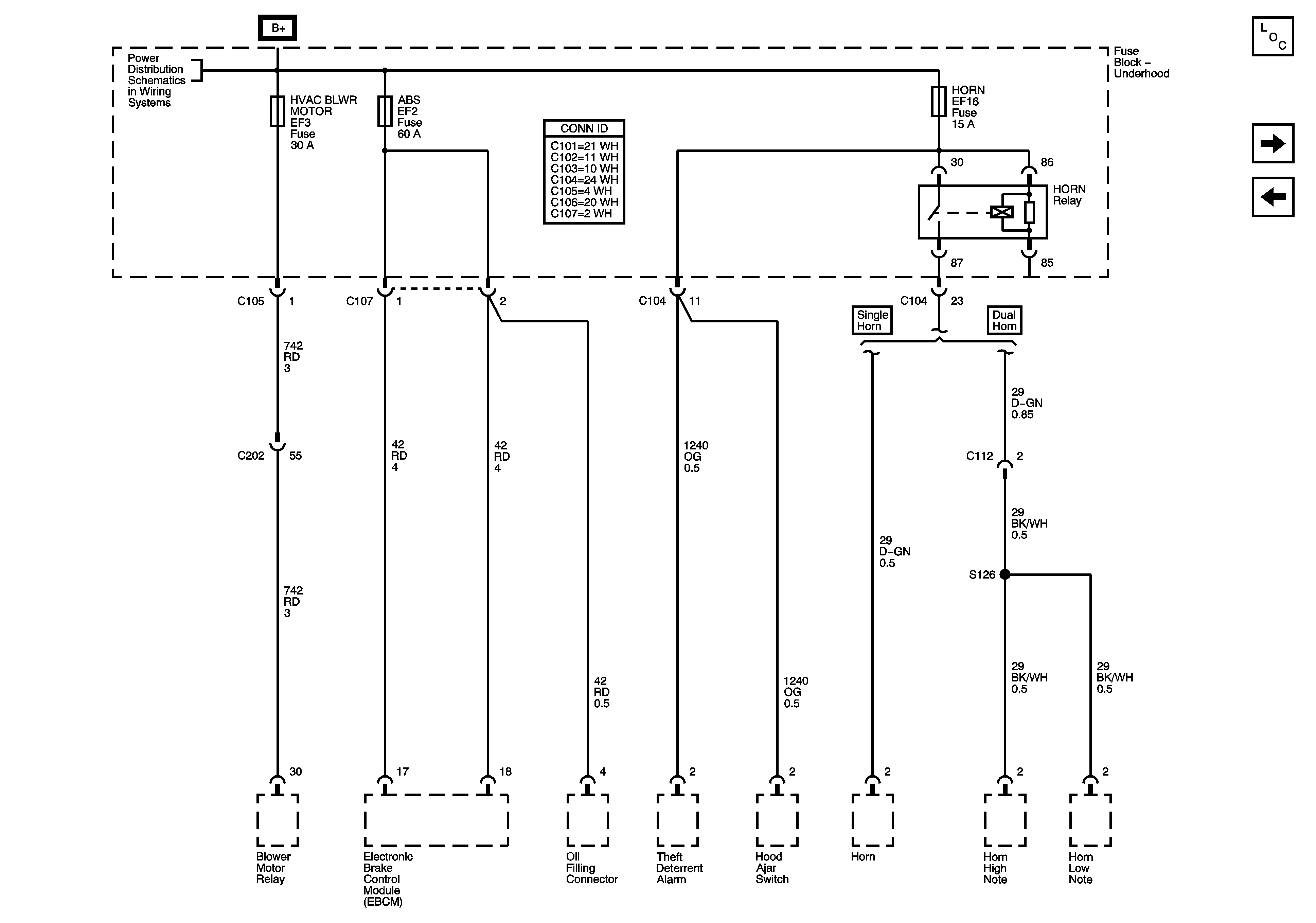
🢒 Underhood Fuse Block HVAC FLWR, ABS and Horn Fuses
Underhood Fuse Block HVAC FLWR, ABS and Horn Fuses
Underhood Fuse Block - HVAC BLWR, ABS and HORN Fuses
Master Electrical Component List
Underhood Fuse Block IP FUSE, DR/LOCK and STOP LAMP Fuses
Underhood Fuse Block - Battery Feeds 3 of 3
Underhood Fuse Block - Battery Feeds 1 of 3