GM Service Manual Online
For 1990-2009 cars only
Makes
🢒
Holden
🢒
2006
🢒
Viva
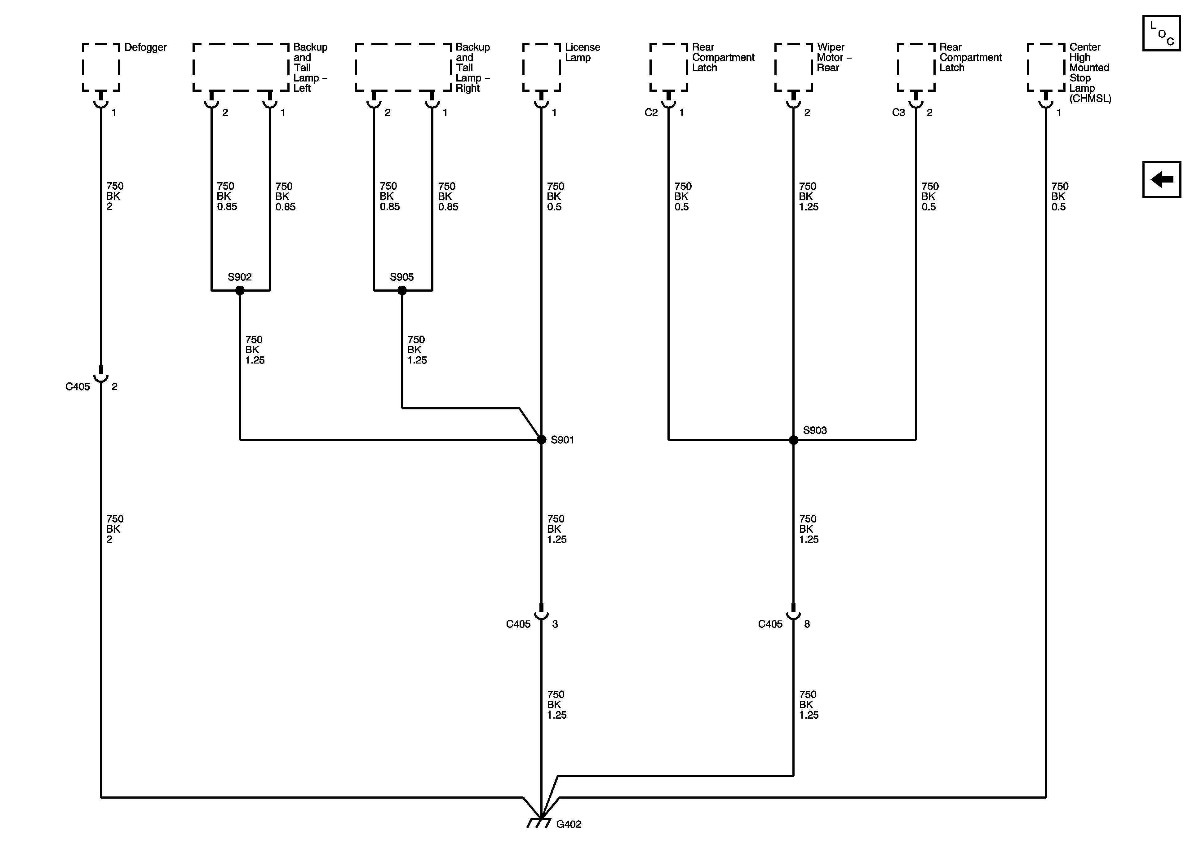
🢒 G402 Hatchback Tailgate
G402 Hatchback Tailgate
G402 - Hatchback Tailgate
Master Electrical Component List
G104 HV-240