GM Service Manual Online
For 1990-2009 cars only
Makes
🢒
Holden
🢒
2006
🢒
Viva
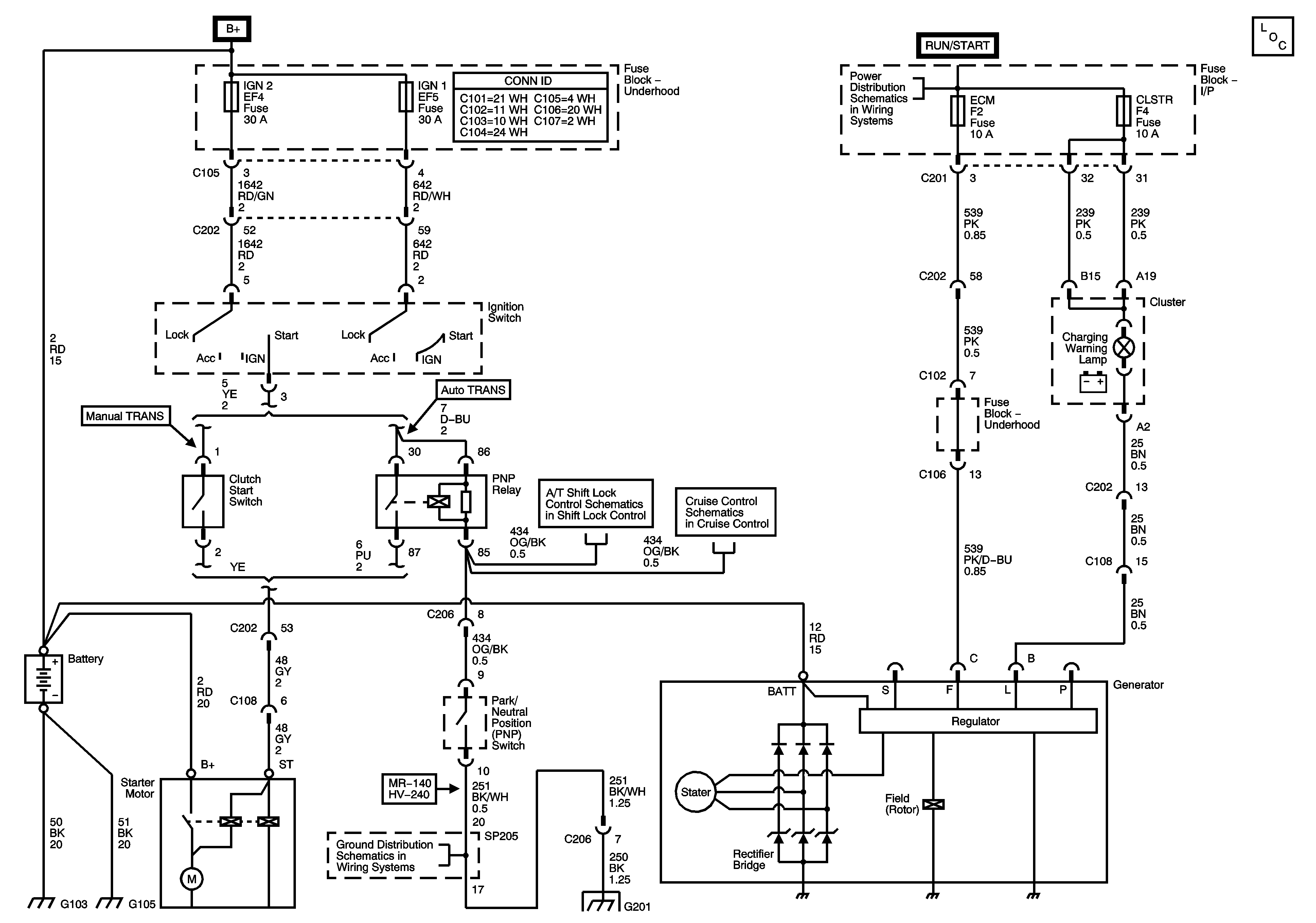
🢒 Starting and Charging Schematics
Starting and Charging Schematics
Master Electrical Component List
I/P Fuse Block ECM Fuse
w/Ignition Lock Cylinder Control Actuator
Automatic Transmission
G201 (2 of 2)
G106, G107
G106, G107
G201 (2 of 2)