GM Service Manual Online
For 1990-2009 cars only
Makes
🢒
Holden
🢒
2006
🢒
Viva
🢒 w/Ignition Lock Cylinder Control Actuator
w/Ignition Lock Cylinder Control Actuator
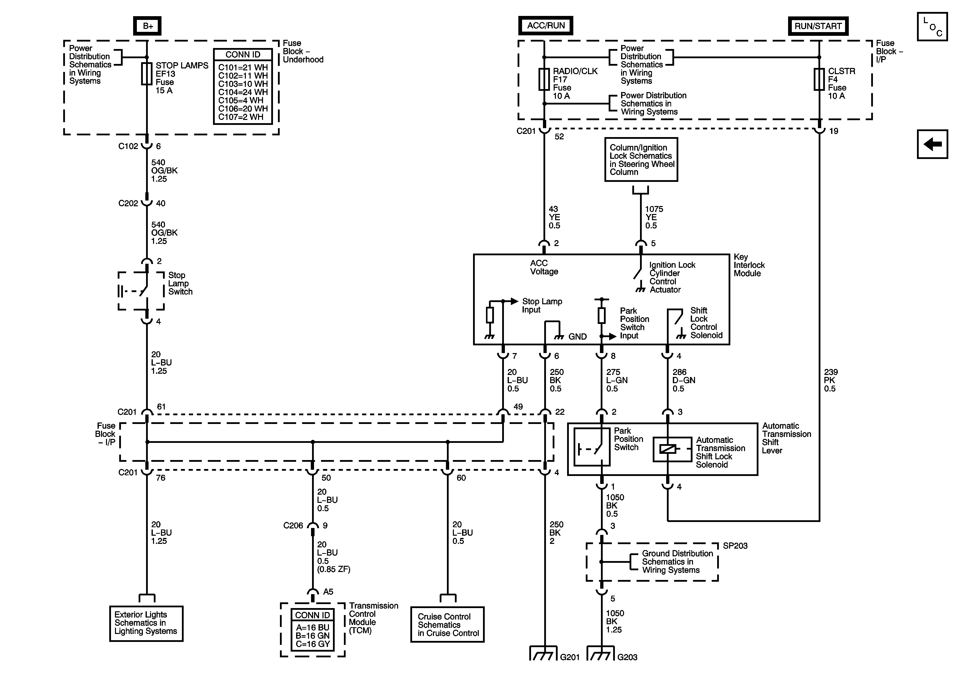
Automatic Transmission Shift Lock Control Schematics - With Ignition Lock Cylinder Control Actuator
Master Electrical Component List
w/o Ignition Lock Cylinder Control Actuator
Underhood Fuse Block IP FUSE, DR/LOCK and STOP LAMP Fuses
I/P Fuse Block RADIO/CLK, AUX LTR, and LTR Fuses
I/P Fuse Block CLSTR, AIR BAG, BCK/UP and ENG FUSE BOX DRL Fuses
Column/Ignition Lock Schematics
G203
Stop Lamps Notchback
Stop Lamps Hatchback
Manual Transmission
Automatic Transmission
G201 (2 of 2)
G203