GM Service Manual Online
For 1990-2009 cars only
Makes
🢒
Holden
🢒
2006
🢒
Viva
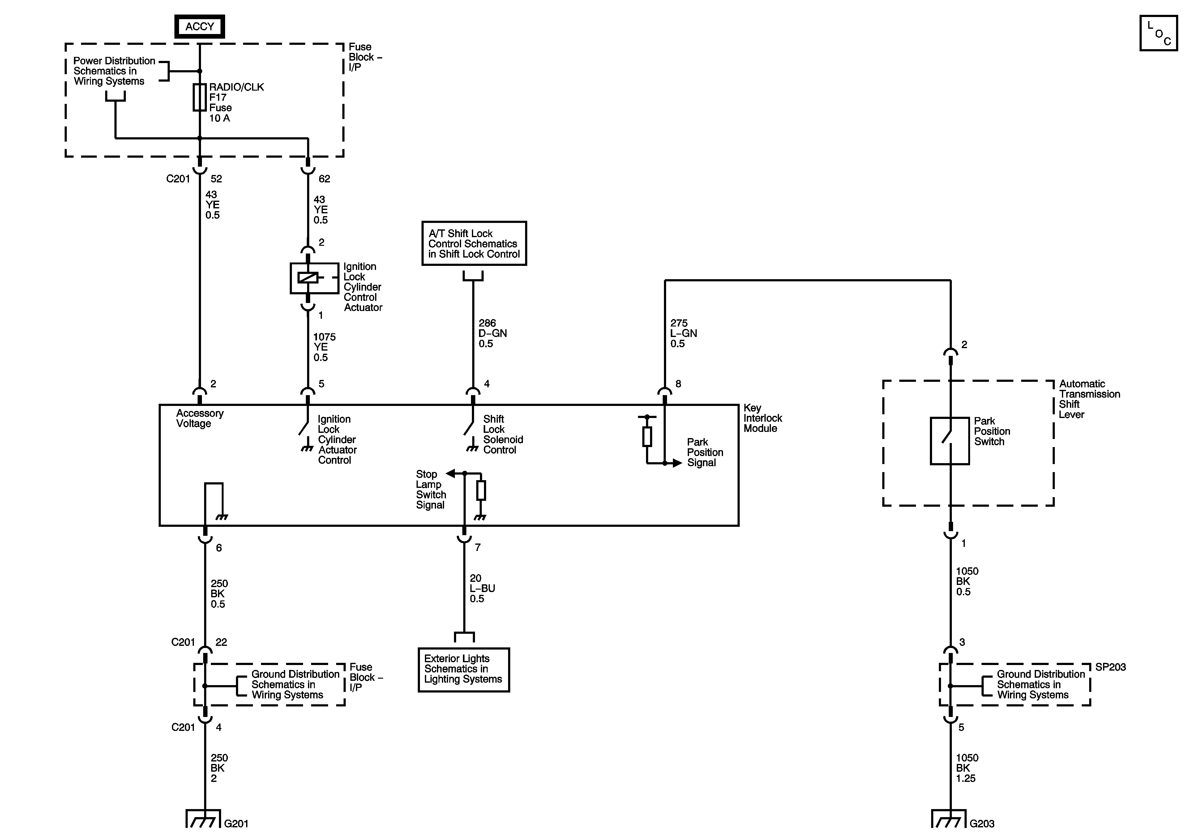
🢒 Column/Ignition Lock Schematics
Column/Ignition Lock Schematics
Master Electrical Component List
I/P Fuse Block RADIO/CLK, AUX LTR, and LTR Fuses
w/Ignition Lock Cylinder Control Actuator
G201 (2 of 2)
Stop Lamps Notchback
Stop Lamps Hatchback
G203
G201 (2 of 2)
G203