GM Service Manual Online
For 1990-2009 cars only
Makes
🢒
Holden
🢒
2006
🢒
Viva
🢒 w/o Ignition Lock Cylinder Control Actuator
w/o Ignition Lock Cylinder Control Actuator
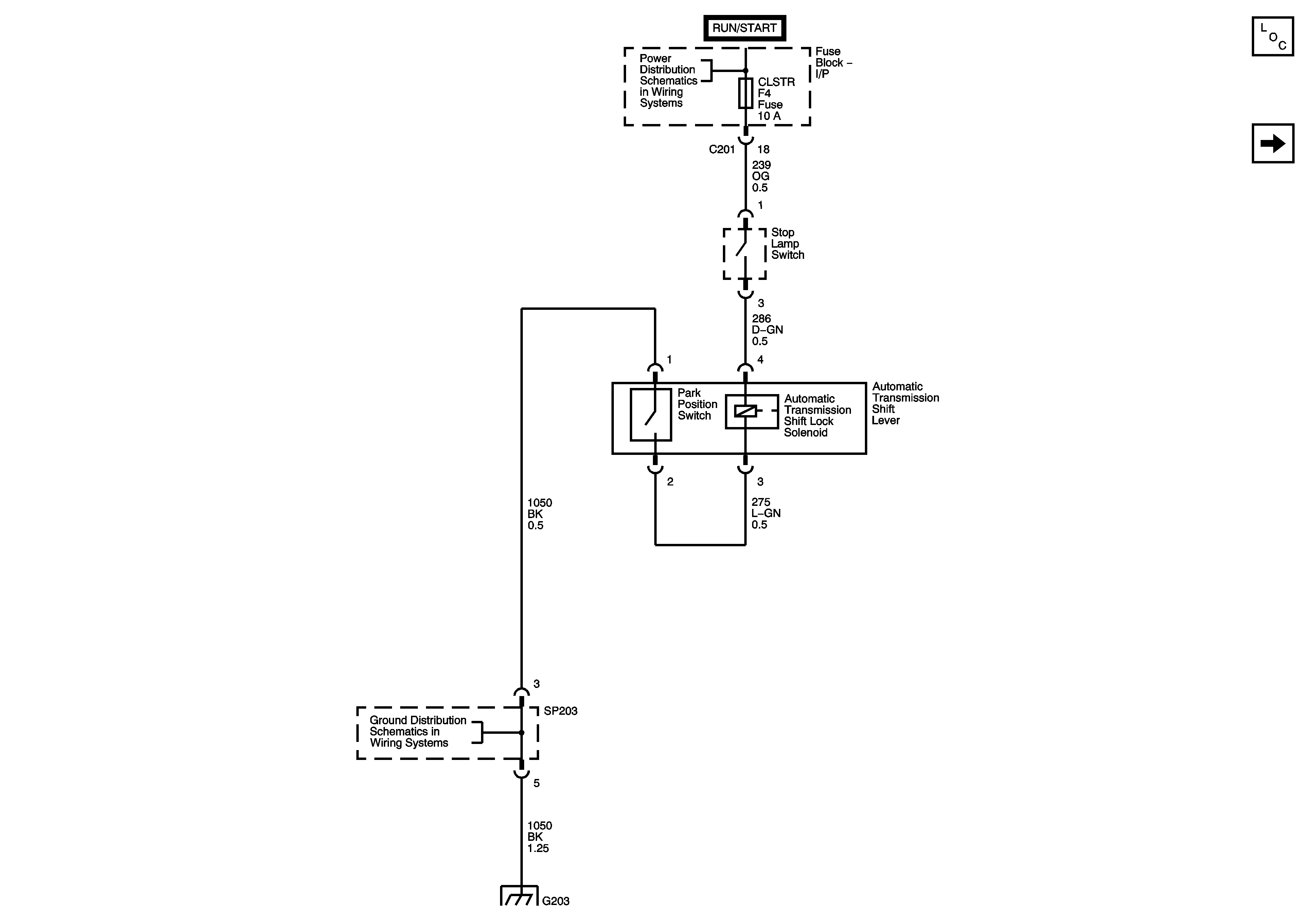
Automatic Transmission Shift Lock Control Schematics - w/o Ignition Lock Cylinder Control Actuator
Master Electrical Component List
w/Ignition Lock Cylinder Control Actuator
I/P Fuse Block CLSTR, AIR BAG, BCK/UP and ENG FUSE BOX DRL Fuses
G203
G203