GM Service Manual Online
For 1990-2009 cars only
Makes
🢒
Holden
🢒
2006
🢒
Viva
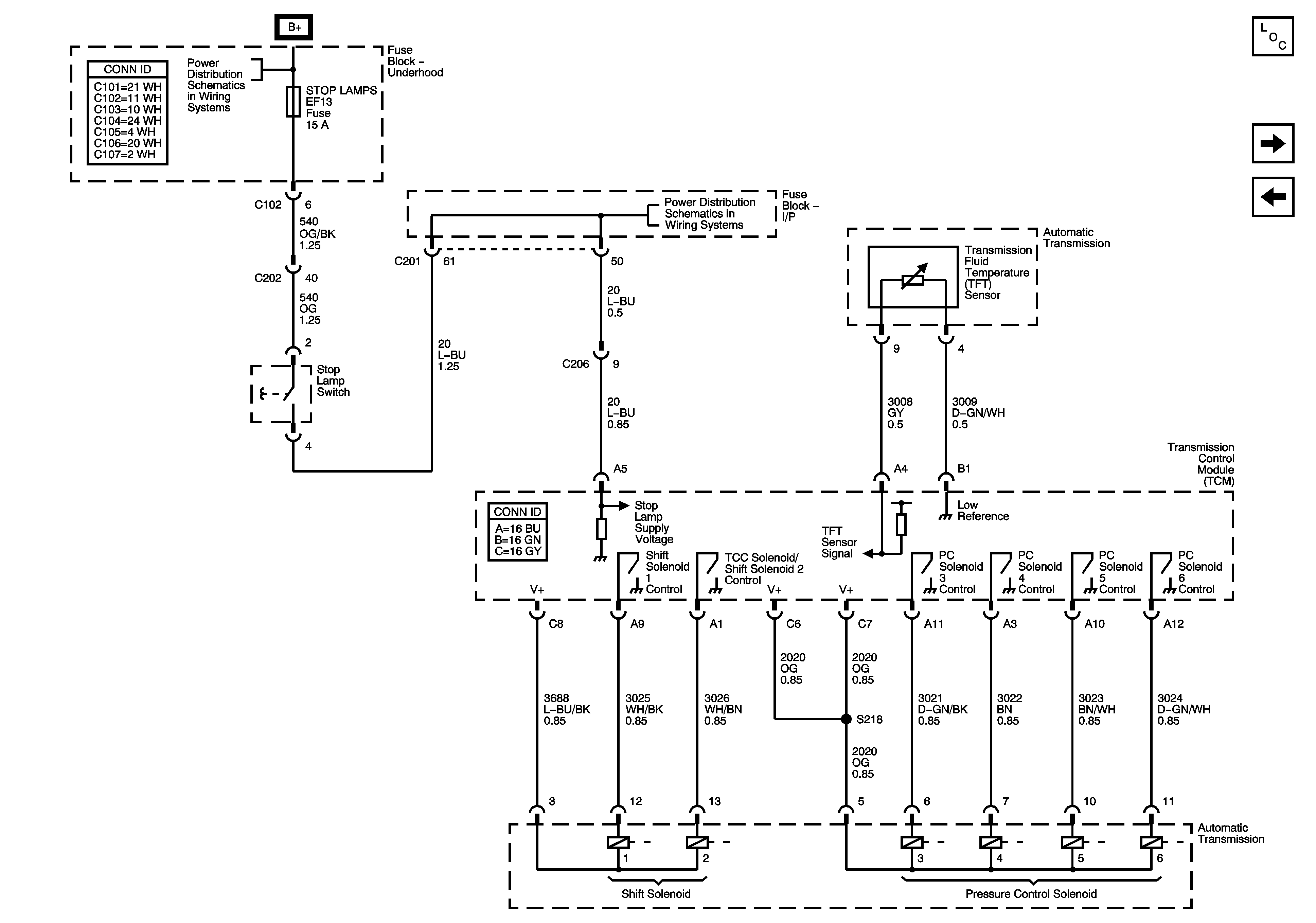
🢒 Shift and Pressure Control Solenoids
Shift and Pressure Control Solenoids
Shift and Pressure Control Solenoids
Master Electrical Component List
Vehicle Speed Signal
Power, Ground, Hold Switch and DLC
Underhood Fuse Block IP FUSE, DR/LOCK and STOP LAMP Fuses
Underhood Fuse Block IP FUSE, DR/LOCK and STOP LAMP Fuses