GM Service Manual Online
For 1990-2009 cars only
Makes
🢒
Holden
🢒
2006
🢒
Viva
🢒 Stationary Windows
Stationary Windows
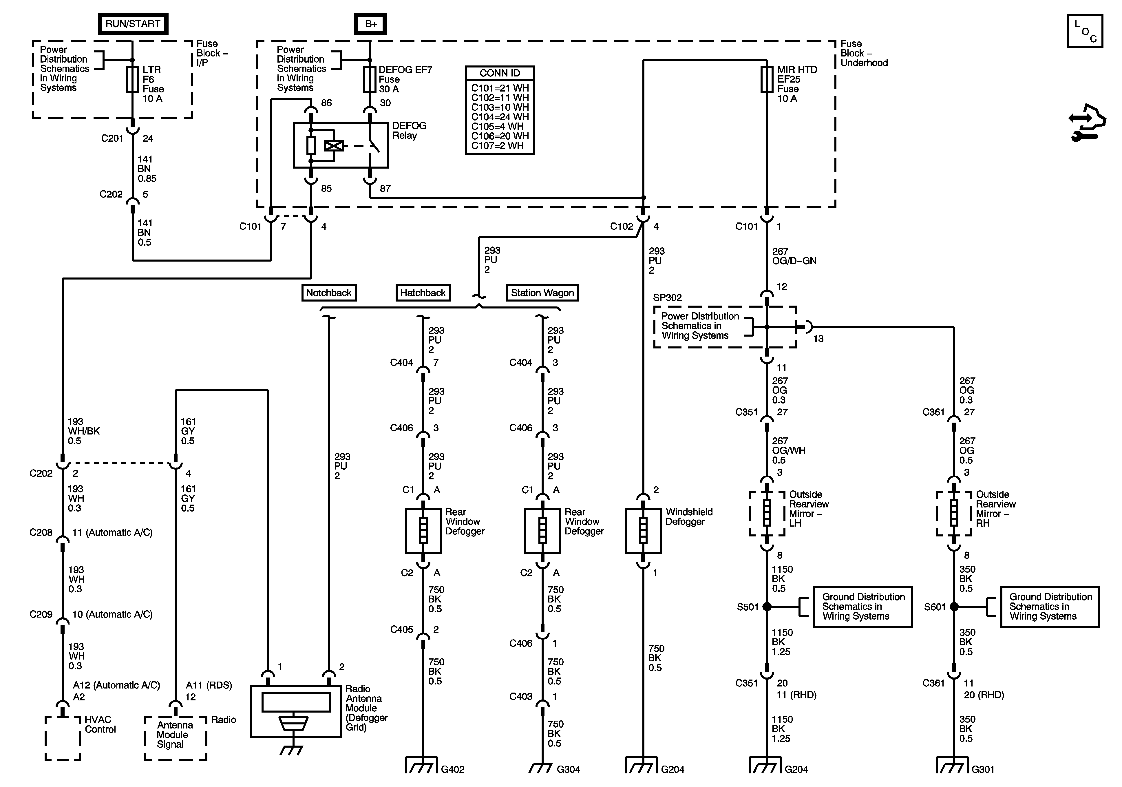
Master Electrical Component List
I/P Fuse Block CLSTR, AIR BAG, BCK/UP and ENG FUSE BOX DRL Fuses
Underhood Fuse Block A/C, DEFOG, and MIR HTD Fuses
Underhood Fuse Block A/C, DEFOG, and MIR HTD Fuses
G402
G205, G301
G402
G205, G301
G402 Hatchback Tailgate
G202, G204