GM Service Manual Online
For 1990-2009 cars only
Makes
🢒
Holden
🢒
2006
🢒
Viva
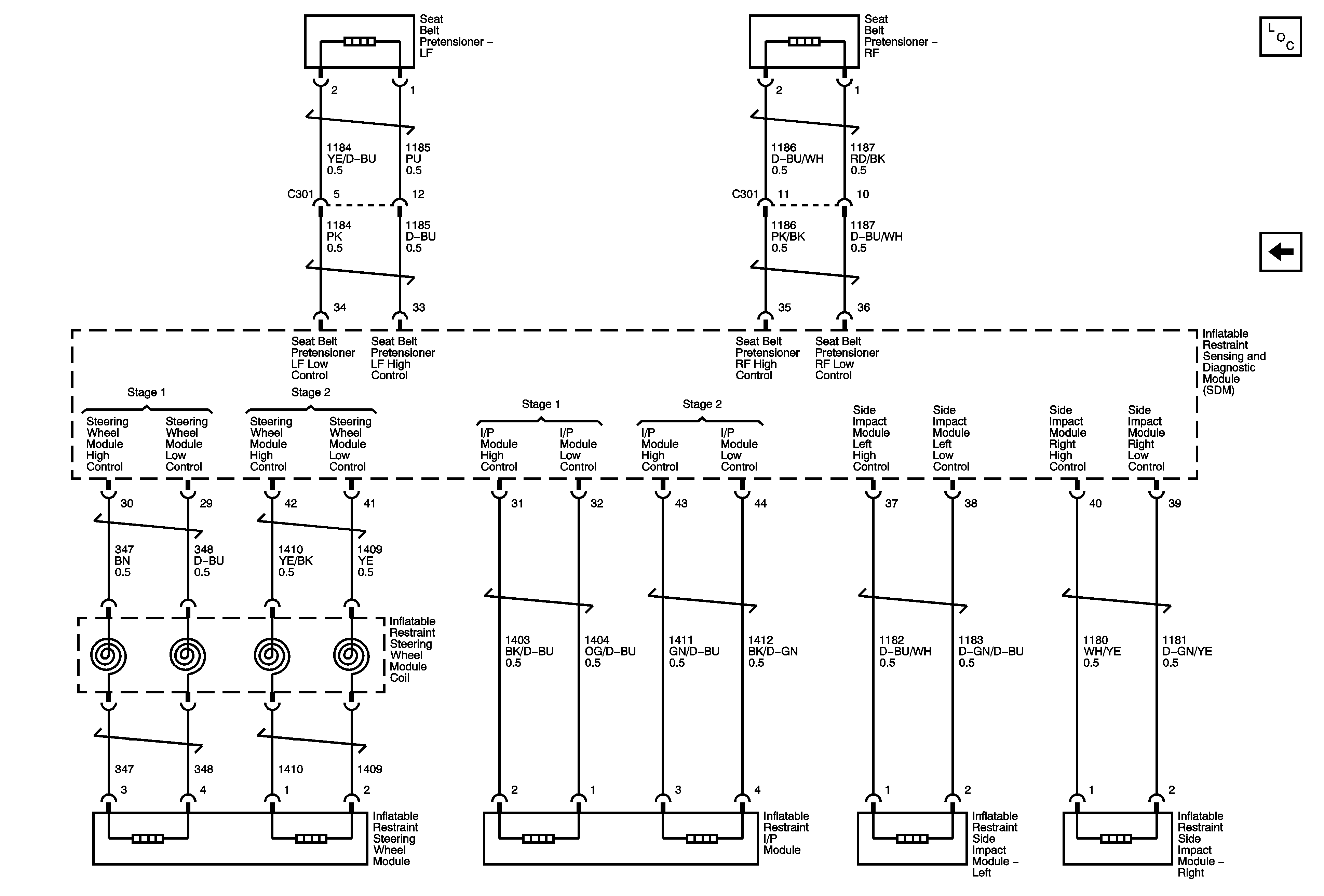
🢒 Dual Stage 2 of 2
Dual Stage 2 of 2
Dual Stage SIR 2 of 2
Master Electrical Component List
Dual Stage SIR 1 of 2