GM Service Manual Online
For 1990-2009 cars only
Makes
🢒
Holden
🢒
2006
🢒
Viva
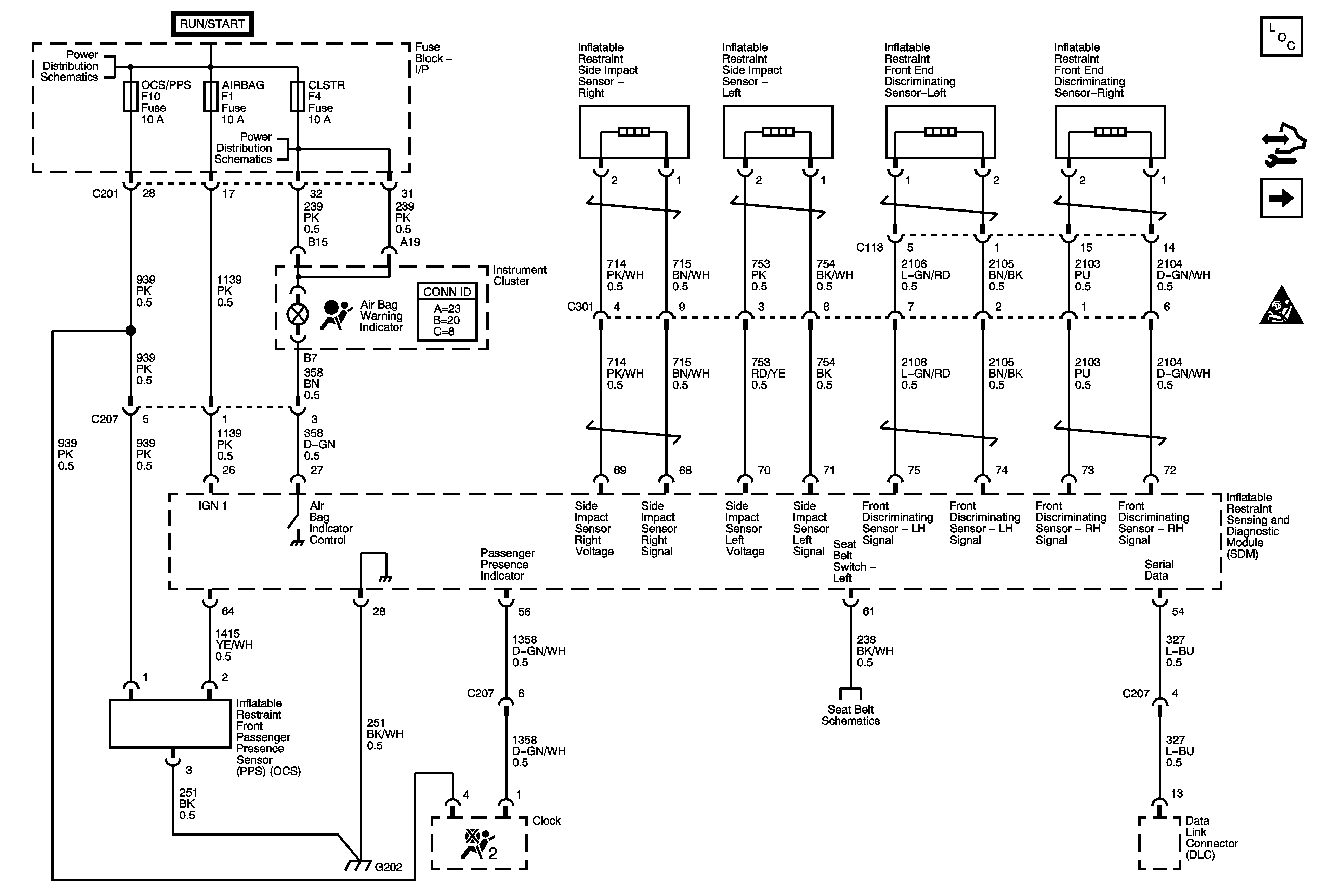
🢒 Dual Stage SIR 1 of 2
Dual Stage SIR 1 of 2
Dual Stage SIR 1 of 2
Master Electrical Component List
Dual Stage 2 of 2
SIR Caution
I/P Fuse Block ABS IMMOBILIZER, WRP, and TRN SIG LAMPS Fuses
I/P Fuse Block CLSTR, AIR BAG, BCK/UP and ENG FUSE BOX DRL Fuses
Seat Belt Schematics
G202, G204