GM Service Manual Online
For 1990-2009 cars only
Makes
🢒
Holden
🢒
2006
🢒
Viva
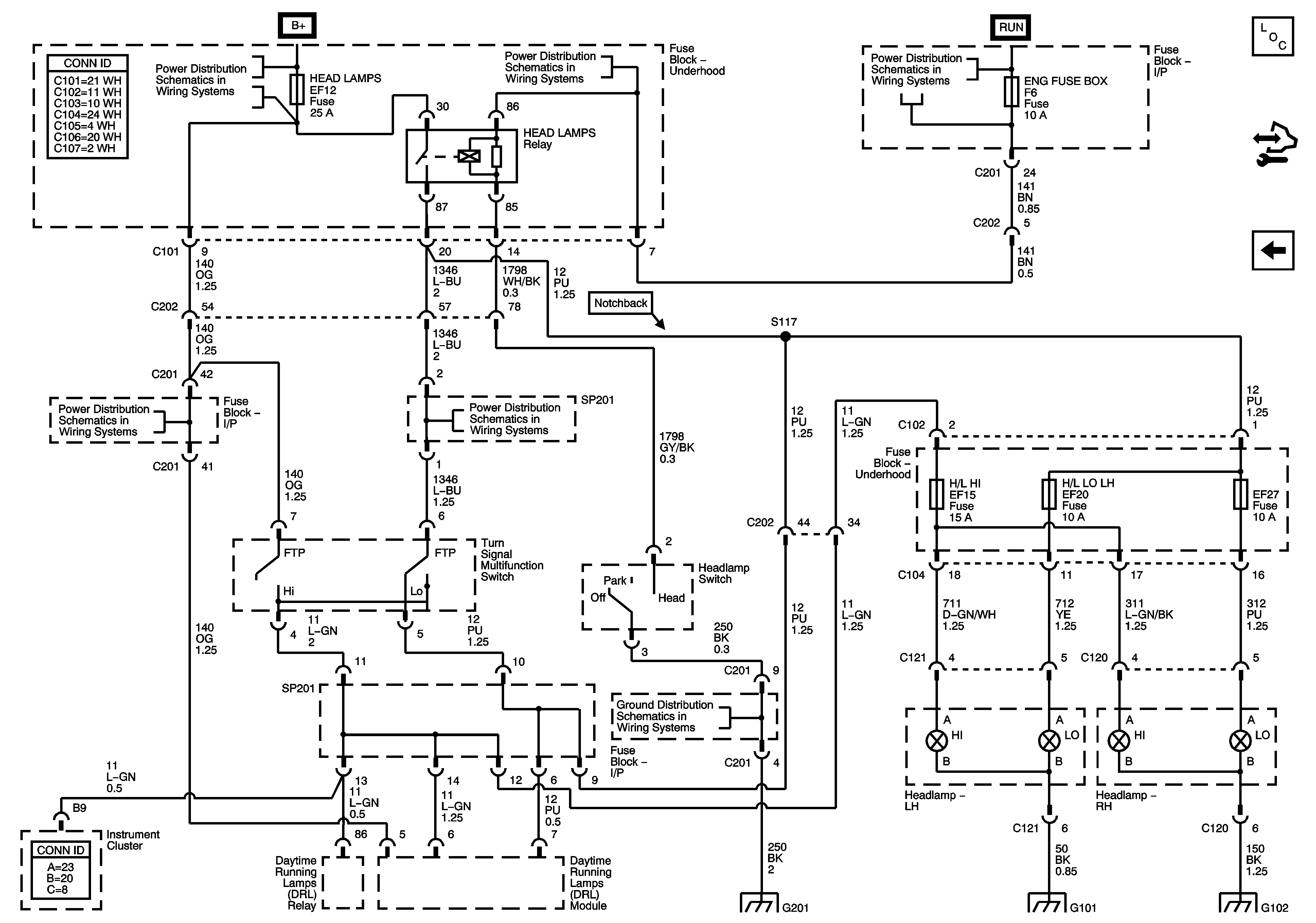
🢒 Headlamps w/North American Daytime Running Lamps
Headlamps w/North American Daytime Running Lamps
Headlamps - w/North American Daytime Running Lamps
Master Electrical Component List
Headlamps w/Scandanavia Daytime Running Lamps
Underhood Fuse Block HEAD LAMPS FUSE
Underhood Fuse Block HEAD LAMPS FUSE
I/P Fuse Block CLSTR, AIR BAG, BCK/UP and ENG FUSE BOX DRL Fuses
Underhood Fuse Block HEAD LAMPS FUSE
Underhood Fuse Block HEAD LAMPS FUSE
Underhood Fuse Block HI BEAM Fuse w/o Dimming
G201 (2 of 2)
G201 (2 of 2)
G101
G102