GM Service Manual Online
For 1990-2009 cars only
Makes
🢒
Holden
🢒
2006
🢒
Viva
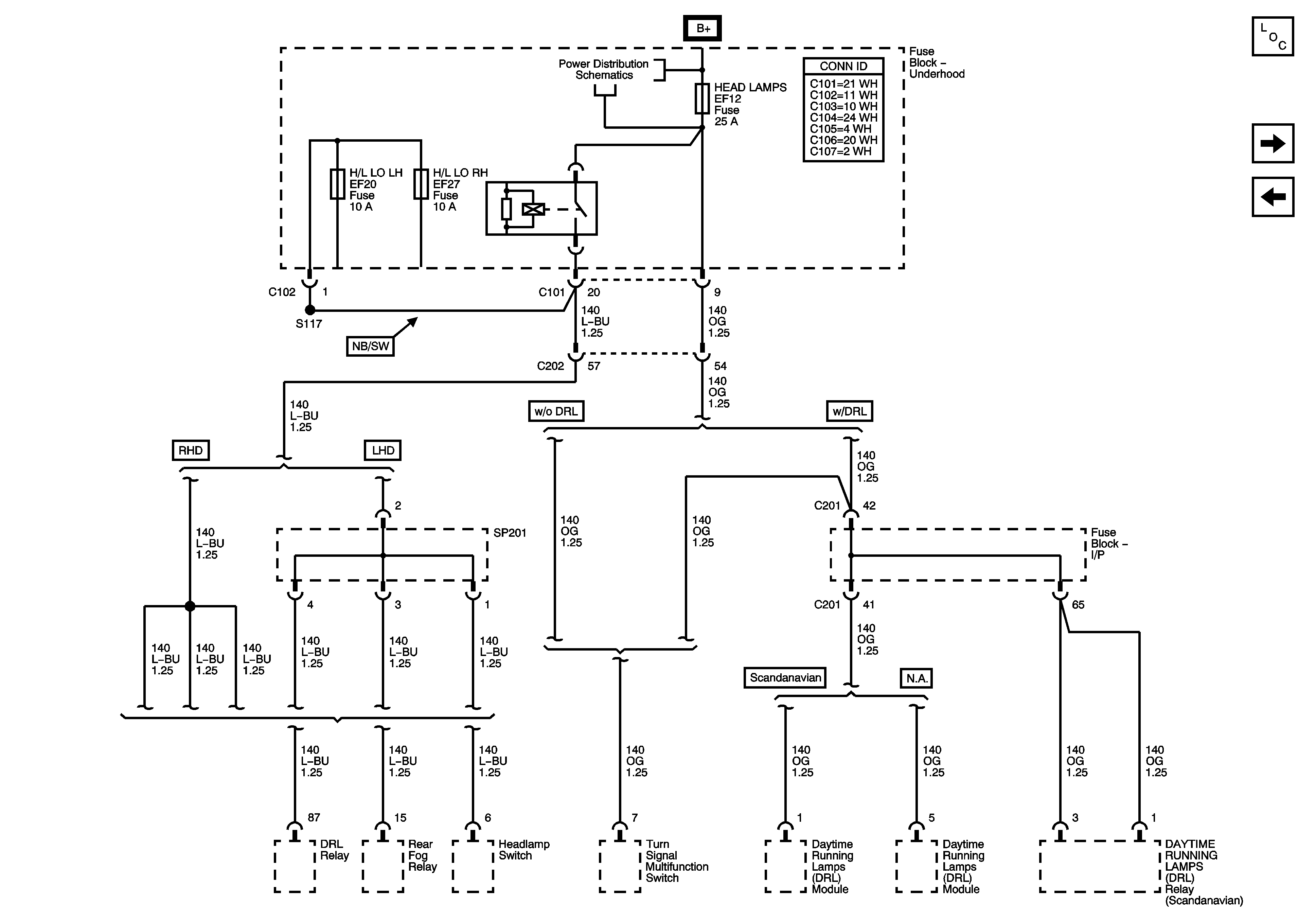
🢒 Underhood Fuse Block HEAD LAMPS FUSE
Underhood Fuse Block HEAD LAMPS FUSE
Underhood Fuse Block - HEAD LAMPS FUSE
Master Electrical Component List
Underhood Fuse Block LOW BEAM LT, LOW BEAM RT, ILLUM LT, ILLUM RT, and HI BEAM Fuses
Underhood Fuse Block FRT FOG, DRIVERS PWR W/DW and PWR WNDW Fuses
Underhood Fuse Block - Battery Feeds 1 of 3