GM Service Manual Online
For 1990-2009 cars only
Figure 1:

Park Lamps and License Plate Lamps


Object Number: 1708759  Size: FS
Master Electrical Component List
Control Module References
Turn and Hazard Lamps - North America
Underhood Fuse Block - Battery Feeds - 1of 2
Underhood Fuse Block - Battery Feeds - 1of 2
G101
G101
G303, G401
G304
G302
G304
G402
G303, G401
G101
G102
G303, G401
Figure 2:

Turn and Hazard Lamps - North America


Object Number: 1650872  Size: FS
Master Electrical Component List
Turn and Hazard Lamps - Except North America
Park Lamps and License Plate Lamps
Underhood Fuse Block - Battery Feeds - 1of 2
Interior Lights Schematics
G101
G201 (1 of 2)
G102
G303, G401
G304
G101
G202, G204
Figure 3:

Turn and Hazard Lamps - Except North America


Object Number: 1650873  Size: FS
Master Electrical Component List
Backup Lamps
Turn and Hazard Lamps - North America
Underhood Fuse Block - Battery Feeds - 1of 2
Interior Lights Schematics
G201 (1 of 2)
G102
G303, G401
G304
G101
G202, G204
Figure 4:

Stop Lamps - Notchback


Object Number: 1847447  Size: FS
Master Electrical Component List
Control Module References
Stop Lamps - Hatchback
Backup Lamps
Underhood Fuse Block - Battery Feeds - 1of 2
G302
G303, G401
Figure 5:

Stop Lamps - Hatchback


Object Number: 1847448  Size: FS
Master Electrical Component List
Control Module References
Stop Lamps - Station Wagon
Stop Lamps - Notchback
Underhood Fuse Block - Battery Feeds - 1of 2
G101
G402
G303, G401
Figure 6:

Stop Lamps - Station Wagon


Object Number: 1847449  Size: FS
Master Electrical Component List
Control Module References
Battery Saver
Stop Lamps - Hatchback
Underhood Fuse Block - Battery Feeds - 1of 2
G304
G303, G401
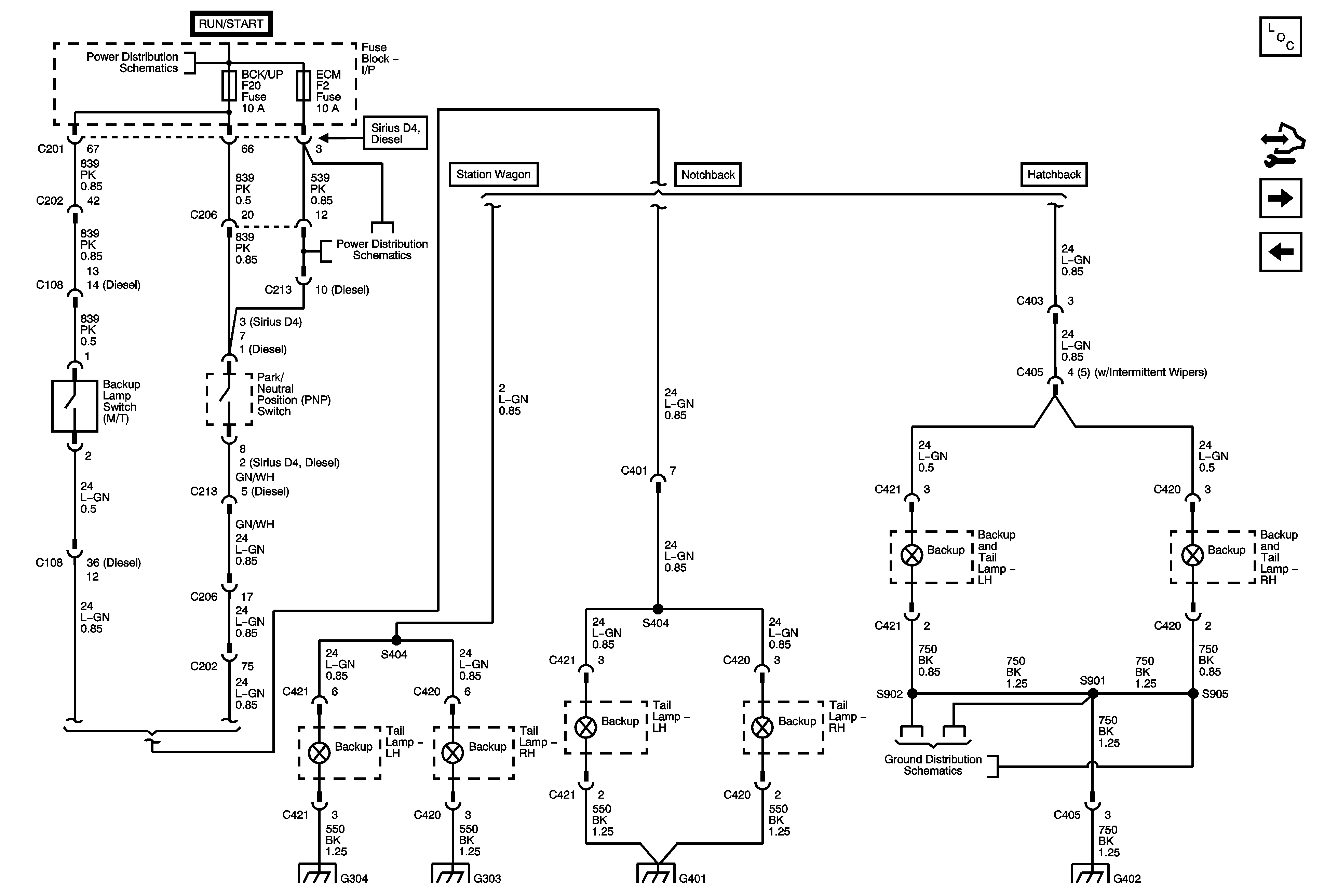
Figure 7:

Backup Lamps


Object Number: 1889222  Size: FS
Master Electrical Component List
Control Module References
Stop Lamps - Notchback
Turn and Hazard Lamps - Except North America
Underhood Fuse Block - Battery Feeds - 1of 2
Underhood Fuse Block - Battery Feeds - 1of 2
G101
G304
G303, G401
G303, G401
G402
Figure 8:

Battery Saver


Object Number: 1708757  Size: FS
Master Electrical Component List
Control Module References
Stop Lamps - Station Wagon
Underhood Fuse Block - Battery Feeds - 1of 2
Underhood Fuse Block - Battery Feeds - 1of 2
Underhood Fuse Block - Battery Feeds - 1of 2
Underhood Fuse Block - Battery Feeds - 1of 2
Starting
Park Lamps and License Plate Lamps
Park Lamps and License Plate Lamps
Remote Function/Theft Deterrent Schematics
G101
G203