GM Service Manual Online
For 1990-2009 cars only
Makes
🢒
Holden
🢒
2007
🢒
Viva
🢒
Safety and Security
🢒
Immobilizer
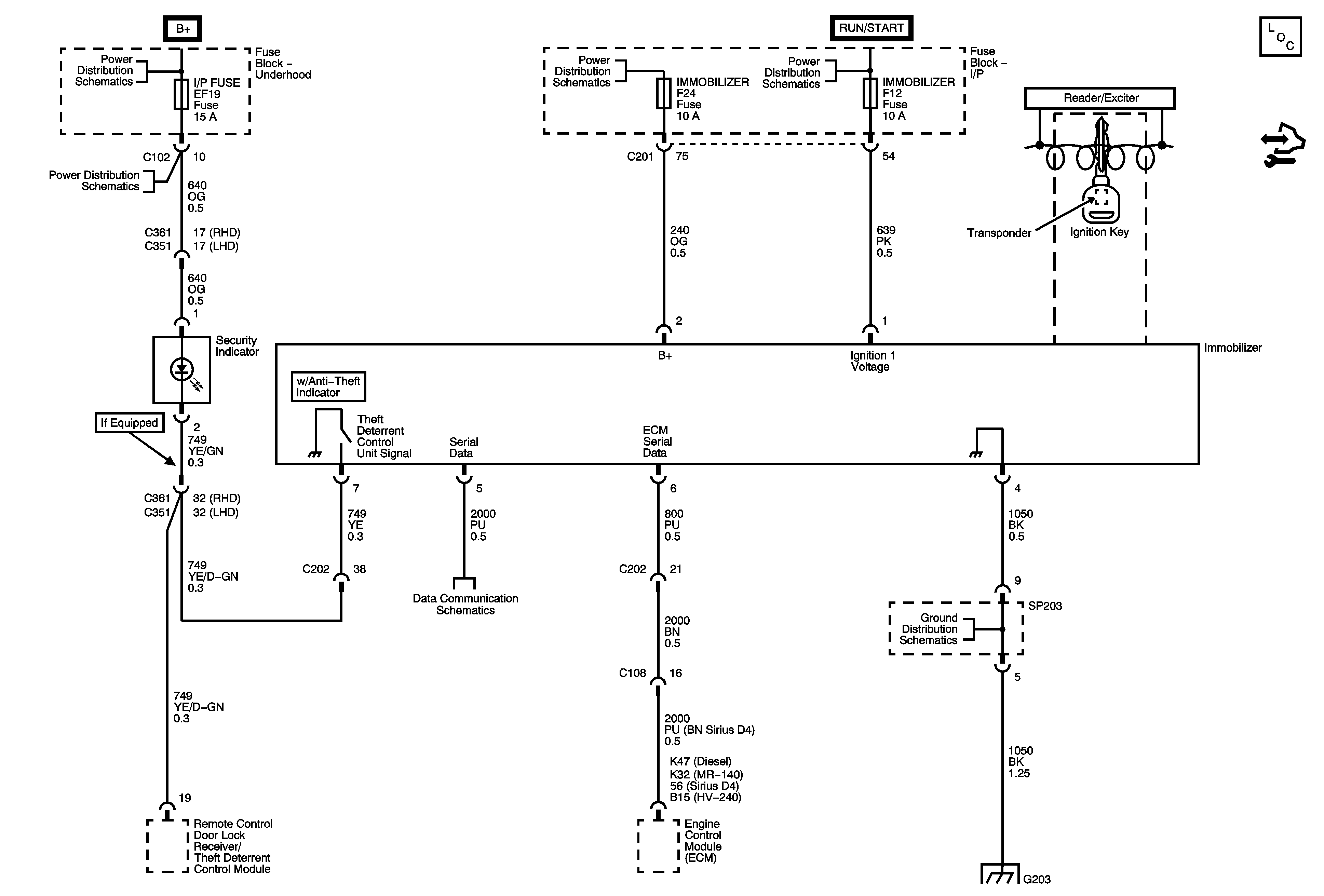
🢒 Immobilizer Schematics
Master Electrical Component List
Control Module References
Underhood Fuse Block - Battery Feeds - 1of 2
Underhood Fuse Block - Battery Feeds - 1of 2
Underhood Fuse Block - Battery Feeds - 1of 2
Underhood Fuse Block - Battery Feeds - 1of 2
Data Communications Schematics
G101
G203