GM Service Manual Online
For 1990-2009 cars only
Makes
🢒
Holden
🢒
2007
🢒
Viva
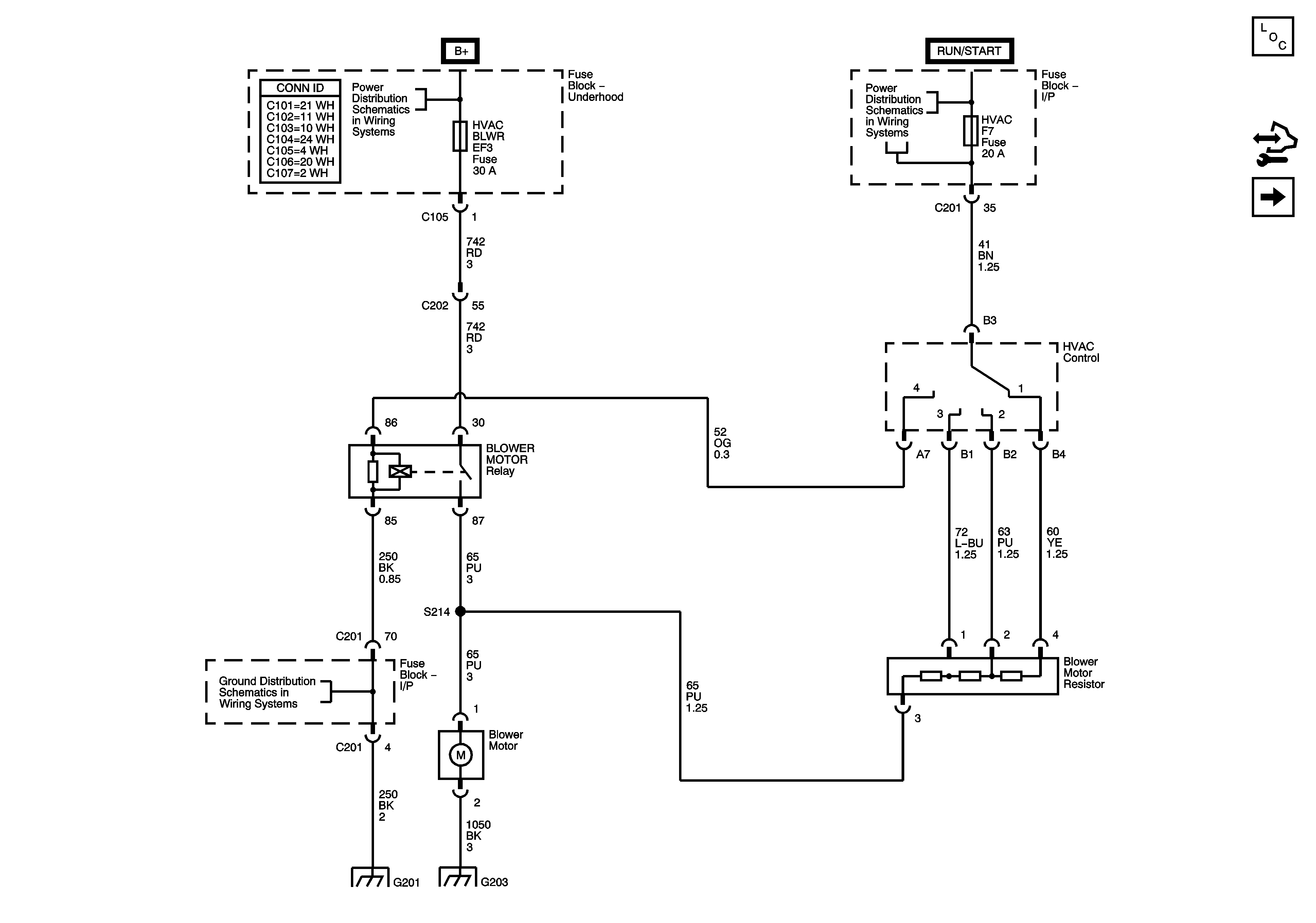
🢒 Blower Controls
Blower Controls
Blower Controls
Master Electrical Component List
Control Module References
Compressor Controls Sirius D4, MR 140, MT 34
Underhood Fuse Block - Battery Feeds - 1of 2
Underhood Fuse Block - Battery Feeds - 1of 2
G101
G201 (1 of 2)
G203