GM Service Manual Online
For 1990-2009 cars only
Makes
🢒
Holden
🢒
2007
🢒
Viva
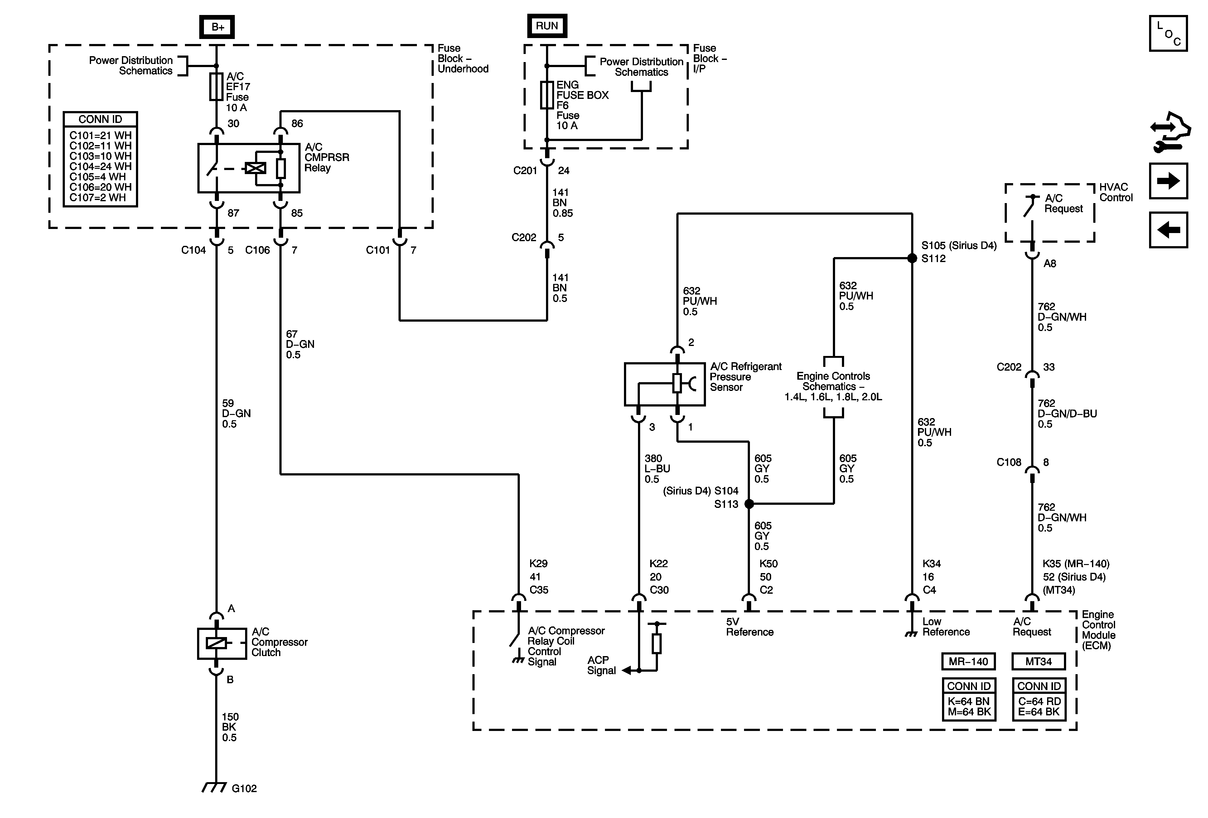
🢒 Compressor Controls Sirius D4, MR 140, MT 34
Compressor Controls Sirius D4, MR 140, MT 34
Compressor Controls - Sirius D4, MR 140, MT 34
Master Electrical Component List
Control Module References
Compress Controls HV-240
Blower Controls
Underhood Fuse Block - Battery Feeds - 1of 2
Underhood Fuse Block - Battery Feeds - 1of 2
G102
Module Power, Ground, Serial Data, Malfunction Indicator Lamp (MIL)
Module Power, Ground, Serial Data, Malfunction Indicator Lamp (MIL)
Module Power, Ground, Serial Data, Malfunction Indicator Lamp (MIL)