GM Service Manual Online
For 1990-2009 cars only
Makes
🢒
Holden
🢒
2007
🢒
Viva
🢒 Compress Controls HV-240
Compress Controls HV-240
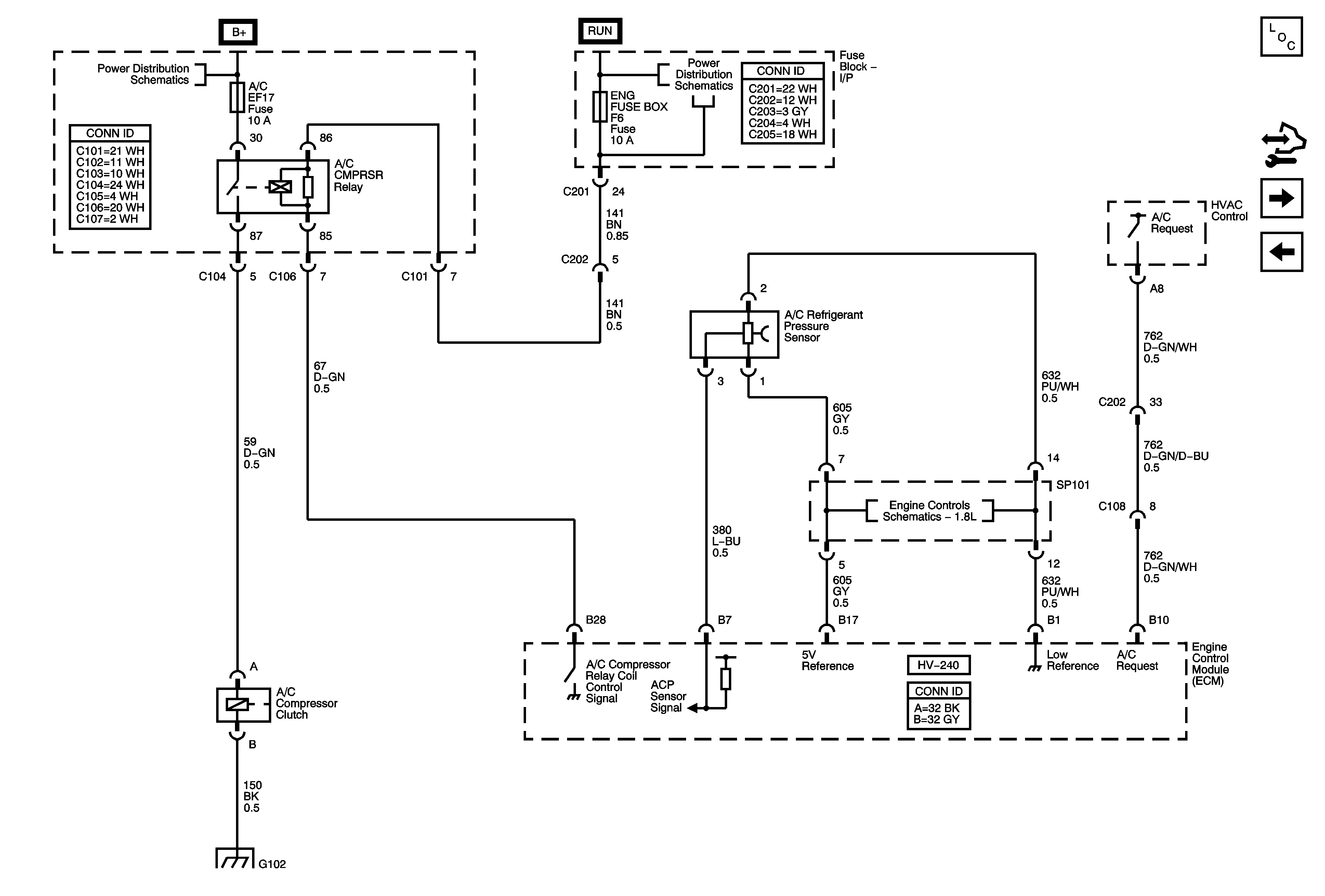
Compressor Controls - HV-240
Master Electrical Component List
Control Module References
Compressor Controls - Diesel
Compressor Controls Sirius D4, MR 140, MT 34
Underhood Fuse Block - Battery Feeds - 1of 2
Underhood Fuse Block - Battery Feeds - 1of 2
G101
Module Power, Ground, Serial Data, Malfunction Indicator Lamp (MIL)