GM Service Manual Online
For 1990-2009 cars only
Makes
🢒
Holden
🢒
2007
🢒
Viva
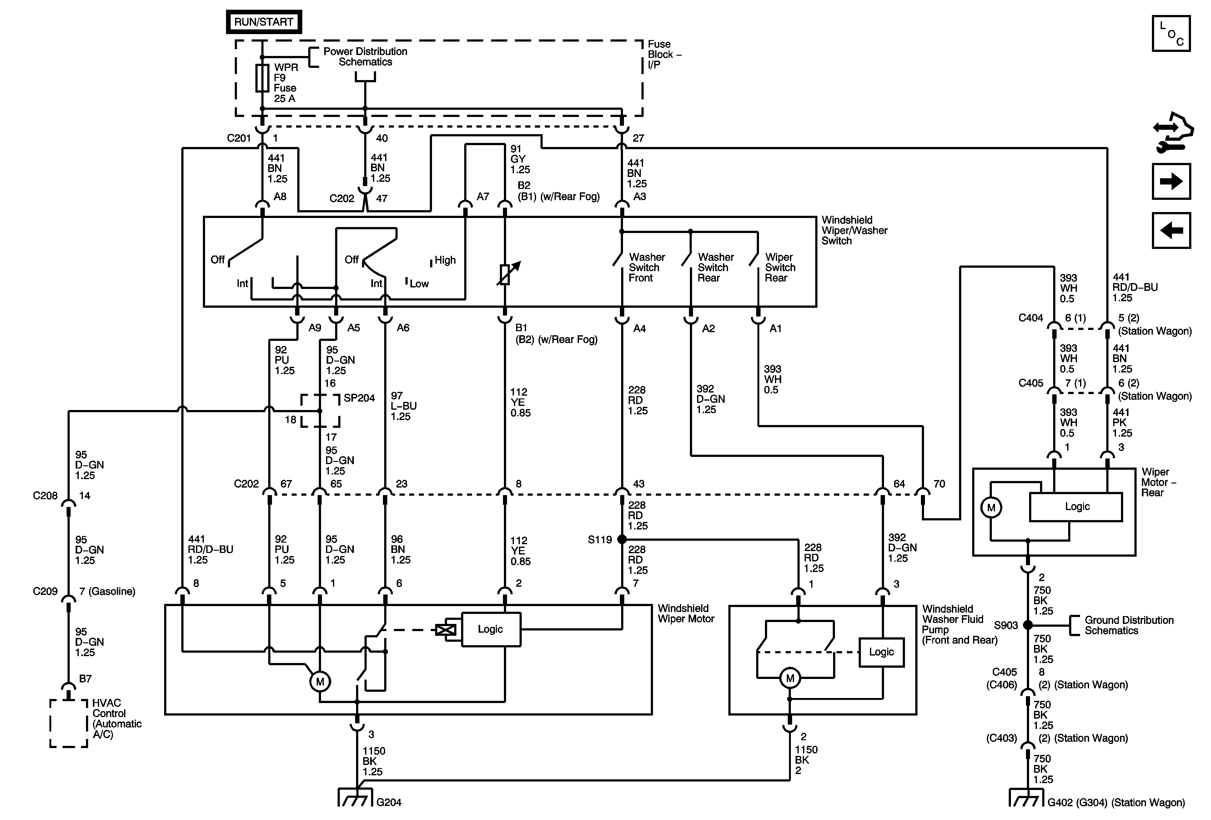
🢒 Wiper System - Hatchback and Station Wagon
Wiper System - Hatchback and Station Wagon
Wiper System - Hatchback and Station Wagon
Master Electrical Component List
Control Module References
Wiper System - Hatchback and Station Wagon w/Intermittent
Wiper System - Notchback
Underhood Fuse Block - Battery Feeds - 1of 2
G202, G204
G101
G304
G402