GM Service Manual Online
For 1990-2009 cars only
Makes
🢒
Holden
🢒
2008
🢒
Viva
🢒
Diagnostic Navigation
🢒
Vehicle Diagnostic Information
🢒 Antilock Brake System Schematics
Figure
1:
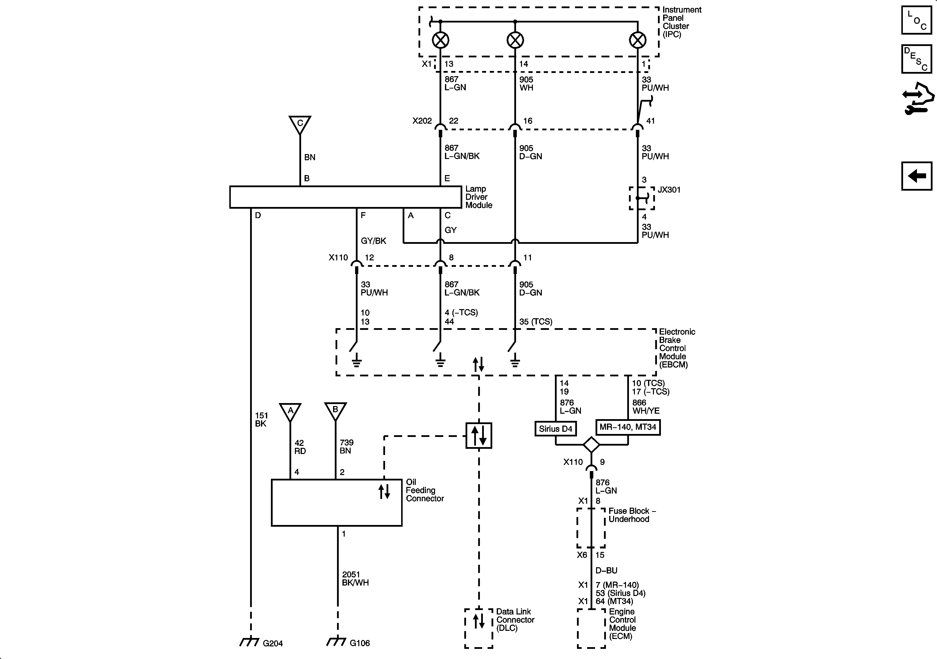
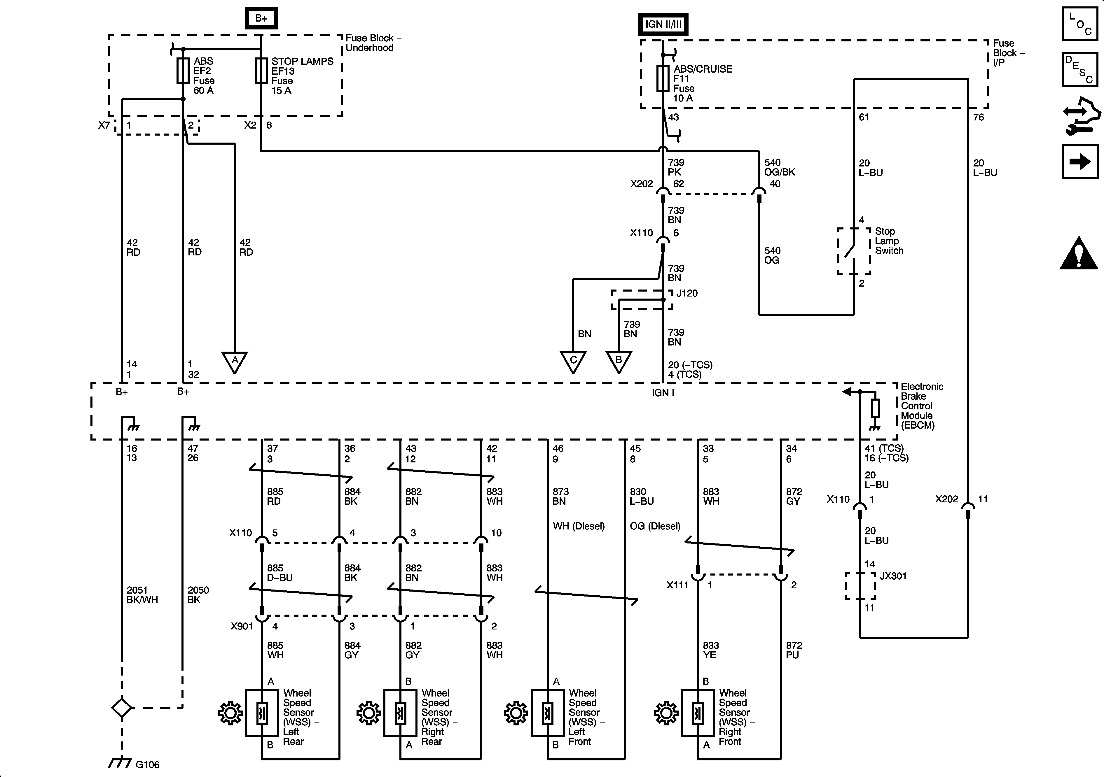
Power, Ground, Wheel Speed Sensors
Master Electrical Component List
Control Module References
Warning Lamps, Serial Data
Fuse Block - Underhood B+ Bus, 1 of 3
Fuse Block - Underhood B+ Bus, 1 of 3
Fuse Block - Underhood B+ Bus, 1 of 3
Warning Lamps, Serial Data
Warning Lamps, Serial Data
Warning Lamps, Serial Data
G106, G107
Figure
2:
Warning Lamps, Serial Data
Master Electrical Component List
Control Module References
Power, Ground, Wheel Speed Sensors
Power, Ground, I/P Illumination, and Door Open Indicators
Power, Ground, Wheel Speed Sensors
Hydraulic Brake
Hydraulic Brake
Power, Ground, Wheel Speed Sensors
Power, Ground, Wheel Speed Sensors
G202, G204
G106, G107