GM Service Manual Online
For 1990-2009 cars only
Makes
🢒
Holden
🢒
2008
🢒
Viva
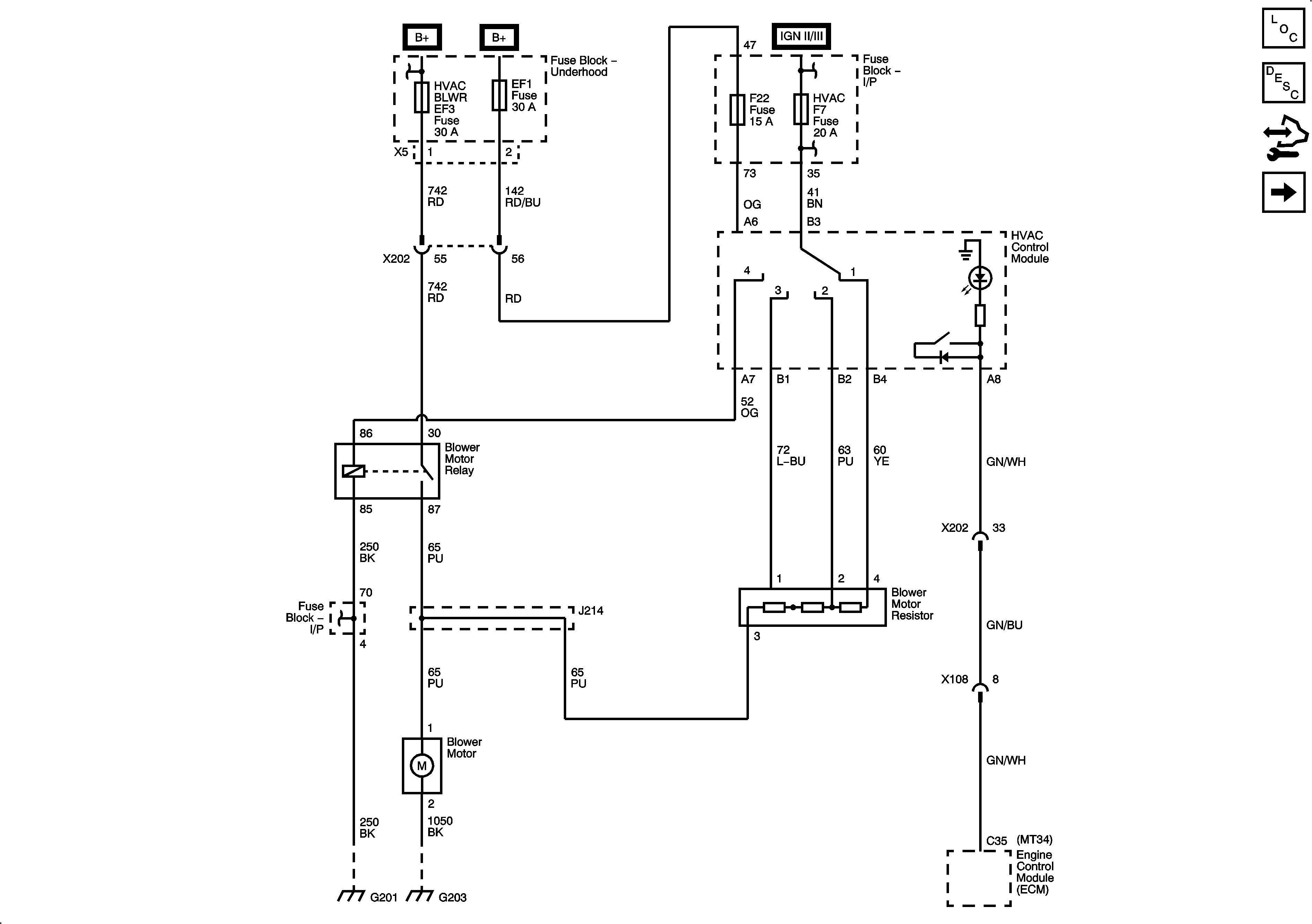
🢒 Blower Controls
Blower Controls
Blower Controls
Master Electrical Component List
Control Module References
Compressor Controls Sirius D4, MR140, MT34
Fuse Block - Underhood B+ Bus, 1 of 3
Fuse Block - Underhood B+ Bus, 1 of 3
G101
G201 - 1 of 2
G203