GM Service Manual Online
For 1990-2009 cars only
Makes
🢒
Holden
🢒
2008
🢒
Viva
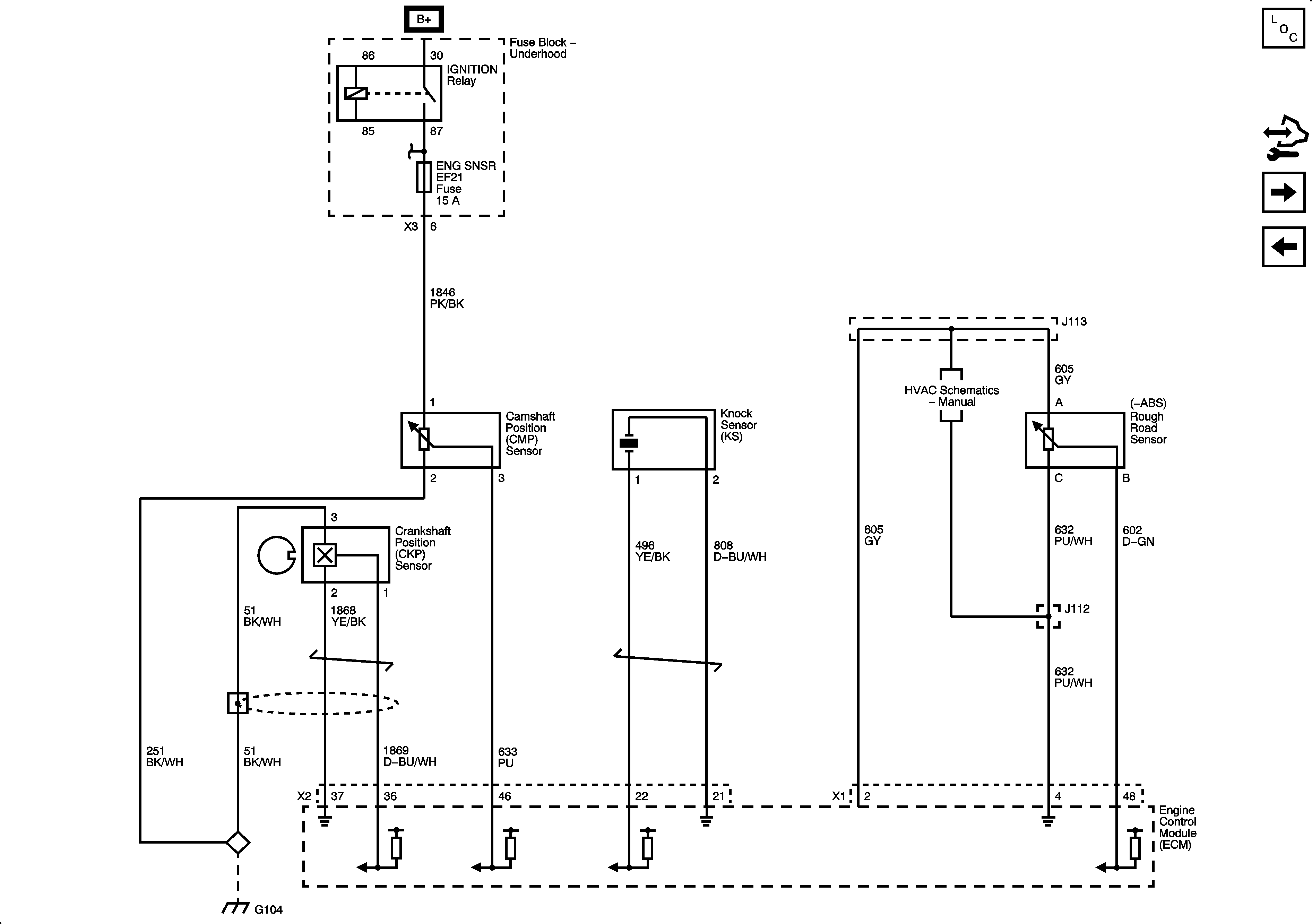
🢒 CKP, CMP, Knock, Rough Road Sensors
CKP, CMP, Knock, Rough Road Sensors
CKP, CMP, Knock, Rough Road Sensors
Master Electrical Component List
Control Module References
Fuel Pump and Injectors
EGR Valve, MAP, ECT, IAT Sensors
Fuse Block - Underhood B+ Bus, 1 of 3
Blower Controls
G104